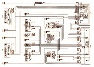
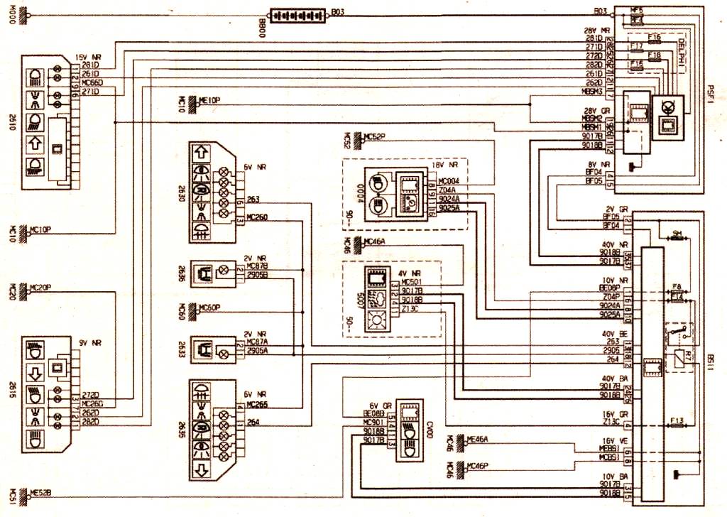
Схема проводки фар наружного освещения автомобиля Peugeot 307

Фары ближнего света, дальнего света

Обозначения на схемах