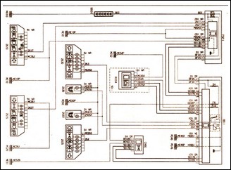
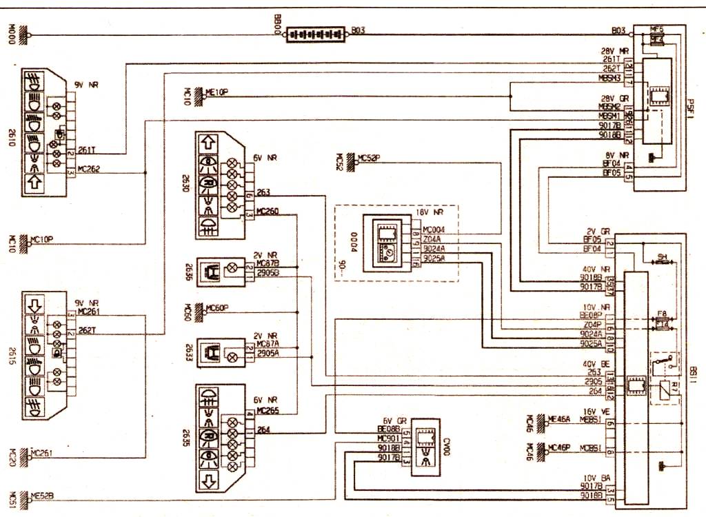
Схема габаритных огней Пежо 307

Обозначения на схемах