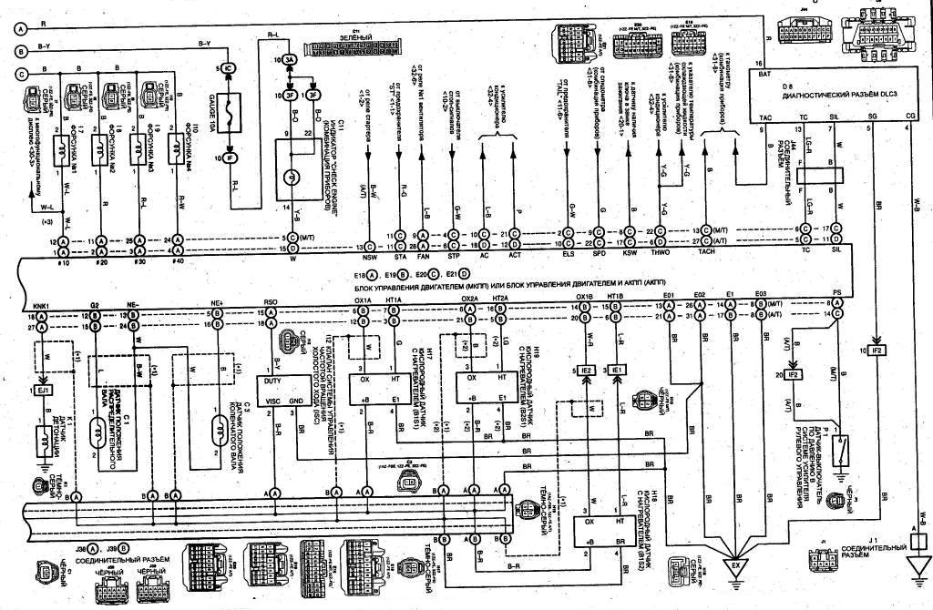
Схема системы управления двигателем и система иммобилайзера(1ZZ-FE,3ZZ-FE) Tayota Avensis

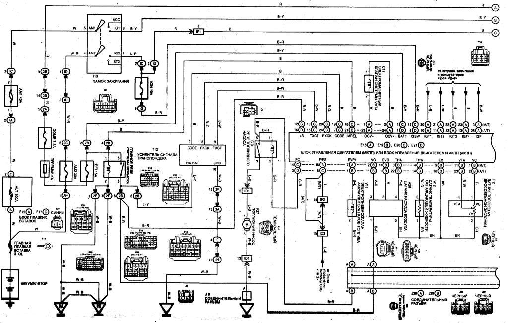
Продолжение схемы