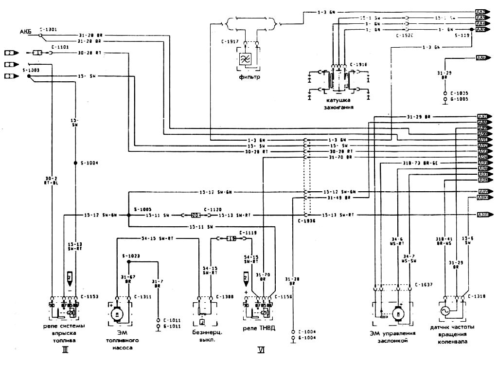
Принципиальная электрическая схема Ford Fiesta (двигатель 1.1(HSS-Valencia) с системой впрыска топлива CFJ соответствующий нормативам США на 1983г.)

 

Принципиальная электрическая схема Ford Fiesta (двигатель 1.1(HSS-Valencia) с системой впрыска топлива CFJ соответствующий нормативам США на 1983г.)