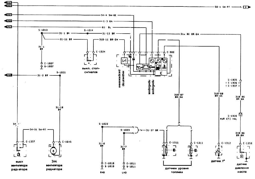
Схема пуска и зарядки автомобиля Ford Fiesta

 

pusk2