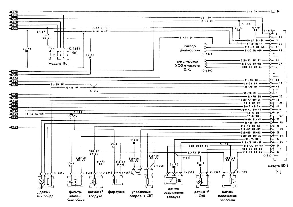
Электрическая схема автомобиля Форд Фиеста (продолжение схемы 1)

 

Продолжение схемы 1