Схема соединения приборов освещения автомобиля Daewoo Lanos
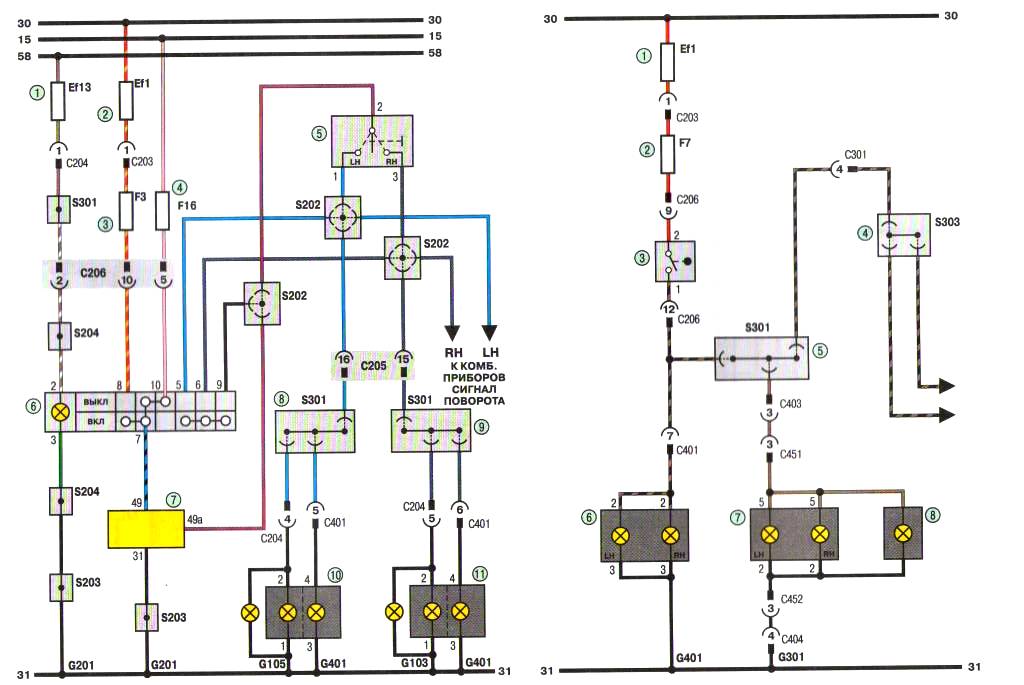
Схема Зе. Соединения приборов освещения (продолжение): 1 - плавкая вставка (10 А); 2 - плавкая вставка (80 А);(15 А); 3 - выключатель стоп-сигналов; 4,5 - соединительные колодки; 6 - лампа стоп-сигнала в заднем правом фонаре; 7 - лампа стоп-сигнала в заднем левом фонаре; 8 - дополнительный стоп-сигнал
Схема Зж. Соединения приборов освещения (продолжение): 1 - плавкая вставка (80 А); 2 - предохранитель
3,4 - предохранители (15 А); 5 - переключатель указателей поворота; 6 - выключатель аварийной сигнализации; 7 - реле; 8,9 - соединительные колодки; 10 - лампа указателя левого поворота в комбинации приборов; 11 - лампа указателя правого поворота в комбинации приборов
