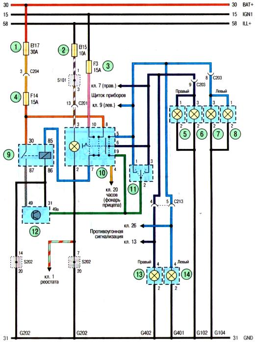
Схема Авео Шевролет - указатели поворотов и аварийная сигнализация

Указатели поворота и аварийная сигнализация (автомобиль с кузовом хэтчбек): 1,2- предохранители в моторном отсеке 3,4- предохранители в панели приборов: 5 - правый повторитель указателей поворота;6- правый передний указатель поворота; 7- левый передний указатель поворота; 8 - левый повторитель указателя поворота; 9 - реле указателей поворота; 10 - выключатель аварийной световой сигнализации;11-выключатель указателей поворота; 12 - блок управления указателями поворота;13- задний правый указатель поворота;14-задний левый указатель поворота