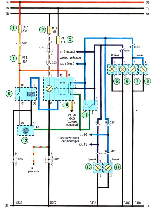
Схема указателей поворотов и аварийной сигнализации Авео Шевролет

Схема. Указатели поворота и аварийная сигнализация (автомобиль с кузовом седан): 1,2- предохранители в моторном отсеке; 3,4- предохранители в панели приборов; 5-правый повторитель указателя поворота;6- правый передний указатель поворота;7-левый передний указатель поворота 8- левый повторитель указателя поворота;9-реле указателей поворота;10- выключатель аварийной световой сигнализации;11-выключатель указателей поворота;12-блок управления указателями поворота;13-правый задний указатель поворота;14- левый задний указатель поворота