Схема стеклоочистителя и омывателя Авео Шевролет

Схема. Стеклоочиститель и стеклоомыватель (автомобиль с кузовом седам): 1 - предохранитель в панели приборов; 2 - переключатель стеклоочистителя и омывателя ветрового пекла; 3 - реле стеклоочистителей; 4 - электронасос стеклоомывателя ветрового окна; 5 - привод стеклоочистителя ветрового окна

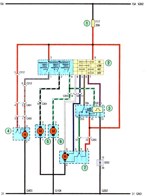
Схема. Стеклоочиститель и стеклоомыватель (автомобиль с кузовом хэтчбек): 1- предохранитель в панели приборов; 2 - переключатель стеклоочистителя и стеклоомывателя ветрового окна; 3- реле стеклоочистителей; 4 - привод заднего стеклоочистителя; 5-электронасос омывателя стекла двери задка; 6 - электронасос стеклоомывателя ветрового окна; 7-привод стеклоочистителя ветрового окна