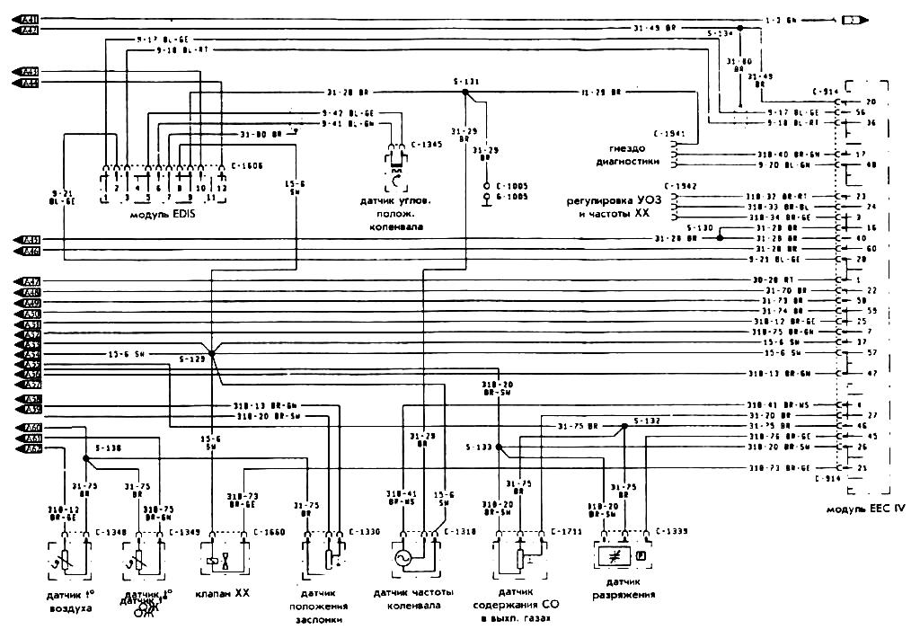
Схема электрооборудования Fopd Fiesta