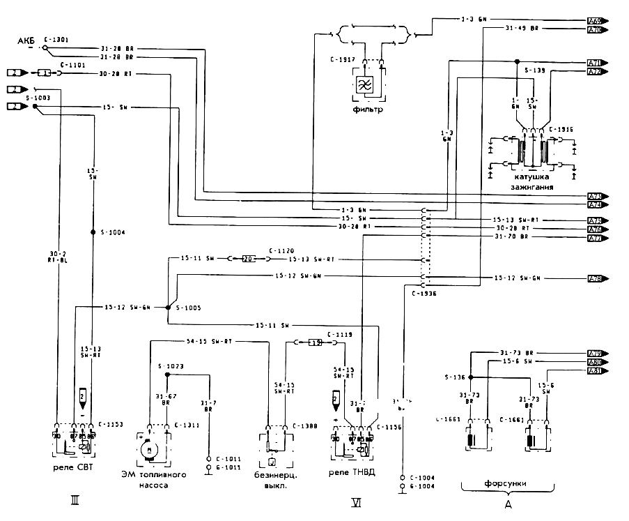
Принципиальная электрическая схема двигатель 1.6 (CVH) автомобиля Ford Fiesta XR 21 соответствующего нормативу США с 1983г.