Автобус оборудован тремя раздельными тормозными системами: рабочей, стояночной и запасной
Рабочая тормозная система предназначена для служебного и экстренного торможения автобуса до полной остановки.
Привод тормозных механизмов колес пневматический, двухконтурный, раздельный для передних и задних колес.
Стояночная тормозная система предназначена для затормаживания задних колес во время стоянки автобуса.
Стояночный тормоз приводится в действие поворотом рукоятки крана в крайнее фиксированное положение.
При этом воздух выпускается из-под диафрагм задних тормозных камер, пружины энергоаккумуляторов разжимаются и прижимают тормозные колодки к барабанам.
В случае утечки воздуха из контура стояночной тормозной системы, задние колеса самопроизвольно затормаживаются.
Запасная тормозная система обеспечивает торможение автобуса в случае полного или частичного отказа рабочей тормозной системы.
Функции запасной тормозной системы выполняет один из контуров рабочей тормозной системы.
Также в качестве запасной может использоваться стояночная тормозная система, так как кран управления стояночным тормозом обеспечивает изменение интенсивности торможения в зависимости от положения его рукоятки.
Антиблокировочная система (АБС) тормозов обеспечивает устойчивое торможение автобуса на дорогах с низким коэффициентом сцепления колес с дорожным покрытием.
Выход из строя АБС не нарушает функционирование рабочей тормозной системы автобуса.
Рабочая тормозная система состоит из колесных тормозных механизмов и пневматического привода. Схема пневматического привода тормозной системы показана на рис. 1.
Тормозные механизмы передних и задних колес (рис. 2.) барабанного типа с двумя тормозными колодками и регулятором тормоза
Регулятор тормоза РТ-40 (рис. 3.) предназначен для передачи усилия от штока пневмокамеры на разжимной кулак вала и для автоматической регулировки зазора между накладками и тормозным барабаном
Техническое обслуживание тормозных механизмов
Замена тормозных колодок:
- 1. Утопить фиксатор 2 (рис. 3.) регулятора тормоза и вращать ключом против часовой стрелки до возврата разжимного кулака тормоза в исходное положение. При этом зазор между тормозной накладкой и барабаном станет максимальным.
- 2. Снять ступицу вместе с барабаном.
- 3. Снять стяжные пружины колодок 5 (рис. 2.) и тормозные колодки 1
При каждом снятии следует осмотром проверять состояние тормозных барабанов.
Не допускается наличие задиров, трещин и значительной выработки на рабочей поверхности, а также ослабление крепления барабана к ступице.
Увеличение диаметров тормозных барабанов мостов РЗАА в процессе эксплуатации допускается не более чем на 6 мм.
Предельный диаметр рабочей поверхности тормозного барабана 426 мм - для мостов "РЗАА" и 383 мм для мостов КААЗ.
При сборке смазать оси колодок тонким слоем смазки Литол-24.
Регулировка тормозных механизмов колес
1. Снять для удобства проведения регулировок тормозные щитки.

- 2. Ослабить гайки 3 крепления эксцентриковых осей колодок (рис. 4.).
- 3. Сблизить эксцентрики, повернув оси метками 4, друг к другу (рис. 5.).

- 4. Ослабить гайки и болты крепления кронштейнов (5 - передних, 6 - задних) тормозных камер (рис. 4.).
- 5. Ослабить у задних тормозных механизмов болты крепления опоры 7 разжимного кулака (рис. 5.).
- 6. Подать в тормозную камеру сжатый воздух под давлением 0,1-0,15 мПа (1-1,5 кгс/см 2), нажимая на тормозную педаль при наличии воздуха в системе.
- 7. При отсутствии сжатого воздуха вынуть палец штока тормозной камеры и, нажимая на регулировочный рычаг в направлении хода штока тормозной камеры при торможении, прижать колодки к тормозному барабану.
- 8. Сцентрировать колодки относительно барабана, поворачивая эксцентрики так, чтобы обеспечить прилегание колодок к барабану, которое можно проверить щупом через окна в щитках передних тормозных механизмов или при снятых щитках у задних тормозов.
На расстоянии 20 ÷ 30 мм от наружных концов накладок щуп толщиной 0,1 мм не должен проходить вдоль всей ширины накладки.

- 9. Не прекращая подачи сжатого воздуха в тормозную камеру, а при отсутствии воздуха не отпуская регулировочный рычаг и удерживая оси колодок от проворачивания, надежно затянуть гайки осей (рис. 6), болты крепления кронштейнов тормозных камер и опор разжимных кулаков.
- 10. Прекратить подачу сжатого воздуха или отпустить регулировочный рычаг и присоединить к рычагу шток тормозной камеры.
Установить щитки задних тормозных механизмов.
Предварительная регулировка (установка) регулятора тормоза проводится для получения требуемых ходов штоков после замены колодок.
1. Произвести растормаживание энергоаккумуляторов.

- 2. Установить регулятор на вал привода тормоза и закрепить его на валу (рис. 7). Направление действия силы тормозной камеры должно совпадать с направлением стрелки нанесенной на корпус регулятора.
- 3. Утопить фиксатор внутрь регулятора до упора, нажав, на его торец пальцем.
Удерживая фиксатор в утопленном положении, вращать его ключом (S=10) по часовой стрелке до совмещения отверстий корпуса регулятора и вилки тормозной камеры (рис. 7.).
- 4. Соединить корпус регулятора с вилкой тормозной камеры и установить тягу привода регулятора.
- 5. Вращайте фиксатор вправо до упора, т.е. до соприкосновения тормозных колодок с барабаном, действуя, как указано выше.
Затем таким же образом поверните фиксатор влево на 120-180°. При этом между тормозными колодками и барабаном установится зазор близкий к требуемому.
- 6. Отпустить фиксатор. Если он остался утопленным, поверните его влево - вправо в пределах 30° до возврата в исходное положение под действием пружины (рис. 7.).
В процессе эксплуатации заданная величина хода штока тормозной камеры будет поддерживаться регулятором тормоза автоматически.
Остаточная толщина тормозных накладок проверяется при ТО-2 через смотровые окна в тормозных барабанах или в щитках тормозных механизмов.
Накладки следует заменить при толщине менее 4,5 мм. и при наличии трещин и сколов на рабочей поверхности.
В случае повышенного нагрева тормозных барабанов или низкой эффективности торможения необходимо проверить работу регулировочного рычага тормозного механизма путем измерения хода штока тормозной камеры при подаче в нее сжатого воздуха от тормозного крана при рабочем давлении 0,7-0,8 мПа (рис. 8.).
Величина хода штока тормозных камер должна быть в пределах 29 ± 2 мм.
Регулировка хода штока в процессе эксплуатации не производится.
Если ход штока не соответствует приведенному выше значению, необходимо проверить правильность установки рычага или выяснить причину нарушения работоспособности и устранить ее.
Если замена тормозных колодок производилась со снятием ступицы колеса, то после установки ступицы нужно осторожно выдвинуть колесный датчик АБС до соприкосновения с зубчатым венцом ступицы, а затем провернуть ступицу на два-три оборота для получения необходимого зазора.
При обслуживании регулятора тормоза следует смазать его один раз в два года, нагнетанием через отверстие закрытое 'пробкой 3 (рис. 3.) смазки ЖТ-72 ТУ 38 101345-77 в количестве 40-50 г.
Внимание! Использование смазки Литол-24 для обслуживания регулятора приводит к его неисправности.
Смазка опор вала разжимных кулаков выполняется до появления свежей смазки из зазоров между валом и кронштейном.
Внимание! Чтобы тормозные колодки задних колес не примерзли к барабанам после длительной стоянки при резких колебаниях температуры, не рекомендуется оставлять автобус с включенным стояночным тормозом, не просушив тормоза плавными торможениями при движении.
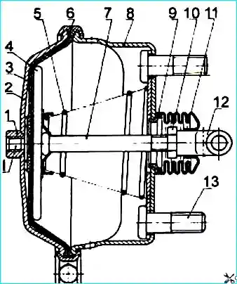
Тормозные камеры
Камера тормозная передняя предназначена приведения в действие тормозных механизмов колес.
Камера тормозная с пружинным энергоаккумулятором предназначена для приведение в действие тормозных механизмов колес заднего моста при включении рабочей или стояночной тормозных систем.
Устройство тормозной камеры показано на рис. 9 и рис. 8.
При нарушении герметичности и снижении давления в контуре стояночной тормозной системы воздух из полости под поршнем 5 через вывод I уйдет в атмосферу через поврежденную часть пневмопривода, пружина 4 разожмется и произойдет автоматическое затормаживание автобуса.
Дня механического растормаживания задних колес необходимо вывернуть ключом 3 (рис. 10.) винт 2 из пружинного энергоаккумулятора на длину 70 мм.
Внимание! Перед растормаживанием следует предохранить автобус от скатывания.
Внимание! Запрещается самостоятельная разборка энергоаккумуляторов.
В пружинном энергоаккумуляторе в сжатом состоянии находится мощная пружина. Разбирать его можно только в мастерской с использованием специальных приспособлений.
Внимание! Перед началом эксплуатации автобуса привести в рабочее состояние энергоаккумуляторы тормозных камер, для этого:
- - заполнить тормозную систему воздухом;
- - установить ручку тормозного крана стояночной тормозной системы в положение растормаживания и завинтить до упора винт 2.