К приборам наружного освещения относятся: фары, передние, задние и боковые габаритные фонари, фонари освещения номерного знака, фонарь освещения участка земли (подножки двери), фонари задние противотуманные, задние световозвращатели

Фары имеют галогенные двухнитевые лампы АКГ12-60+55. Нить 60 Вт - дальний свет, нить 55 Вт - ближний свет.

Лампы фар включаются центральным переключателем света, включенным в третье положение.

Внимание! При установке в фару галогенной лампы запрещается касаться пальцами колбы во избежание снижения светового потока или разрушения колбы в процессе эксплуатации.

Регулировка фар производится при неработающем двигателе на специальном посту, оборудованном рабочей площадкой, плоским экраном с матовым покрытием, люксметром с фотоприемником и приспособлением, ориентирующим взаимное расположение автобуса и экрана.

Два регулировочных винта расположены за ободком фары справа и слева. Регулировка в вертикальной плоскости производится одновременным вращением обоих винтов в одном направлении, а горизонтальная – вращением винтов в противоположных направлениях.

Для регулировки фар следует:

Установить автобус в снаряженном состоянии (с нормальным давлением в шинах) на расстоянии 5 метров от экрана, на котором сделана разметка в соответствии с приведенным рисунком.

Схема разметки экрана для регулировки фар: GG и DD - вертикальные оси фар; XX - горизонтальная светотеневая граница

Снять ободки с фар, отвернув винт их крепления.

Включить ближний свет и, закрыв одну из фар, отрегулировать другую регулировочными винтами так, чтобы светотеневая граница пучка ближнего света была расположена так, как показано на рисунке.

Затем, таким же образом следует отрегулировать вторую фару.

У отрегулированных фар верхняя граница световых пятен должна совместиться с линией Х-Х (см. рис. 1), а точки пересечения горизонтального и наклонного участков светотеневой границы – с линиями G-G и D-D.

Фонари освещения номерного знака (лампы АС 12-5), включаются центральным переключателем света.

Фонарь освещения участка земли (лампы А 12-21-3), установлен под кожухом, закрывающим механизм открывания пассажирской двери.

Включаются при включенном центральном переключателе света и концевом переключателе, входящим в механизм привода двери.

Фонари задние противотуманные (лампы А 12-21-3), включаются выключателем на щитке приборов при включенном ближнем свете фар.

Встроенная в выключатель контрольная лампа сигнализирует об их включении.

При переходе на режимы "Дальний свет" или "Включены габаритные фонари" задние противотуманные фонари гаснут.

Противотуманные фонари необходимо использовать только при движении в тумане или при других условиях недостаточной видимости.

Подключение противотуманных фонарей параллельно фонарям "стоп-сигнала" запрещается.

К приборам внутреннего освещения относятся плафоны салона (лампа А 12-21-3), плафон водителя (лампа А 12-10), лампы освещения щитка приборов АМН 12-3

Обслуживание системы освещения заключается в проверке её исправности при ежедневном техническом осмотре и в выполнении работ предусмотренных перечнем работ технического обслуживания.

К внешней сигнализации относятся указатели поворотов и аварийной сигнализации, боковые повторители указателей поворотов, габаритные фонари, стоп-сигналы и фонари заднего хода, электрические звуковые сигналы.

Указатели поворотов и аварийной сигнализации

На автобусе установлен электронный прерыватель указателей поворота и аварийной сигнализации, обеспечивающий также контроль за исправностью сигнальных ламп.

Если при включении указателей поворота лампа сигнализатора поворота мигает с двойной частотой, то это указывает на неисправность лампы одного из указателей поворота с правой или левой стороны автобуса (отсутствие контакта или перегорание).

Если при включении указателей поворота имеет место одноразовый световой сигнал фонарей указателей, то это является следствием замыкания на массу контактов фонаря или подводящей электропроводки.

Если лампа сигнализатора поворота не горит, а лампы указателей поворота исправны, то необходимо проверить исправность лампы сигнализатора.

Если при включении указателей поворота их лампы и лампа сигнализатора не горят, то это означает, что неисправен предохранитель или прерыватель указателей поворота (или его цепь).

Система аварийной мигающей сигнализации одновременно включает все указатели поворота в мигающем режиме, предупреждая впереди и сзади идущий транспорт о неисправности автобуса с целью исключения аварийной ситуации.

Система сигнализации состоит из выключателя аварийной сигнализации, реле-прерывателя указателей поворотов и фонарей указателей поворотов.

Выключатель установлен на щитке приборов. Включение производится нажимом на кнопку выключателя.

При этом в кнопке загорается контрольная лампа, подтверждающая включение аварийной системы мигающей сигнализации

Сигнал торможения включается двумя пневматическими выключателями, установленными на тормозном кране в секциях переднего и заднего контура рабочей системы тормозов. Фонари стоп-сигнала имеют лампы А12-21-3.

Выключатели включены в схему параллельно с целью обеспечения продолжения работы фонарей стоп-сигнала при неисправности одного из контуров тормозной системы или одного из выключателей.

Электрический звуковой сигнал состоит из одного сигнала высокого или низкого тона с электромагнитной системой привода мембраны.

Сигнал включается кнопкой на рулевом колесе, через вспомогательное реле сигналов. Для усиления и направления звука сигнал имеет рупор (резонатор).

Реле сигналов служит для разгрузки контактов кнопки от большого тока, потребляемого сигналом.

При нажатии на кнопку замыкается цепь вспомогательного реле, а контакты реле включают рабочий ток в цепь сигнала.

Обслуживание электрического сигнала заключается в проверке его работоспособности при ежедневном техническом осмотре.

Возможные неисправности звуковых сигналов и способы их устранения

При нажатии на кнопку сигнал не звучит

- Обрыв провода, подходящего к кнопке

Вскрыть кнопку, зачистить провод от изоляции, надеть наконечник и пропаять

- Обрыв провода в рулевой колонке

Заменить провод

- Отпайка выводов катушки сигнала от пластины прерывателя или выводных клемм

Пропаять выводы

- Подгорание контактов реле сигналов

Зачистить контакты

Сигнал звучит слабо или не звучит при неработающем двигателе и звучит при работающем двигателе

- Разряжена аккумуляторная батарея

Зарядить аккумуляторную батарею

Сигнал имеет дребезжащий звук

- Ослаблено крепление сигнала, крепление крышки или катушки сигнала

Подтянуть крепление

Световые указатели поворотов включают в себя два передних фонаря указателя поворотов (правого и левого), два задних фонаря указателя поворотов (правого и левого), два боковых повторителя указателей поворота, переключателя поворотов и света фар, расположенного на рулевой колонке.

Нейтральное положение рычага переключателя обеспечивается автоматическим сбрасыванием кулачков переключателя специальной сбрасывающей шайбой при повороте рулевого колеса.

При включении переключателя поворотов в правое или левое положение включаются в мигающем режиме соответственно лампы фонарей правой или левой стороны автобуса.

Работа в мигающем режиме осуществляется с помощью реле поворотов.

Одновременно с включением фонарей указателей поворотов включается контрольная лампа "Поворот" на щитке приборов.

Внутренняя сигнализация состоит из контрольных ламп щитка приборов и шумового сигнализатора (зуммера). Зуммер установлен под щитком приборов и предназначен для подачи сигнала пассажиром из салона автобуса водителю о необходимости остановки.

Аварийный выключатель предназначен для предотвращения возникновения пожара в результате доpожно-транспортного происшествия.

Аварийный выключатель выполняет следующие функции:

  • – отключение аккумуляторных батарей дистанционным выключателем через контакты реле;
  • – включение всех указателей поворота в мигающем режиме через контакты реле и реле-прерыватель;
  • – отключение обмотки возбуждения генератора через контакты реле.

Аварийное отключение производится включателем, установленном на щитке приборов.

Аварийный выключатель может иметь три положения клавиши:

  • - I - выключен, при этом кнопка не нажата и зафиксирована стопорным флажком (режим движения);
  • - II - режим отключения "+ АКБ" и включения аварийной сигнализации, для этого следует повернуть флажок фиксатора и нажать кнопку до фиксированного положения;
  • - III - выключение АКБ, производится дожатием клавиши выключателя до крайнего (не фиксированного положения). После прекращения нажатия клавиша возвращается в положение "II".

Внимание! Запрещается удерживать клавишу аварийного выключателя в крайнем (не фиксированном) положении более двух секунд

Система аварийного управления дверями

При аварийном (экстренном) открывании двери салона включается зуммер, который звенит до момента закрытия двери водителем.

При нажатии пассажиром кнопки "Остановка по требованию" возникает прерывистый ((4-5) звуковых импульсов) сигнал зуммера и загорается контрольная лампа в мигающем режиме до момента остановки автобуса и открытия двери для высадки пассажира.

При открывании аварийной двери (однодверная модификация автобуса) возникает непрерывный сигнал зуммера и загорается вторая контрольная лампа с символом "Дверь" до момента закрытия аварийной двери и возврата фиксатора в исходное положение.

Стеклоочистители

Привод электрического стеклоочистителя осуществляется электродвигателем постоянного тока.

Включение электродвигателя производится переключателем, обеспечивающим две скорости вращения якоря электродвигателя.

В цепь электродвигателя включен тепловой биметаллический вибрационный предохранитель, укрепленный на корпусе редуктора стеклоочистителя.

Для установки щетки стеклоочистителя в крайнее положение при его включении имеется концевой выключатель.

Вращение от вала электродвигателя на вал привода щеток передается через червячную передачу.

Для исправной работы стеклоочистителя необходимо не допускать продолжительной работы щеток по сухому стеклу во избежание перегрева электродвигателя и появления царапин на стекле, а также не допускать попадания бензина или масла на резиновые ленты щеток во избежание их коробления.

Вентилятор обдува

При замасливании или подгорании коллектора электродвигателя протереть его тряпкой, смоченной в бензине.

Если это не поможет, зачистить коллектор стеклянной шкуркой. Затем продуть сжатым воздухом.

Проверить давление щеток, которое должно составлять (2-4) Н.

Предохранители

Все цепи потребителей тока автобуса защищены плавкими предохранителями.

На автобусе применено 5 блоков предохранителей: 1 блок "силовых" предохранителей БПР-5-4, расположенный в ящике АКБ c правой стороны, 3 блока БПР13 и 1 блок БПР2.02, расположенных около рулевой колонки.

Схема размещения блоков предохранителей около рулевой колонки показана на рис. 2.

Схема расположения блоков предохранителей: I - с 1FU1 по 1FU13; II - с 2FU1 по 2FU13; III - с 3FU1 по 3FU13; IV - БПР2.02 (40 А, 60 А)

Внимание! Запрещается замена неисправных предохранителей на предохранители с большим номиналом.

Используемые обозначения:

  • "+15" – цепь после перевода ключа в замке зажигания в положение "I";
  • "+30" - цепь после включения дистанционного выключателя АКБ;
  • "+50" - цепь после перевода ключа в замке зажигания в положение "II";
  • "+АКБ" – цепь после отключения дистанционного выключателя АКБ.

Назначение предохранителей

№ Цепь Номинал предохранителя, А - Назначение предохранителя

1FU1

  • 1FU2 +АКБ 10 - Управление дверями салона с места водителя; Спидометр электронный
  • 1FU3 +АКБ 10 - Реле поворотов; Аварийная сигнализация
  • 1FU4 +15 10 - Осушитель воздуха; Спидометр электронный
  • 1FU5 +15 10 - Электромагнитный клапан останова
  • 1FU6 +15 10 - Обмотка реле возбуждения генератора; Лампа контрольная генераторной установки; Комбинация приборов и тахометр; АБС тормозов
  • 1FU7 +15 10 - Лампы контрольные; Фонари заднего хода; Управление блоком свечей накаливания
  • 1FU8 +30(40) 10 - Управление подогревателем жидкостным
  • 1FU9 +30(40) 10 - Циркуляционный насос
  • 1FU10 +30(40) 10 - Стеклоомыватель; Указатель напряжения
  • 1FU11 +30(40) 15 - Сигналы звуковые
  • 1FU12 +58 10 - Фонари габаритные правые; Плафоны освещения двери
  • 1FU13 +58 10 - Фонари габаритные левые; Лампы подсветки приборов

2FU1

  • 2FU2 +30(40) 10 - Плафоны освещения правой стороны салона
  • 2FU3 +30(40) 10 - Стеклоочиститель левый
  • 2FU4 +30(40) 15 - Стеклоочиститель правый; Фонари сигналов торможения
  • 2FU5 +30(40) 10 - Электродвигатель обдува бокового стекла
  • 2FU6 +30(60) 15 - Электродвигатель обдува ветрового стекла
  • 2FU7 +30(60) 15 - Электродвигатель отопителя места водителя; Циркуляционный насос дополнительный (для ПАЗ-32053-07)
  • 2FU8 +30(60) 15 - Электродвигатель отопителя левой стороны №1; Электродвигатель отопителя левой стороны №2
  • 2FU9 +30(60) 15 - Фонари задние противотуманные; Электродвигатель отопителя правой стороны №1; Электродвигатель отопителя правой стороны №2
  • 2FU10 +56 10 - Фара головная левая дальнего света
  • 2FU11 +56 10 - Фара головная правая дальнего света; Лампа контрольная "Дальний свет"
  • 2FU12 +56 10 - Фара головная левая ближнего света
  • 2FU13 +56 10 - Фара головная правая ближнего света

3FU1

  • 3FU2 +15 10 - Устройство ограничения скорости (для ПАЗ-32053-77)
  • 3FU3 +30(40) 15 - Питание света фар
  • 3FU4 +30(40) 15 - Плафоны освещения левой стороны салона. Розетка переносной лампы. Плафон мотоотсека
  • 3FU5 +30(40) 10 - Электродвигатели принудительной вентиляции
  • 3FU6 +30(40) 10 - Электродвигатель вентилятора водителя
  • 3FU7 +30(40) 10 - Фары противотуманные
  • 3FU8 +30(40) 10 - Обогрев зеркал заднего вида
  • 3FU9 +30(40) 10 - Питание транспортного говорящего устройства; Питание магнитолы
  • 3FU10 +30(40) 10 - Резерв
  • 3FU11 +30(40) 10 - Привод двери. Экстренное открывание дверей
  • 3FU12 +30(40) 10 - Резерв
  • 3FU13 +30(40) 10 - Резерв

Принципиальные схемы подключения приборов освещения и световой сигнализации

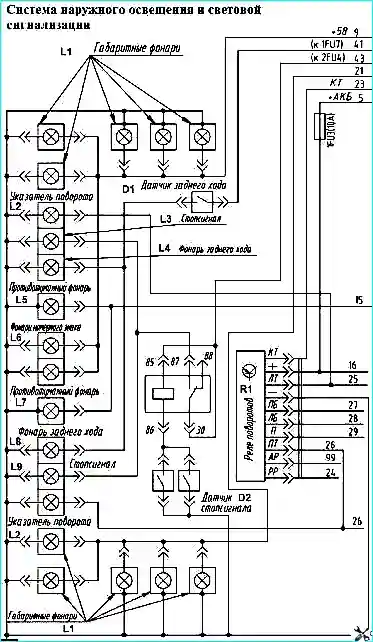
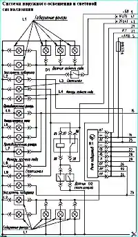
Схема наружного освещения и световой сигнализации: L1 - габаритные огни; L2 - указатель поворота; L3 - стоп-сигнал; L4 - фонарь заднего хода; L5 - противотуманный фонарь; L6 - фонари номерного знака; L7 - противотуманный фонарь; L8 - фонарь заднего хода; L9 - стоп- сигнал; D1 - датчик заднего хода; D2 - датчик стоп-сигнала; R1 - реле поворотов
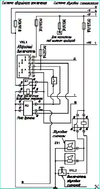
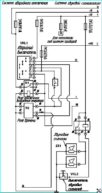
Схема системы аварийного отключения и системы звуковой сигнализации: VKL1 - аварийный выключатель; VKL2 - выключатель звуковых сигналов; R1 - реле отключения возбуждения генератора; R2 - реле времени