Кузов автобуса представляет собой несущую цельнометаллическую сварную конструкцию, которая состоит из шести предварительно собранных узлов: основания, левой и правой боковин, передней части, задней части и крыши

Основание кузова (рис.1) состоит из двух продольных элементов (лонжеронов) | - образного сечения, соединенных между собой поперечинами.

Основание кузова: 1 - консоль передняя; 2 - лонжерон передний; 3 - кронштейн амортизатора; 4 - консоль № 2; 5 - поперечина № 2; 6 - консоль №3; 7 - вставка соединительная лонжеронов; 8 - балка инструментального ящика; 9 - консоль №4; 10 - балка крепления амортизаторов; 11 - втулка крепления оси пружин подвески; 12 - консоль №5; 13 - косынка; 14 - лонжерон задний правый; 15 - поперечина № 4; 16 - консоль № 6; 17 - поперечина задняя; 18 - балка запасного колеса; 19 - буксирная проушина; 20 - усилитель; 21 - надстройка кронштейна рессоры; 22 - усилитель отбойника рессоры; 23 - консоль крепления бензобака; 24 - поперечина №3; 25 - поперечина №1; 26 - пластина крепления буфера рессоры; 27 - болт буксирной проушины; 28 - балка передняя

К внешним стенкам лонжеронов приварены консоли для соединения со стойками боковин. Для крепления кронштейнов рессор к лонжеронам приварены специальные надстройки.

Ремни безопасности предназначены для уменьшения опасности ранения человека ограничением перемещения его тела в случае резкого торможения автобуса или столкновения.

Ремни безопасности устанавливаются на сиденье водителя, а также, по заказу потребителя, на пассажирские сиденья, за исключением сидений, на которых пассажир размещается боком по отношению к направлению движения автобуса.

Ремни безопасности состоят из лямок с запирающейся пряжкой, аварийно-запирающегося втягивающего устройства и деталей крепления.

Пряжка позволяет удерживать и быстро расстегивать ремень.

Аварийно-запирающееся втягивающее устройство состоит из втягивающего устройства и запирающего механизма.

Втягивающее устройство автоматически регулирует длину лямки в зависимости от телосложения водителя и при нормальных условиях движения не ограничивает свободу движения водителя. Запирающий механизм ограничивает подвижность ремня.

Механизм срабатывает в случае аварии под действием замедления автобуса или сочетания замедления автобуса и движения ремня.

Использование ремней безопасности по назначению

Для пристегивания ремня следует вставить язычок конца лямки в замок до щелчка, не допуская перекручивания лямок. Для отстёгивания ремня нужно нажать на красную клавишу замка.

Ремни не нуждаются в регулировке и обслуживании.

Рекомендуется периодически осматривать ремни для обнаружения наличия износов или повреждений любого характера.

В случае загрязнения лямок следует очистить их мягким мыльным раствором.

Внимание! Ремни подлежат обязательной замене новыми, если они подверглись критической нагрузке в дорожно-транспортном происшествии или имеют потертости, разрывы и другие повреждения.

Пассажирская дверь двухстворчатая.

Ведущая створка установлена на нижнюю шаровую опору, которая обеспечивает необходимое регулирование положения створок по высоте.

Для направления движения створки при закрывании и открывании имеется направляющий ролик, который движется по желобу.

Привод пассажирской двери автобуса состоит из пневматического механизма управления, трубопроводов подвода воздуха и дверного пневматического баллона.

При работе дверного механизма воздух, поступает из пневмобаллона через входной штуцер в пневмораспределитель.

Пневмораспределитель управляет воздушными потоками в соответствующие полости пневмоцилиндра в зависимости от электрических сигналов управления с рабочего места водителя.

При этом происходит перемещение штока пневмоцилиндра и соответственно открытие или закрытие двери.

При открывании двери или в её закрытом положении микропереключатели, установленные на пневмоцилиндре, соответственно замыкают или размыкают цепи контрольной лампы открытого положения и освещения посадочной площадки.

В случае попадания препятствия перед створкой двери при её закрывании, должно сработать устройство защиты от защемления (УЗЗА) и подать управляющий импульс напряжения на открывание двери.

Управление дверями осуществляется с помощью электрических выключателей, расположенных на щитке приборов.

При открытой двери на щитке приборов в выключателе управления дверью загорается контрольная лампа.

Кроме включателей на щитке приборов для аварийного открытия дверей имеются две кнопки: одна в салоне справа над дверью, другая снаружи справа от двери.

Автобус может иметь механизм управления пассажирской дверью производства ОАО "Мичуринский завод "Прогресс" или ООО "Камоцци пневматика".

Механизм управления производства ОАО "Мичуринский завод "Прогресс" (рис. 2).

Пневмопривод дверей (ОАО "Мичуринский завод "Прогресс"): 1 - вилка цилиндра; 2 - цилиндр; 3 - палец крепления цилиндра; 4 - болт откидной; 5 - блок резисторов; 6 - электронный блок У33А; 7 - диодная сборка; 8 - пневмораспределитель; 9 - кнопка экстренного открывания двери; 10 - электромагнит; 11 - шланг; 12 - втулка болта; 13 - датчик щелевой; 14 - микропереключатель; 15 - кронштейн упоров с рейкой; 16 - упор

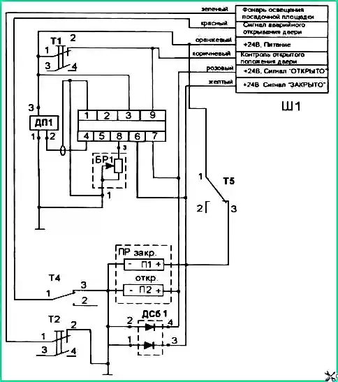
Подключение пневмопривода к электрическим цепям управления автобуса производится электрическими соединениями согласно электросхемы (рис. 3.).

Электрическая схема привода дверей: Т1, Т2, Т4, Т5 - микропереключатели; ПР - пневмораспределитель; ЭБ1 - электронный блок У33А; ДП1 - датчик перемещения; ДСБ1 - диодная сборка; БР1 - блок резисторов; Ш1 - колодка штырьевая

Возможные неисправности и способы их устранения

Не отрабатываются команды на открывание (закрывание) двери

- Нарушены контакты электрических соединений

Проверьте надежность электрических контактов

- Передавлен пневмошланг пневмопитания

Уложите пневмошланг без перегибов

- Засорился фильтр

Замените фильтр

- Неисправны (пробиты) диоды в диодной сборке ДСБ1

Замените диодную сборку ДСБ1

Отсутствует индикация открытого или закрытого положения двери

- Не срабатывают микропереключатели Т1

Замените микропереключатели Т1

- Не отрегулировано положение упора (управляющего микропереключателем)

Отрегулируйте положение упора

Отсутствует освещение посадочной площадки

- Не срабатывает микропереключатель Т2

Замените микропереключатели Т2

- Не отрегулировано положение упора (управляющего микропереключателем)

Отрегулируйте положение упора

При подаче управляющего импульса на закрытие двери, дверь не закрывается

- Отказ ЭБ УЗЗА

Замените ЭБ УЗЗА

После подачи сигнала на закрывание, дверь не закрывается или, совершив небольшое перемещение, открывается

- Отказ одного из элементов УЗЗА: щелевого датчика, ЭБ УЗЗА, блока резисторов

Поочередная замена элементов УЗЗА

После подачи сигнала на закрывание, дверь, закрывшись, самопроизвольно открывается

- Отказ одного из элементов УЗЗА: щелевого датчика, ЭБ УЗЗА, блока резисторов

Поочередная замена элементов УЗЗА, начиная с ЭБ УЗЗА и блока резисторов

- Не срабатывают микропереключатели Т1

Замените микропереключатели Т1

- Не отрегулировано положение упора (управляющего микропереключателем)

Отрегулируйте положение упора

Порядок замены фильтра

Уменьшение скорости движения створки двери или её остановка, вызванное возможным уменьшением пропускной способности (вследствие засорения пор) фильтра, устраняется заменой фильтра в следующей последовательности:

  1. Отключить электрическое и пневматическое питание.
  2. Отсоединить входной пневмошланг, отвернув гайку.
  3. Вывернуть входной штуцер из пневмораспределителя.
  4. Снять стопорное кольцо, извлечь фильтр и заменить на новый.
  5. Произвести подключение в обратном порядке.

Техническое обслуживание

При обслуживании пневмопривода дверей периодически (при ТО-1), следует проверять крепление пневмопривода, его составных частей и подключение внешних цепей, а также удалять пыль и влагу с деталей пневмопривода.

Механизм управления пассажирской дверью производства ОАО "Мичуринский завод "Прогресс" или ООО "Камоцци пневматика"

Пневмопривод дверей (ООО "Камоцци пневматика"): 1 - концевой выключатель (К1); 2 - цилиндр пневматический (ПЦ); 3 - панель; 4 - электропневмораспределитель (Р3); 5 - дроссель-глушитель; 6 - микропереключатель (КЗ); 7 - кнопка аварийная (КН); 8 - вход; 9 - контроллер управления(КУ); 10 - трубопроводы

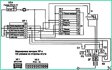
Подключение пневмопривода к электрическим цепям управления автобуса производится электрическими разъёмами, согласно схемы рис. 5

Схема электропневматическая привода дверей производства ООО "Камоцци пневматика": КУ - контроллер управления противозажимом; ХР1, ХР2 - колодка штыревая; XS2, XS3, XS4 - колодка гнездовая; C1, С2 - соленоиды пневмораспределителя; К3 - микропереключатель; К1- датчик; ДГ - дроссель-глушитель

Блок управления противозажимом (КУ) предназначен для включения пневмораспределителя на открытие дверей в случае зажима пассажира а также включения и выключения лампы освещения посадочной площадки.

Блок также формирует сигнал водителю о несанкционированном открывании двери.

На входы блока поступают сигналы от концевого выключателя (К1), определяющего закрытое положение створки двери, и от кнопки управления на пульте водителя.

Если на вход поступает команда с пульта водителя «Открыть дверь», а затем - сигнал о том, что дверь отрыта, то блок управления выдает команду на включение лампы освещения посадочной площадки и переходит в режим ожидания сигнала «Закрыть» с пульта водителя.

Если на вход контроллера поступает сигнал от концевого выключателя о том, что дверь открыта, но при этом с пульта водителя не поступала команда «Открыть дверь», то блок включает зуммер аварийного открывания, который звучит до тех пор, пока водитель с пульта не закроет дверь.

При поступлении команды «Закрыть» включается программный таймер, настроенный на время, за которое дверь должна гарантировано закрыться.

Если за это время:

  • - дверь закрылась (поступил сигнал от концевого выключателя), лампа освещения площадки выключается и блок управления противозажимом переходит в режим готовности к следующему циклу.
  • - дверь не закрылась (не получен сигнал от концевого выключателя К1), то это идентифицируется как факт зажима пассажира, и блок выдает сигнал на катушку пневмораспределителя (Р1), переводя его в положение «дверь открыта».

В программе блока управления противозажимом имеется режим автоматического отключения функции противозажима.

Режим автоматического отключения функции противозажима включается в случае открытия двери без поступления команды «Открыть» с пульта водителя, а именно при открывании двери с помощью ручной кнопки аварийного открывания.

Для восстановления функции противозажима необходимо провести полный нормальный цикл открытия-закрытия двери с пульта водителя

В случае нажатия кнопки «Закрыть» при закрытой двери (например, в случае появления сигнала «Дверь открыта» при выходе из строя конечного выключателя) функция противозажима автоматически отключается для предотвращения открытия дверей на ходу. Кроме того, функция противозажима будет заблокирована на все время удержания в нажатом состоянии кнопки «Закрыть» на пульте водителя.

Техническое обслуживание

Внимание! К эксплуатации и техническому обслуживанию приводов допускаются специалисты, знающие их устройство и правила эксплуатации.

Установку, отключение, техническое обслуживание приводов следует производить при отключенном пневмо- и электропитании.

Порядок установки привода

  1. Установить привод на штатное место, ориентируя крепежные болты примерно по центру пазов на панели привода. Зафиксировать привод.
  2. Задвинуть шток в цилиндр до упора.
  3. Закрыть дверь автобуса до упора.
  4. Соединить вилку штока пневмоцилиндра с рычагом поворотной стойки двери, убедившись при этом, что шток выдвинут, как минимум, на 2-3 мм из цилиндра по сравнению с первоначальным его положением. В противном случае сдвинуть панель привода вдоль пазов креплений вправо на 2-3 мм.
  5. Отрегулировать положение концевого выключателя относительно нажимного упора и законтрить его контргайками.
  6. Подключить штуцер «Вход» к пневмосистеме автобуса. Соединить колодки электроцепей привода (см. рис. 4 и 5) с ответными колодками автобуса.

Подготовка привода к работе

  1. Подать пневматическое и электрическое питание на привод.
  2. Проверить работу, открывая и закрывая дверь с места водителя.
  3. Подстроить скорости открытия-закрытия дверей дросселями-глушителями, расположенными на пневмораспределителе. (Первоначальные настройки дросселей-глушителей выполнены при сборке привода на заводе-изготовителе).

Следует иметь в виду, что резьба на головке дросселя левая, поэтому вращение головки дросселя по часовой стрелке (вправо) уменьшает скорость движения двери, а вращение против часовой стрелки (влево) увеличивает скорость движения двери.

  1. Проверить работу кнопки аварийного открывания дверей путем нажатия на нее.

Чтобы затем закрыть дверь, необходимо нажать кнопку «Закрыть» на пульте водителя.

Внимание! Возврат аварийной кнопки вручную не позволяет закрыть дверь.

  1. Отрегулировать положение концевого выключателя (К1) таким образом, чтобы при закрытой двери на пульте водителя не горела индикация «Дверь открыта», а зазор между упорной планкой на штоке цилиндра и корпусом концевого выключателя составлял не менее 2 мм.
  2. Настроить блок управления противозажимом (КУ). Блок управления противозажимом является интеллектуальным модулем, который позволяет производить настройку времени срабатывания противозажима в зависимости от скорости закрывания конкретной двери в диапазоне от 1 до 8 секунд. Заводская установка - 3 секунды.

Для настройки блока противозажима необходимо выполнить следующее:

6.1. Включить габаритные огни.

6.2. На пульте водителя нажать кнопку «Открыть дверь» (дверь при этом откроется) и удерживать ее нажатой (не менее 30 секунд) до тех пор, пока лампа освещения дверной площадки не начнет мигать, что означает переход блока в режим программирования.

6.3. Нажать кнопку «Закрыть» на пульте водителя (дверь должна закрыться, при этом контроллер запомнит реальное время ее закрытия).

Внимание! Настройку блока управления противозажимом необходимо проводить после каждой регулировки дверей, в соответствии с выше описанном пунктом регулировки скорости открытия-закрытия двери дросселями-глушителями.

Проверка перед началом работы (при эксплуатации)

Проверку привода перед началом работы производить в следующей последовательности:

  1. Проверить работу дверей путем открывания и закрывания их с места водителя.
  2. Проверить срабатывание сигнализации «Дверь открыта».
  3. Произвести контроль «на слух» утечек воздуха при открытой и закрытой двери.
  4. Проверить механизм аварийного открывания дверей при стоянке транспортного средства путем нажатия на кнопку аварийного открывания. Для возврата аварийной кнопки нажать кнопку «Закрыть дверь» на пульте водителя.
  5. Проверить работу механизма противозажима, для чего открыть дверь, а затем закрыть, и в момент ее закрытия придержать ее створку.

При обслуживании пневмопривода дверей периодически (при ТО-1), следует проверять крепление пневмопривода, его составных частей и подключение внешних цепей, а также удалять пыль и влагу с деталей пневмопривода.

Возможные неисправности и способы их устранения

Дверь не открывается (не закрывается)

- Передавлен пневмошланг

Освободить пневмошланг

- Обрыв электропроводки

Устранить обрыв

- Утечка воздуха из пневмосистемы

Устранить утечку

Замедленное движение створок

- Нарушена регулировка дросселей-глушителей (ДГ)

Отрегулировать дроссели-глушители

- Загрязнены фильтры дросселей-глушителей (ДГ)

Снять дроссели-глушители и продуть сжатым воздухом

Заменить дроссели-глушители

Противозажим срабатывает при отсутствии препятствия

- Отсутствует электропитание в приводе

Восстановить электропитание

- Установлено слишком большое время срабатывания

Произвести настройку блока управления противозажимом

- Блок управления противозажимом находится в режиме программирования

Завершить цикл программирования

- Разрегулировано положение концевого выключателя

Отрегулировать положение концевого выключателя

Окна автобуса

Ветровые окна автобуса выполнены из безосколочного трехслойного полированного стекла.

Заднее окно состоит из двух закаленных полированных стекол соединенных профилем. Боковые окна выполнены из закаленного плоского полированного стекла.

Первое и последнее окна левой боковины являются аварийными с выдергивающимися шнурами, кроме того, заднее окно в аварийной ситуации легко разбивается молоточком, находящимся на правой внутренней панели задка.

Зеркала заднего вида фиксируются в нужном положении при помощи пружин и гребенчатого фиксатора.

Место для огнетушителя предусмотрено на стойке перегородки водителя.

Место для медицинской аптечки предусмотрено на передней панели справа от щитка приборов.

Противосолнечная шторка закреплена внутри салона над левым ветровым стеклом и служит для защиты глаз водителя от прямых солнечных лучей.

Опускание шторки осуществляется вручную. Подъем шторки производится автоматически при нажатии вниз за шнурок, находящийся с левой стороны шторки.

Вентиляция кузова производится через боковые окна и вентиляционные люки.

Для вентиляции кабины водителя над лобовым стеклом и в левой угловой панели передка имеются лючки, перекрываемые крышками и заслонкой с места водителя.

Все вентиляционные люки работают на нагнетание свежего воздуха в кузов во время движения автобуса.

Второй вентиляционный люк одновременно является запасным выходом. При повороте ручки аварийного привода крышка люка отсоединяется от кузова и рукой отбрасывается наружу, освобождая запасный выход.

Отопление салона осуществляется с помощью отопителей, подключенных к системе охлаждения двигателя.

Отопитель салона состоит из теплообменника и вентилятора.

Нагнетаемый вентилятором отопителя воздух, проходя через радиатор, нагревается и обогревает салон.

Отопители имеют два режима работы - полный и частичный.

Управление ими осуществляется с помощью двухпозиционных клавиш, расположенных на щитке приборов.

Один переключатель управляет отопителями, расположенными на правой стороне салона, другой управляет отопителями на левой стороне салона.

Стекла ветровых окон обдуваются теплым воздухом, нагреваемым отдельным отопителем.

Переключатель управления отопителем находится на щитке приборов.

Для эффективного обогрева салона и обдува ветровых стекол необходимо поддерживать достаточно высокую температуру охлаждающей жидкости в системе охлаждения двигателя и обеспечивать циркуляцию жидкости по трубопроводам, что достигается работой жидкостного подогревателя и циркуляционного насоса, которые должны находиться в постоянно включенном состоянии.

Буксирное устройство

Для буксировки автобуса служат буксировочные проушины, которые расположены на передних и задних лонжеронах основания.

Места для установки домкратов

С целью подъема кузова автобус имеет четыре специальные точки для установки домкрата, расположенные за арками передних и задних колес.

Обслуживание кузова

Осматривать кузов регулярно при ежедневном техническом обслуживании. При появлении трещин ремонтировать.

При загрязнении поверхности кузова маслом удалить его мягкой тряпкой, смоченной бензином, с последующей протиркой насухо.

Для поддержания чистоты и глянца всех, полированных и анодированных алюминиевых деталей кузова и щитка приборов выполнять следующее: протирать ежедневно поверхности указанных деталей чистой мягкой тряпкой; а при техническом обслуживании тряпкой, смоченной в полировочной воде, с последующей протиркой насухо.

Промывать обивку сидений водой или мыльным раствором при помощи мягкой волосяной щетки и протирать сухой тряпкой.