Наибольшему износу в рабочих тормозах подвержены фрикционные накладка поверхности барабанов, а также втулки и шейки разжимных кулаков и оси колодок

Разборка тормоза передних колес приведена в статье «Ремонт передней оси и рулевых тяг МАЗ».

Толщина накладок должна быть не менее 7 мм при запасе накладки 1 мм до контрольного буртика или головки заклепки. На поверхности накладки не допускаются трещины, выкрашивания и сколы.

Установку новых накладок и приклепку их к колодкам производите в специальном приспособлении, обеспечивающем плотное прилегание накладки к поверхности колодки.

Местный зазор между колодкой и накладкой не должен быть более 0,1 мм.

Форма заклепки, ее размеры, а также размеры отверстия под заклепку в накладке показаны на рис. 1.

Заклепка и размеры отверстия под заклепку в тормозных колодках

Клепка производится со стороны колодки, причем головка заклепки должна лежать на оправке, обеспечивающей головке сохранение формы в процессе клепки.

Клепка может быть выполнена в тисках с помощью простейшего инструмента.

После приклепки накладок колодки в сборе с накладками должны быть обработаны попарно по наружному диаметру до номинального размера, если барабан не растачивался под ремонтный размер.

Если же барабан растачивался под один из ремонтных размеров, то колодки в сборе с накладками должны быть обработаны под такой же номер ремонтного размера (см. таблицу).

Обработка колодок производится на токарном станке с помощью специальной установки, обеспечивающей правильное расположение пары колодок.

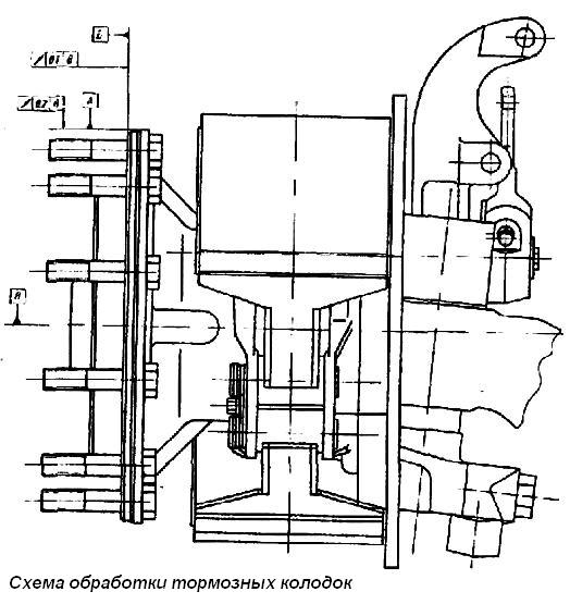
На автомобилях оборудованных АБС, обработку накладок необходимо производить на передней оси иди заднем (среднем) мосту с применением станка модели F - 306 фирмы HUNGER (Германия) или аналогичном.

Схема обработки показана на рис. 2 и 3. Базами для обработки являются поверхности А и Б фланца ступицы колеса или цапфа ступицы.

До обработки тормозов необходимо проверить биения базовых поверхностей относительно оси вращения допустимые биения:

  • — поверхности «А» — 0,2 мм;
  • — поверхности «Б» — 0,1 мм.

Если биение базовых поверхностей ступицы превышает допустимое, ступица подлежит замене.

Порядок обработки накладок следующий:

  • — зафиксировать неподвижно регулировочный рычаг на расстоянии Г = 90 мм от привалочной плоскости кронштейна крепления тормозной камеры при помощи приспособления;
  • — вращая шестигранник вала-червяка регулировочного рычага, установить размер «Д» между центрами осей роликов тормозных колодок, равный 95+1,0 мм (рис. 3);

Схема обработки тормозных колодок

  • — установить и закрепить центрирующий фланец обрабатывающего станка на фланец ступицы колеса, базируясь на поверхностях А и Б.

При использовании в качестве базы цапфы ступицы колеса — установить и закрепить на цапфе центрирующую муфту станка;

Схема обработки тормозных колодок

  • — обработать тормозные колодки.

Установка в один тормозной механизм (на один мост, на одну ось) тормозных колодок с накладками из разных материалов не допускается.

Износ шеек разжимных кулаков допускается до диаметра 39,75 мм, втулок разжимного кулака — до диаметра 40,10 мм.

Заклепка и размеры отверстия под заклепку в тормозных колодках основного стояночного тормоза

При износе этих поверхностей свыше указанных шейки наваривают и обрабатывают под номинальный диаметр (40-0,75) мм, а втулки заменяют новыми.

Износ опорный шеек осей колодок допускается до диаметра 31,88 мм.

Сборку рабочего тормоза производите в обратном порядке. При установке колодок смажьте оси смазкой Литол-24.

После установки тормозного барабана на автомобиль необходимо проверить его биение относительно оси вращения, которое не должно превышать 0,2 мм.

Если биение превышает указанную величину, тормозной барабан подлежит замене.

При установке регулировочного рычага смажьте шлицы разжимного кулака смазкой Литол-24 или УСсА.

На полноприводных автомобилях, оборудованных трансмиссионным стояночным тормозом, также подвергнуты износу накладки тормоза.

Требования к их состоянию такие же, как и к накладкам рабочих тормозов.

Отличия состоят в том, что барабан имеет диаметр 300+0,15  мм, колодки имеют ширину 100-1,0  мм и они обрабатываются в диаметре 300-0,2  мм.

Форма заклепки, ее размеры, а также размеры под заклепку в накладке показаны на рис. 4.

Тормозной барабан на заводе после обработки балансируется статически. Допустимый дисбаланс — не более 50 гсм.

Отверстия сверлятся на реборде барабана глубиной не более 6 мм с минимальным шагом 20 мм.

Наименование

размера

Внутренний

диаметр

тормозного

барабана, мм

Наружный

диаметр

колодок

тормозов

по накладкам, мм

Номинальный

420+0,75

420-0,57

Первый ремонтный

421+0,75

421-0,57

Второй ремонтный

422+0,75

422-0,57

Третий ремонтный

423+0,75

423-0,57