Поперечный угол наклона шкворня 5˚, а также угол развала колес 1˚ обеспечиваются изготовлением деталей передней оси. Эти углы не регулируются.

Продольный угол наклона шкворня 2˚30’ обеспечивается положением рессоры на раме.

Регулировка схождения передних колес, шаровых сочленений, рулевых тяг и подшипников ступиц колес

Регулировка схождения колес

При правильной установке колес автомобиль имеет хорошую устойчивость при движении по прямой и управляемость на поворотах.

Во время эксплуатации углы установки колес могут меняться вследствие износа деталей.

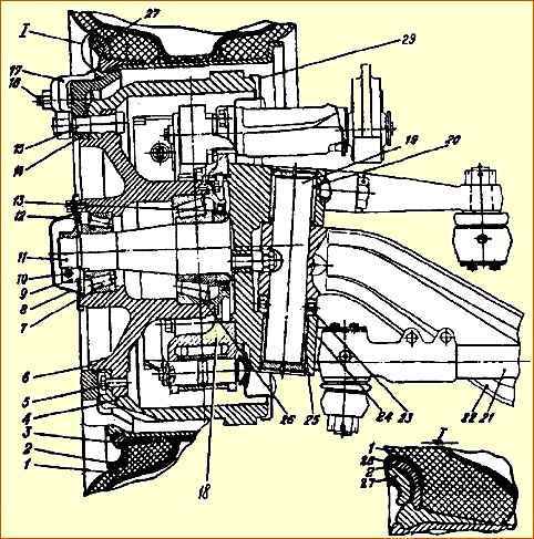
Передняя ось и ступица переднего колеса: 1 - колесо; 2 - кольцо бортовок; 3 - кольцо замочное; 4 - барабан тормозной; 5, 15, 15 - болты; 6 - ступица; 7, 23, 26 - подшипники; 8 - крышка; 9 - гайка; 10 - болт; 11 - кулак поворотный; 12 - шайба; 13 - сальник; 14 - диск; 17 - прижим; 18 - суппорт; 19 - шкворень; 20, 25 - втулки; 21 - тяга поперечная рулевая; 22 - балка передней оси; 24 - рычаг поперечной рулевой тяги; 27 - груз балансировочный; 28 - пружина; 29 - щит тормоза

Угол схождения колес в горизонтальной плоскости устанавливайте регулировкой длины поперечной рулевой тяги 21 (рис.1), на концах которой имеется правая и левая резьба.

Величина схождения колес замеряют специальной линейкой модели 2182 и определяется разностью расстояний между торцами тормозных барабанов в горизонтальной плоскости.

Размер «Б» (сзади) должен быть больше, чем размер «А» (спереди), на 1—2 мм.

Для регулировки схождения колес ослабьте затяжку болтов клемм обоих наконечников рулевой тяги и вращением тяги (ввертыванием ее в наконечник при большем схождении и вывертыванием при недостаточном) измените ее длину так, чтобы обеспечить нормальную величину схождения колес.

После регулировки тщательно затяните гайки болтов наконечников.

Регулировку углов поворота колес производите изменением положения упорных болтов, ограничивающих поворот колес.

Упорные болты ввернуты в поворотные кулаки.

При вывертывании болта угол поворота колеса уменьшается и наоборот.

Регулировка схождения колес полноприводных автомобилей МАЗ

Разность (Б-А) должна быть 0,5—3,5 мм (рис. 2).

Проверка схождения передних колес

При необходимости схождение колес отрегулируйте в следующем порядке:

  • - установите колеса в положение, соответствующее движению по прямой;
  • - ослабьте затяжку стяжных болтов обеих наконечников поперечной рулевой тяги;
  • - отверните гайки крепления шаровых пальцев наконечников в рычагах и снимите тягу;
  • - вывертыванием или ввертыванием наконечников путем вращения тяги установите схождение колес в задаваемых пределах.

При этом надо иметь в виду, что вывертывание наконечников на один оборот увеличивает разность расстояний примерно на 5мм, а ввертывание — уменьшает на эту величину.

Если величина схождения отличается от установленной нормы не более чем на 2.5 мм, можно регулировать схождение одним из наконечников.

Соедините поперечную тягу с рычагами и проверьте величину схождения колес и при нормальном его значении прикрепите поперечную тягу к рычагам и затяните стяжные болты наконечников.

При этом вазы обеих наконечников должны быть в одной плоскости.

Зазор в шарнирах рулевых тяг проверяют путем осмотра соединения при проворачивании рулевого колеса вправо и влево (для продольной тяги при неработающем двигателе, для поперечной — при работающем).

Регулировка шаровых сочленений рулевых тяг

Тяга продольная рулевая: 1 - палец; 2, 8 - сухари; 3 - наконечник; 4 - пружина; 5 - пробка; 6 - крышка; 7 - болт; 9 - ограничитель; 10 - уплотнитель

При регулировке шаровых сочленений продольной рулевой тяги регулировочную пробку 5 (рис. 3) заверните до упора (момент затяжки 118—157 Нм), а затем отверните ее на ⅛ оборота.

Установите крышку 6 на место, повернув се на 120˚ относительно первоначального положения, и обожмите край в паз наконечника 3 для стопорения гайки 5.

Тяга поперечная рулевая: 1, 3 - наконечники; 2 - тяга; 4 - сухарь; 5 - палец; 6 - пробка; 7 - болт; 8 - крышка; 9 - пружина; 10 - сухарь

При каждой регулировке шарового сочленения крышку 6 поворачивайте при установке на 120˚, предварительно выпрямив деформированный участок крышки. Шаровые сочленения поперечной рулевой тяги (рис. 4) и силового цилиндра усилителя руля регулируются аналогично.

Регулировка подшипников ступиц передних колес

Подшипники ступиц передних колес регулируйте в следующем порядке:

  • - снимите крышку 8 и ослабьте гайку 9 подшипника, отвернув болт 10. Поворачивая ступицу, проверьте легкость ее вращения. В случае тугого вращения, выясните причину, при необходимости снимите ступицу;
  • - установите шайбу 12, совместил лыску на ней с лыской на поворотном кулаке 11;
  • - проворачивая ступицу, затяните гайку 9 до тугого вращения ступицы крутящим моментом 24 кгсм, после чего отверните гайку на 80—90 градусов;
  • - проверьте легкость вращения ступицы без ощутимого осевого люфта (осевой зазор в подшипниках 0,02—0,08 мм). При необходимости регулировку повторите;
  • - гайку 9 застопорите болтом 10 с пружинной шайбой, завернув его моментом 5—7 кгс-м.

Проверьте еще раз вращение ступицы, которая должна проворачиваться под дёйствием усилия рук, при этом не должен ощущаться осевой люфт.

Правильность регулировки определите при контрольном пробеге по степени нагрева ступицы. Температура не должна превышать 60˚ С (свыше 60 °С рука не выдерживает длительного прикосновения).

Ремонт передней оси

Ремонт передней оси обычно заключается в замене шкворневых втулок, шкворня и упорного подшипника.

Необходимость такого ремонта можно определить, подняв одно колесо на домкрате и покачивая его с помощью монтажного лома.

Перед этим следует устранить зазор в подшипниках ступицы колеса.

Порядок снятия передней оси следующий:

  • - ослабьте гайки стремянок рессор;
  • - поднимите переднюю часть автомобиля и поставьте на подставки;
  • - снимите амортизаторы, отсоедините продольную рулевую тягу от поворотного рычага и тормозные шланги от тормозных камер;
  • - отверните гайки рессор и освободите балку;
  • - выкатите переднюю ось из-под автомобиля.

Разборка передней оси

Разборку передней оси необходимо проводить в следующем порядке на специальном стенде:

  • - отверните гайки крепления колеса и снимите декоративные колпаки и колеса;
  • - отсоедините и снимите поперечную рулевую тягу;
  • - снимите наружную крышку 4 (рис. 5) с прокладкой;
Передняя ось и ступица переднего колеса: 1 - тормозной барабан; 2 - ступица; 3, 9, 11 - подшипники; 4 - крышка; 5 - гайка; 6, 8 - болты; 7 - кулак поворотный; 10 - шкворень; 12 - шайба; 13 - индуктор АБС; 14 - подшипник
  • - выверните болт 6 клеммовой гайки крепления ступицы и отверните клеммовую гайку 5, снимите шайбу 12;
Съемник ступиц передних колес
  • - снимите ступицу 2 с тормозным барабаном 1, не повредив манжету (съемник показан на рис. 6);
  • - снимите регулировочный рычаг, оттяжные пружины колодок, тормозные колодки и достаньте разжимной кулак;
  • - снимите суппорт и тормозные щитки;
  • - снимите заглушки шкворня, предварительно вынув пружинные кольца;
  • - выпрессуйте шкворень с помощью пресса;
  • - снимите поворотный кулак 7 вместе с упорным подшипником 11;
  • - выпрессуйте из поворотного кулака верхнее и нижнее уплотнительные кольца;
  • - установите ступицу 2 с барабаном 1 на верстак;
  • - снимите крышку с манжетой и достаньте манжету;
Снятие колец наружных подшипников ступиц передних колес: 1 - гайка; 2 - съемник; 3 - захваты; 4 - болты; 5 - скалка; 6 - кольцо наружное подшипника; 7 - упоры
  • - достаньте внутренний конический роликоподшипник 9 и выпрессуйте наружное кольцо с помощью съемника (рис. 7);
  • - переверните ступицу и выпрессуйте наружное кольцо наружного конического роликоподшипника 3.
Съемник наконечников рулевых тяг: 1 - винт; 2 - корпус

Съемник наконечников рулевых тяг показан на рис. 8.

  • 1. Расшплинтовать и отвернуть гайку крепления пальца рулевой трапеции.
  • 2. Прорезь съемника завести между наконечником и рычагом до упора выемки съемника в шаровой палец.
  • 3. Вращая винт, демонтировать шаровые пальцы тяг.

Проверка технического состояния деталей

До начала проверки технического состояния снятых деталей передней оси они должны быть тщательно промыты.

Для мойки стальных и чугунных деталей целесообразно применять щелочные растворы. После этого промойте детали в мягкой теплой воде, а затем высушите.

Все детали должны подвергаться тщательному контролю на отсутствие износа, трещин, поломки и деформаций. При сборке поврежденные детали следует заменить.

Характерными дефектами поворотных кулаков являются: износ биметаллических втулок шкворня и износ шеек под подшипники.

Втулки шкворня заменяйте в случае, когда зазор в сопряжении шкворень — втулка превышает 0,1 мм. После запрессовки новых втулок разверните их до диаметра  50+0,082  мм (рис. 1, 5).

Развертывание втулок производите «в линию» специальной разверткой, имеющей направляющие для обеспечения соосностей отверстий втулок.

При развертывании втулок выполните следующее:

Развертывание втулок поворотного кулака: а - верхней втулки; b - нижней втулки; 1 - развертка; 2 - втулка биметаллическая; 3 - втулка направляющая
  • - запрессуйте в поворотный кулак биметаллическую втулку 2 (рис. 9, а) шкворня и посадите специальную направляющую втулку 3 во второе отверстие под втулку шкворня;
  • - разверните биметаллическую втулку шкворня;
  • - извлеките направляющую втулку и на ее место запрессуйте вторую биметаллическую втулку шкворня;
  • - разверните вторую втулку шкворня (вновь запрессованную), при этом режущую часть развертки пропустите через ранее развернутую (первую) втулку шкворня, которая служит направляющей для второй втулки (рис. 9, Ь).

Износ шеек под подшипники допускается: под наружный подшипник до диаметра 49,94 мм (рис. 1, 5). под внутренний до диаметра 69,93 мм.

В случае наличия зазоров в шарнирных соединениях тяг рулевой трапеции разберите шарниры и снимите изношенные детали.

Биение рабочей поверхности тормозного барабана относительно посадочных поверхностей наружных колец конических подшипников должно быть не более 0,2 мм.

Тормозные барабаны растачиваются совместно со ступицей.

Ремонтные втулки ступицы переднего колеса: а - под наружное кольцо наружного подшипника; б - под наружное кольцо внутреннего подшипника

Основными дефектами ступицы являются трещины на ребрах, износы гнезд ступицы под подшипники и срывы резьбы М 8 х 1.

Трещины на ребрах восстанавливают заваркой, предварительно разделав трещину по всей длине под углом 90 – 120˚ на глубину ⅔ толщины ребра.

Изношенные гнезда ступицы под подшипники восстанавливают постановкой ремонтных втулок (рис. 10). Гнезда под подшипники растачивают на глубину 2,5 – 3 мм.

Ремонтную втулку изготавливают из чугунной заготовки, стальной трубы или свернутой полосовой стали, которую запрессовывают в ступицу с натягом 0,05 – 0,16 мм, а затем растачивают под номинальный размер.

При износе или срыве резьбы М 8 х 1 отверстие рассверливают до диаметра (10,1±0,1) мм, нарезают резьбу М12, ввертывают ввертыш заподлицо с плоскостью основного металла, а затем ввертыш кернят в трех противоположных точках.

Сборка передней оси

Сборку передней оси производите в порядке, обратном разборке.

Особое внимание следует обратить на надежность крепления шаровых пальцев рулевого привода, рычагов рулевых тяг и суппортов тормоза к поворотным кулакам.

Если в соединении шарового пальца с рычагом после затяжки моментом 215-245 Нм (22-25 кгс.м) ощущается качка, то необходимо изношенные детали заменить.

Сборку шкворневого устройства производите в следующей последовательности:

  • - запрессуйте с помощью оправки радиальные уплотняющие кольца в верхнюю и нижнюю проушины поворотного кулака с запрессованными биметаллическими втулками таким образом, чтобы уплотняющая кромка каждого кольца была направлена в сторону зева под балку;
  • - подогреть головку балки до 150 °С с помощью индуктора;
  • - установите в отверстие верхней проушины кулака заглушку с уплотнительным кольцом, смазанным смазкой, и застопорите пружинным кольцом;
  • - установите поворотный кулак вместе с упорным подшипником, заполненным смазкой Литол-24, на головку балки без ощутимого осевого зазора (допускается зазор 0,05-0,3 мм), который устраняется с помощью регулировочных прокладок - требуемой толщины, и при помощи центровочной оправки совместите ось подсобранного пакета с осью балки;
  • - выньте центровочную оправку и вставьте шкворень, обеспечив зазор между верхней заглушкой и шкворнем 1,7-2,6 мм;
  • - установите в отверстие нижней проушины поворотного кулака вторую заглушку с уплотнительным кольцом, смазанным смазкой, и застопорите пружинным кольцом;
  • - прошприцуйте подшипники через пресс-масленки до появления смазки через предохранительный клапан;
  • - проверьте момент проворота поворотного кулака относительно балки. Он должен быть не менее 14,71 Нм (1,5 кгс. м).

Установку ступицы производите в следующем порядке:

  • - перед установкой ступицы ее внутреннюю полость между подшипниками смажьте смазкой Литол24.

Обильно смажьте конические роликовые подшипники, заполнив смазкой все свободное пространство между роликами — подсоберите ступицу с внутренним подшипником, крышкой и манжетой и наружной обоймой наружного подшипника и установите ее на поворотный кулак;

  • - вставьте наружный подшипник в ступицу.

Произведите окончательный монтаж ступицы с подшипниками на поворотный кулак, избегая ее переносов;

  • - установите шайбу с лыской на поворотный кулак, совместив лыски в шайбе и на поворотном кулаке;
  • - заверните клеммовые гайки моментом 225-235 Нм (23-25 кгс. м) до тугого вращения ступицы, после чего отверните гайку на 80—90˚ .

Проверьте легкость вращения ступицы без осевого люфта (зазор в подшипниках должен быть в пределах 0,02—0,08 мм).

Застопорите болтом гайку крепления подшипников в пределах 49-68 Нм (5-7 кгс. м).

Установку передней оси на место производите в последовательности, обратной снятию.

После установки передней оси проверьте углы поворота колес.

Углы поворота регулируются путем вворачивания (выворачивания) упорного болта в резьбовые отверстия на поворотных кулаках.

Проверьте схождение колес.