Она обеспечивает поддержание оптимального температурного режима в кабине при снижении температуры окружающего воздуха
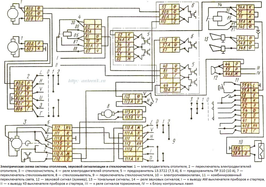
Электродвигатели 1 (рис. 1) нагнетают воздух, проходящий через радиатор отопления кабины
При установке электродвигателей следует обращать внимание на направление вращения их валов.
В системе отопления применяются реверсивные электродвигатели МЭ250.
При подсоединении положительного полюса источника к красному проводу вал электродвигателя имеет правое вращение, а отрицательного полюса —левое вращение.
Электродвигатели могут работать в двух режимах, включаясь параллельно или последовательно.
Управление режимами осуществляется с помощью клавишного переключателя 2, расположенного в кабине
Система звуковой сигнализации
Она включает пневматический и электрозвуковые сигналы 13 наружной сигнализации и звуковой сигнал 12 (зуммер) внутренней сигнализации, указывающий на аварийное падение давления в контурах пневмопривода тормозов автомобиля.
Звуковой пневмосигнал включается нажатием кнопки, расположенной справа на комбинированном переключателе // света.
При этом напряжение подается на электропневмоклапан 10, который открывает доступ воздуха из тормозного пневмопривода к сигналу.
При давлении воздуха в пневмосистеме 400...70 кПа звук должен быть чистым.
Электрозвуковые сигналы расположены под кабиной на передней поперечине рамы и включаются перемещением рукоятки комбинированного переключателя вверх; питание сигналов осуществляется через промежуточное реле 14, установленное на нижней панели приборов.
Зуммер, установленный под панелью, приборов, включен в цепь сигнализации падения давления в контурах пневмопривода тормозов.
С массой автомобиля сигнал 12 соединен через блок контрольных ламп и выключатели контрольных ламп падения давления воздуха в ресиверах; звучит он одновременно с загоранием любой из контрольных ламп, сигнализирующих о снижении давления воздуха в одном из контуров.
