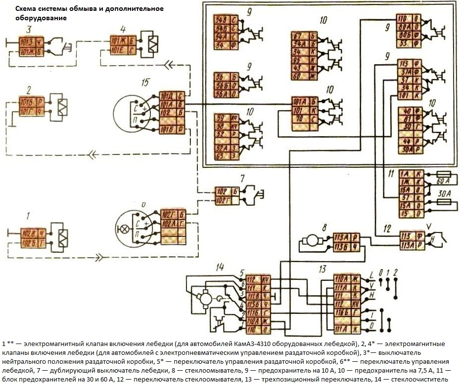
Система обмыва состоит из стеклоомывателя и переключателя 12, соединенных по однопроводной схеме (см. рис. 1.)
Электрическая схема защищена предохранителем типа ПР310
Дополнительное электрооборудование автомобилей КамАЗ
Схемы электрооборудования автомобилей КамАЗ-5320 и КамАЗ-55102 различаются наличием дополнительного электрооборудования механизма подъема платформы на автомобиле-самосвале КамАЗ-55102:
- - двух электромагнитных клапанов подъема и опускания платформы;
- - электромагнитного клапана распределителя гидросистемы;электромагнитного клапана коробки отбора мощности;
- - выключателя распределителя гидросистемы;переключателя механизма подъема платформы.
В отличие от автомобиля КамАЗ-55102 на автомобиле КамАЗ-5511 отсутствуют:
- - опознавательные фонари автопоезда и их выключатель;
- - розетка прицепа;
- - электропневмоклапан и пневматический звуковой сигнал;электромагнитный клапан распределителя гидросистемы и его переключатель.
На седельных тягачах по сравнению с бортовым автомобилем КамАЗ-5320 установлены дополнительно плафон освещения спального места и фара освещения седельно-сцепного устройства.
На автомобилях КамАЗ-4310 применен генератор переменного тока Г288 номинальной мощностью 1000 Вт.
Напряжение, вырабатываемое этим генератором, автоматически поддерживается отдельным регулятором (типа 1112.3702) напряжения.
Кроме того, на автомобилях повышенной проходимости, имеющих в своей трансмиссии раздаточную коробку и лебедку, для переключения передач в раздаточной коробке и включения коробки отбора мощности предусмотрена система дополнительного электрооборудования.
Электромагнитные клапаны 2 и 4, управляющие механизмом переключения передач в раздаточной коробке, включаются трехпозиционным переключателем 5 и выключателем 3 нейтрального положения.
Электрическое соединение выполнено по однопроводной схеме, за исключением электромагнитного клапана 4, отрицательный вывод которого соединен с массой через выключатель нейтрального положения раздаточной коробки.
Электромагнитный клапан 1, управляющий механизмом включения коробки отбора мощности, включается трехпозиционным переключателем 6.
Электрическое соединение выполнено по однопроводной схеме.
Электрические цепи систем переключения передач в раздаточной коробке и управления приводом лебедки защищены предохранителем типа 13.3722.
