Система охлаждения предназначена для обеспечения оптимального теплового режима работы двигателя

Система охлаждения двигателя жидкостная, закрытого типа, с принудительной циркуляцией охлаждающей жидкости (ОЖ)

К основным агрегатам и узлам системы охлаждения относятся: радиатор, вентилятор с вязкостной или гидравлической муфтой привода, кожух вентилятора, обечайка вентилятора, корпус водяных каналов, водяной насос, термостаты, каналы и соединительные трубопроводы для прохода охлаждающей жидкости.

Схема системы охлаждения с соосным коленчатому валу вентилятором и с вязкостной муфтой привода вентилятора приведена на рисунке 1

Во время работы двигателя циркуляция охлаждающей жидкости в системе создается водяным насосом 8.

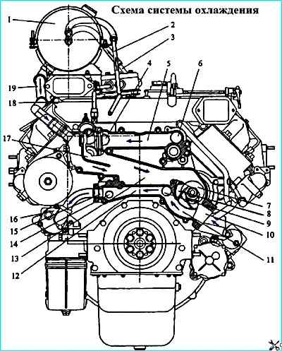
Схема системы охлаждения: 1 - расширительный бачок, 2 - пароотводящая трубка; 3 трубка отвода жидкости из компрессора; 4 канал выхода жидкости из правого ряда головок цилиндров: 5 - соединительный канал; 6 - канал выхода жидкости из левого ряда головок цилиндров; 7 - входная полость водяного насоса; 8 водяной насос, 9 канал входа жидкости в левый рад гильз цилиндров: 10 канал подвода жидкости в водяной насос из радиатора; 11 выходная полость водяного насоса; 12 соединительный канал; 13 перепускной канал из водяной коробки на вход водяного насоса; 14 канал входа жидкости в правый ряд гильз цилиндров; 15 канал отвода жидкости в теплообменник масляный; 16 теплообменник масляный; 17 - водяная коробка; 18 трубка подвода жидкости в компрессор; 19 перепускная труба

Охлаждающая жидкость из насоса 8 нагнетается в полость охлаждения левого ряда цилиндров через канал 9 и через канал 14 - в полость охлаждения правого ряда цилиндров.

Омывая наружные поверхности гильз цилиндров, ОЖ через отверстия в верхних привалочных плоскостях блока цилиндров поступает в полости охлаждения головок цилиндров.

Из головок цилиндров нагретая жидкость по каналам 4, 5 и 6 поступает в водяную коробку корпуса водяных каналов 17, из которой, в зависимости от температуры, направляется в радиатор или на вход насоса.

Часть жидкости отводится по каналу 15 в масляный теплообменник 16, где происходит передача тепла от масла в ОЖ.

Из теплообменника ОЖ направляется в водяную рубашку блока цилиндров в зоне расположения четвертого цилиндра.

Номинальная температура охлаждающей жидкости в системе при работе двигателя 75...98 °С.

Тепловой режим двигателя регулируется автоматически: двумя термостатами и вязкостной муфтой привода вентилятора, которые управляют направлением потока жидкости и работой вентилятора в зависимости от температуры ОЖ на выходе из двигателя и температуры воздуха на выходе из радиатора.

Корпус водяных каналов (рисунок 1) отлит из чугунного сплава и закреплен болтами на переднем торце блока цилиндров.

В корпусе водяных каналов отлиты входная 7 и выходная 11 полости водяного насоса, соединительные каналы 5 и 12, каналы 9 и 14, подводящие ОЖ в блок цилиндров, каналы 4 и 6, отводящие ОЖ из головок цилиндров, перепускной канал 13, канал 15 отвода ОЖ в масляный теплообменник, полости водяной коробки 17 для установки термостатов, канал 10 подвода ОЖ в водяной насос из радиатора.

Насос водяной: 1 корпус; 2 сальник; 3 крыльчатка; манжета уплотнительная; 5 кольцо скольжения; 6 - подшипник радиальный шарико-роликовый с валиком; 7 - шкив; 8 - кольцо упорное

Водяной насос (рисунок 2) центробежного типа, установлен на корпусе водяных каналов.

В корпус 1 запрессован радиальный двухрядный шарико-роликовый подшипник с валиком 6.

С обеих сторон торцы подшипника защищены резиновыми уплотнениями. Смазка в подшипник заложена заводом-изготовителем

Пополнение смазки в эксплуатации не требуется. Упорное кольцо 8 препятствует перемещению наружной обоймы подшипника в осевом направлении.

На концы валика подшипника напрессованы крыльчатка 3 и шкив 7.

Сальник 2 запрессован в корпус насоса, а его кольцо скольжения постоянно прижато пружиной к кольцу скольжения 5, которое вставлено в крыльчатку через резиновую манжету 4.

В корпусе насоса между подшипником и сальником выполнено два отверстия: нижнее и верхнее.

Верхнее отверстие служит для вентиляции полости между подшипником и сальником, а нижнее - для контроля исправности торцового уплотнения.

Подтекание жидкости из нижнего отверстия свидетельствует о неисправности уплотнения.

В эксплуатации оба отверстия должны быть чистыми, так как их закупорка приведет к выходу из строя подшипника.

Сальник водяного насоса: 1 корпус наружный; 2 - манжета; 3 пружина; 4 внутренний каркас; 5 - наружный каркас; 6 кольцо скольжения

Сальник водяного насоса (рисунок 3) состоит из латунного наружного корпуса 1, в который вставлена резиновая манжета 2

Внутри манжеты размещена пружина 3 с внутренним 4 и наружным 5 каркасами

Пружина поджимает кольцо скольжения 6

Кольцо скольжения изготовлено из графито-свинцового твердо-прессованного антифрикционного материала.

Вентилятор и муфта вязкостная привода вентилятора (рисунок 4).

Вентилятор с муфтой привода: 1 вентилятор; 2 муфта; 3 ступица; 4 - термобиметаллическая спираль

Девятилопастной вентилятор 1 диаметром 660 мм изготовлен из стеклонаполненного полиамида, ступица вентилятора 3 - металлическая.

Для привода вентилятора применяется автоматически включаемая муфта 2 вязкостного типа, которая крепится к ступице вентилятора 3.

Принцип работы муфты основан на вязкостном трении жидкости в небольших зазорах между ведомой и ведущей частями муфты. В качестве рабочей жидкости используется силиконовая жидкость с высокой вязкостью.

Муфта неразборная и не требует технического обслуживания в эксплуатации.

Включение муфты происходит при повышении температуры воздуха на выходе из радиатора до 61-67 °С. Управляет работой муфты термобиметаллическая спираль 4.

Вентилятор размещен в неподвижной кольцевой обечайке, жестко прикрепленной к двигателю

Кожух вентилятора, обечайка вентилятора способствуют увеличению расхода потока воздуха нагнетаемого вентилятором через радиатор.

Кожух вентилятора и обечайка вентилятора соединены кольцевым резиновым уплотнителем П-образного сечения.

Радиатор медно-паяный, для повышения теплоотдачи охлаждающие ленты выполнены с жалюзийными просечками, крепится боковыми кронштейнами через резиновые подушки к лонжеронам рамы, а нижней тягой к первой поперечине рамы.

Термостаты: 1 - датчик указателя температуры; 2 датчик сигнализатора аварийного перегрева; 3 - канал выхода жидкости из двигателя; 4 канал перепуска жидкости на вход водяного насоса: 5 коробка водяная; 6 - перепускной клапан; 7 - пружина перепускного клапана; 8 резиновая вставка; 9 - наполнитель; 10 баллон; 11 пружина основного клапана; 12 основной клапан; 13 - поршень; 14 корпус; 15 патрубок водяной; 16 прокладка

Термостаты (рисунок 5) позволяют ускорить прогрев холодного двигателя и поддерживать температуру ОЖ не ниже 75 °С путем изменения ее расхода через радиатор.

В водяной коробке 5 корпуса водяных каналов установлено параллельно два термостата с температурой начала открытия (80±2) °С.

При температуре ОЖ ниже 80 °С, основной клапан 12 прижимается к седлу корпуса 14 пружиной 11 и перекрывает проход ОЖ в радиатор.

Перепускной клапан 6 открыт и соединяет водяную коробку корпуса водяных каналов по перепускному каналу 4 с входом водяного насоса.

При температуре ОЖ выше 80 °С, наполнитель 9, находящийся в баллоне 10, начинает плавиться, увеличиваясь в объеме.

Наполнитель состоит из смеси 60 % церезина (нефтяного носка) и 40 % алюминиевой пудры.

Давление от расширяющегося наполнителя через резиновую вставку 8 передается на поршень 13, который, выдавливаясь наружу, перемещает баллон 10 с основным клапаном 12, сжимая пружину 11.

Между корпусом 14 и клапаном 12 открывается кольцевой проход для ОЖ в радиатор.

При температуре охлаждающей жидкости 93 °С происходит полное открытие термостата, клапан поднимается на высоту не менее 8,5 мм.

Одновременно с открытием основного клапана вместе с баллоном перемещается перепускной клапан 6, который перекрывает отверстие в водяной коробке корпуса водяных каналов, соединяющее ее с входом водяного насоса.

При понижении температуры ОЖ до 80 °С и ниже, под действием пружин 7 и 11 происходит возврат клапанов 12 и 6 в исходное положение.

Для контроля температуры ОЖ, на водяной коробке корпуса водяных каналов установлено два датчика температуры 1 и 2.

Датчик 1 выдает показания текущего значения температуры ОЖ на щиток приборов, датчик 2 служит сигнализатором перегрева ОЖ.

При повышении температуры до 98-104 °С на щитке приборов загорается контрольная лампа аварийного перегрева ОЖ.

Расширительный бачок I (рисунок 1) установлен на двигателе автомобилей КАМАЗ с правой стороны по ходу автомобиля.

Расширительный бачок соединен перепускной трубой 19 с входной полостью водяного насоса 13, пароотводящей трубкой 2 с верхним бачком радиатора и с трубкой отвода жидкости из компрессора 3.

Расширительный бачок служит для компенсации изменения объема ОЖ при ее расширении от нагрева, а также позволяет контролировать степень заполнения системы охлаждения и способствует удалению из нее воздуха и пара.

Расширительный бачок изготовлен из полупрозрачного сополимера пропилена.

Пробка расширительного бачка: 1 - корпус пробки; 2- тарелка пружины выпускного клапана; 3 – пружина выпускного клапана; 4 седло выпускного клапана; 5 пружина клапана впускного; 6 клапан впускной в сборе; 7 прокладка выпускного клапана; 8 - блок клапанов

На горловину бачка навинчивается пробка расширительного бачка (рисунок 6) с клапанами впускным 6 (воздушным) и выпускным (паровым).

Выпускной и впускной клапаны объединены в блок клапанов 8. Блок клапанов неразборный.

Выпускной клапан, нагруженный пружиной 3, поддерживает в системе охлаждения избыточное давление 65 кПа (0,65 кгс/см 2), впускной клапан 6, нагруженный более слабой пружиной 5, препятствует созданию в системе разряжения при остывании двигателя.

Впускной клапан открывается и сообщает систему охлаждения с окружающей средой при разряжении в системе охлаждения 1-13 кПа (0,01-0,13 кгс/см 2).

Заправка двигателя ОЖ производится через заливную горловину расширительного бачка. Перед заполнением системы охлаждения надо предварительно открыть кран системы отопления.

Для слива ОЖ следует открыть сливные краны нижнего колена водяного трубопровода, теплообменника и насосного агрегата предпускового подогревателя, и отвернуть пробку расширительного бачка.

Не допускается открывать пробку расширительного бачка на горячем двигателе, так как при этом может произойти выброс горячей ОЖ и пара из горловины расширительного бачка.

Эксплуатация автомобиля без пробки расширительного бачка не допускается.

Схема проверки натяжения ремней привода генератора и водяного насоса с расположением вентилятора по оси коленчатого вала: 1 шкив водяного насоса; 2- ремень поликлиновой; 3 шкив коленчатого вала; 4 - натяжной ролик; 5,8,11 болты; 6, 7, 10 гайки; 9 шкив генератора. F= 44,1 ± 5 H (4,5 ± 0,5 кгс).

Регулировку натяжения (рисунок 7) ремня поликлинового 2 привода генератора и водяного насоса для двигателей с расположением вентилятора по оси коленчатого вала выполнить следующим образом:

  • - ослабить болт 11 крепления задней лапы генератора, гайку 10 крепления передней лапы генератора, болт 8 крепления планки генератора, болт 5 крепления болта натяжного;
  • - перемещением гайки 6 обеспечить необходимое натяжение ремня; гайкой 7 зафиксировать положение генератора;
  • - затянуть болты 5, 8 и 11, затянуть гайку 10.

После регулировки проверить натяжение:

  • - правильно натянутый ремень 2 при нажатии на середину наибольшей ветви усилием 44,1 ± 5 Н (4,5 ± 0,5 кгс) должен иметь прогиб - 6...10 мм.

Комплектация двигателей с гидромуфтой

Для капотных автомобилей двигатель может комплектоваться гидромуфтой привода вентилятора, расположенной на 325 мм выше оси коленчатого вала.

Схема работы системы аналогична описанной выше, конструктивные особенности такой комплектации двигателя и его узлов видны на рисунках 8, 9, 10, 11.

Гидромуфта привода вентилятора (рисунок 8)

Гидромуфта привода вентилятора: 1 ступица вентилятора; 2 – вал шкива; 3 - манжета 740.1318166-01; 4 шкив; 5 корпус подшипника; 6 корпус-кронштейн; 7 кожух ведущего колеса; 8 подшипник 204; 9 - подшипник 207А; 10 уплотнитель; 11 крышка корпуса-кронштейна; 12 - колесо ведомое; 13 сливной патрубок; 14 колесо ведущее; 15 подшипник 114; 16 подшипник 305; 17 манжета 740.1318186-01; 18 - вал ведомого колеса

Для поддержания оптимального теплового режима двигателя и экономии топлива, привод вентилятора осуществляется через гидромуфту, включение и выключение которой происходит автоматически в зависимости от температуры жидкости в системе охлаждения двигателя.

Включатель гидромуфты: 1 - корпус включателя; 2 кольцо уплотнительное; 3 - пружина; 4 - вилка; 5 тяга; 6 рычаг коробки; 7 - крышка; 8 - шарик фиксирующий; 9 пробка; 10 - шарик; 11 - клапан термосиловой; 12 - шток

Частота вращения вентилятора зависит от количества масла, поступающего в гидромуфту через включатель (рисунок 9).

Он установлен в передней части двигателя на патрубке, подводящем охлаждающую жидкость к правому ряду цилиндров.

Тягой 5 пробка 9 может быть установлена в трех положениях, обозначенных метками на корпусе:

  • - положение О (крайнее левое) - вентилятор отключен независимо от температуры охлаждающей жидкости;
  • - положение П (среднее) - вентилятор включен постоянно, независимо от температуры охлаждающей жидкости;
  • - положение А (крайнее правое) - вентилятор работает в автоматическом режиме (основной режим).

При повышении температуры охлаждающей жидкости до 85...90 °С шток 12 термосилового клапана 11 перемещает шарик 10. Через сообщающиеся полости включателя масло подводится в полость гидромуфты.

Далее через каналы в ведущем валу масло поступает в межлопастное пространство и включает вентилятор, масло из рабочих полостей колес сливается через отверстия в кожухе.

При понижении температуры охлаждающей жидкости ниже 85 °С шарик 10 под действием возвратной пружины 3 перекрывает отверстие в клапане 11 и отключает вентилятор.

Благодаря этому, поддерживается наивыгоднейшая температура двигателя, а затраты мощности на привод вентилятора снижаются.

При отказе включателя гидромуфты во время работы в автоматическом режиме (характеризуется перегревом двигателя) принудительно включить вентилятор, установив пробку 9 в положение "П" и при первой возможности устранить неисправность включателя.

Насос водяной: 1 пылеотражатель; 2- шкив; 3 - подшипник 1160305; 4 - подшипник 1160304; 5 - корпус; 6 крыльчатка; 7 - сальник; 8 - кольцо упорное; 9 - кольцо уплотнительное; 10 валик; 11 манжета

Водяной насос, применяемый на двигателях с гидромуфтой, (рисунок 10) центробежного типа, установлен на передней части блока цилиндров слева.

Вал 10 вращается в подшипниках 3 и 4 с односторонним резиновым уплотнением.

Для дополнительной защиты от проникновения охлаждающей жидкости в подшипники установлена резиновая манжета 11.

Сальник 7 препятствует вытеканию охлаждающей жидкости из полости насоса. Сальник запрессован в корпус 5 насоса, а его графитовое кольцо постоянно прижато пружиной к упорному стальному кольцу 8.

Между упорным кольцом и крыльчаткой 6 установлено уплотнительное резиновое кольцо 9 в тонкостенной латунной обойме.

Высокое качество изготовления торцов графитового и упорного кольца обеспечивает надежное контактное уплотнение полости насоса.

Полость между подшипниками заполнена смазкой “Литол -24”, которую при эксплуатации периодически (при ТО-2) следует пополнять с помощью пресс - масленки до появления ее из контрольного отверстия.

Для проверки исправности торцового уплотнения в корпусе насоса имеется дренажное отверстие.

Заметная течь жидкости через это отверстие свидетельствует о неисправности уплотнения насоса.

Закупорка отверстия не допускается, так как приводит к выходу из строя подшипников.

Вентилятор осевого типа, металлический, восьмилопастный, диаметром 660 мм крепится четырьмя болтами к ступице вентилятора 1 ведомого вала гидромуфты (рисунок 8).

Схема проверки натяжения ремней для двигателей с гидромуфтой: 1 - планка генератора; 2- шкив генератора; 3 шкив гидромуфты; 4 - шкив водяного насоса; 5 шкив коленвала; 6 ролик натяжного приспособления; 7, 8 - болты крепления планки генератора; 9 гайка крепления генератора; 10 ремень привода генератора и водяного насоса; 11 ремень привода гидромуфты. При приложении усилия F=(44,1 ± 5)H (4,5 ± 0,5)кгс) на середину ветви «АБ» ремня величина прогиба «L» должна быть 6-10 мм

Регулировка натяжения поликлинового ремня для двигателей с расположением вентилятора выше оси коленчатого вала показано на рисунке 11.

Натяжение ремня привода гидромуфты 11 регулируется перемещением натяжного ролика 6.

Натяжения ремня 10 привода генератора и водяного насоса выполнить следующим образом:

  • - ослабить гайку 9 крепления генератора;
  • - ослабить болты 7 и 8, крепления планки генератора;
  • - переместив генератор, натянуть ремень;
  • - затянуть гайку 9, болты 7 и 8.

После регулировки проверить натяжение:

  • - правильно натянутый ремень при нажатии на середину наибольшей ветви усилием 44,1 ± 5 Н (4,5 ± 0,5 кгс) должен иметь прогиб - 6...10 мм.

Вид спереди двигателя 740.30-260 (автобусной комплектации): 1 - генератор; 2 - турбокомпрессор; 3 направляющий ролик; 4 - маслоуказатель; 5 шкив водяного насоса; 6 – патрубок маслоналивной; 7 ремень поликлиновый; 8 - шкив коленчатого вала; 9, 13 - болты; 10, 12 гайки; 11 болт натяжной

Регулировка натяжения поликлинового ремня для двигателей 740.30-260 автобусной комплектации (рисунок 12) проводить с помощью изменения положения генератора I в следующей последовательности:

  • - ослабить болты 9, 13, гайку стопорную 10 и гайку 12;
  • - переместить генератор 1 с помощью натяжного болта 11;
  • - затянуть болт 9, 13, гайку стопорную 10 и гайку 12.

После регулировки проверить натяжение:

  • - правильно натянутый ремень при нажатии на середину наибольшей ветви усилием 44,1 ± 5 Н (4,5 ± 0,5 кгс) должен иметь прогиб - 6...10 мм.