Установить ведомую полумуфту (рис. 1, 2) на муфту опережения (демпферную муфту) и закрепить болтами
Повернуть муфту так, чтобы бобышки ведомой полумуфты установились в горизонтальное положение, а метка на торце муфты находилась в зоне указателя
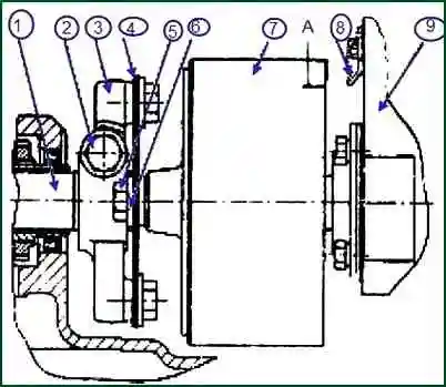
Установить фланец полумуфты в сборе с ведущей полумуфтой и пакетами пластин на вал привода, при этом выступ «а» на фланце полумуфты должен находиться с левой стороны, если смотреть на привод со стороны вентилятора.
Установить на двигатель топливный насос высокого давления с муфтой опережения (демпферной муфтой) в сборе и закрепить его болтами.
Перед затяжкой стяжного болта привода и после установки угла опережения впрыскивания отрегулировать плоскостность пакетов пластин путем перемещения фланца полумуфты по валу привода.
На блок цилиндров двигателя топливный насос устанавливать в вертикальном положении, болты крепления заворачивать равномерно, не допуская завала насоса.
Окончательный момент затяжки болтов крепления насоса 30-40 Нм (3-4 кгс.м).

Соединить секции насоса с форсунками топливопроводами высокого давления в порядке, показанном на рис. 3.
Отрегулировать угол опережения впрыскивания топлива. Смотрим статью Как отрегулировать впрыск топлива дизеля ЯМЗ-238
Проверить наличие масла в корпусах топливного насоса высокого давления и регулятора, при необходимости, долить масло до уровня отверстия под трубку отвода масла.
Подсоединить трубки подвода и отвода масла и топливопроводы.
После пуска двигателя подрегулировать минимальную частоту вращения холостого хода коленчатого вала следующим образом:
- 1. Ослабив контргайку, вывернуть корпус буферной пружины на 2-3 мм.
- 2. Болтом ограничения минимальной частоты вращения (рычаг управления должен упираться в этот болт) подрегулировать минимальную частоту вращения холостого хода до появления небольших колебаний частоты вращения коленчатого вала двигателя.
При ввертывании болта обороты двигателя увеличиваются, при вывертывании – уменьшаются.
- 3. Ввертывать корпус буферной пружины до исчезновения неустойчивости частоты вращения. Категорически запрещается ввертывать корпус буферной пружины до совмещения его торца с торцом контргайки.
После регулировки законтрить болт минимальной частоты вращения и корпус буферной пружины гайками.
Минимальную частоту вращения холостого хода можно подрегулировать также на новом двигателе в начальный период его эксплуатации.
Нарушать заводскую регулировку максимальных оборотов без последующей проверки на стенде в процессе эксплуатации категорически запрещается.