Для регулировки угла опережения впрыскивания топлива на картере маховика предусмотрены два люка (см. рис. 1), а на маховике в двух местах нанесены значения углов

Для нижнего указателя 3 эти значения выполнены на маховике в цифровом выражении, а для бокового указателя 4 – в буквенном выражении, при этом, букве "А" соответствует значение в цифровом выражении 20°; букве "Б"-15°; букве "В"-10°; букве "Г"- 5°.

Совмещение рисок на маховике с указателями картера маховика; 1 - картер; 2 - маховик; 3, 4 - указатели картера маховика; 5 - пробка верхнего люка; А - направление вращения коленчатого вала

Вращать коленчатый вал двигателя по часовой стрелке (если смотреть со стороны вентилятора) до совмещения меток на шкиве коленчатого вала и крышке шестерен распределения или на маховике с указателем, соответствующих установочному углу опережения впрыскивания топлива – 6º-7º.

При этом клапаны в 1-ом цилиндре должны быть закрыты.

Проворачивание коленчатого вала

Вращать коленчатый вал можно ключом за болт крепления шкива коленчатого вала или ломиком за отверстия в маховике (рис. 2) при снятой крышке люка картера маховика.

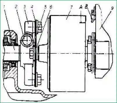
Привод топливного насоса высокого давления двигателей ЯМЗ-238БЕ2 и ЯМЗ-238ДЕ2: 1 - ведущая полумуфта; 2 - болт клеммового соединения; 3 - фланец полумуфты; 4 - пластины привода; 5 - болты крепления пластин привода; 6 - шайбы; 7 - демпферная муфта; 8 - указатель; 9 - топливный насос высокого давления; А - метка на демпферной муфте

В момент совмещения меток должны совместиться метка «А» на торце муфты с острием указателя (рис. 3) или с риской «Б» на указателе (рис. 4). Если метки не совместились необходимо произвести регулировку.

Порядок регулировки угла опережения впрыскивания топлива двигателей ЯМЗ-238БЕ2 и ЯМЗ-238ДЕ2 (рис. 3):

  • - ослабить затяжку болта 2 клеммового соединения: фланец 3 – ведущая полумуфта 1;
  • - поворотом демпферной муфты совместить метку на муфте с острием указателя 8;
  • - не сбивая совмещенного положения меток, затянуть болт клеммового соединения моментом 16-18 кгс·м.

При этом отклонение пакета пластин от положения в одной плоскости должно быть в пределах ±1 мм.

Замер производить вблизи мест крепления пластин.

В случае появления гофр на пластинах 4, их устранение производится путем поочередного ослабления и последующей затяжки моментом 11-12,5 кгс·м четырех болтов 5 крепления пластин к фланцу полумуфты и к демпферной муфте;

- проверить правильность установки угла опережения впрыскивания.

Порядок регулировки угла опережения впрыскивания топлива двигателей ЯМЗ-238БЕ и ЯМЗ-238ДЕ (рис. 4):

Привод топливного насоса высокого давления двигателей ЯМЗ-238БЕ и ЯМЗ-239ДЕ: 1 - вал привода; 2 - пластины привода; 3 - ведущая полумуфта; 4 - болты; 5 - болт клеммового соединения; 6 - болты; 7 - полумуфта ведомая; 8 - муфта опережения впрыскивания топлива; 9 - топливный насос высокого давления; А - метка на муфте; Б - метка на указателе
  • - проверить плотность посадки полумуфты 3 на валу привода 1 и затяжку клеммового болта 5 (момент затяжки 43,2-58,9 Н·м (4,4-6 кгс·м));
  • - отвернуть (ослабить) два болта 4 и поворотом муфты опережения за счет овальных отверстий на фланце полумуфты совместить метки «А» и «Б»;
  • - не сбивая совмещенного положения меток, затянуть болты 4 привода моментом затяжки 43,2-58,9 Нм (4,4-6 кгс·м).

При этом отклонение пакета пластин от положения в одной плоскости должно быть в пределах ±1 мм. Замер производить вблизи мест крепления пластин;

- провернув коленчатый вал, проверить правильность установки угла опережения впрыскивания.

Несовпадение рисок должно быть не более одного деления или 1º поворота коленчатого вала.

Проверить наличие масла в муфте опережения впрыскивания топлива (ЯМЗ-238БЕ и ЯМЗ-238ДЕ), и, при необходимости, долить масло.

Для контроля установить муфту отверстиями в верхнее положение и вывернуть пробки.

При медленном повороте муфты на 70º из одного отверстия должно начать вытекать масло. После доливки масла пробки завернуть.