Регулировка скоростного режима Д-245

Для регулировки скоростного режима ТНВД надо выполнить следующее:

Присоединить трубки высокого и низкого давления на установленный на стенд насос.

Вывернуть жесткий упор 60 (см. рис.1) до начала движения рычага промежуточного в сторону выключения подачи с последующим дополнительным  вывертыванием на 0,5 оборота. 

Включить мотор стенда и убедиться в отсутствии  течи в местах соединений топливопроводов.

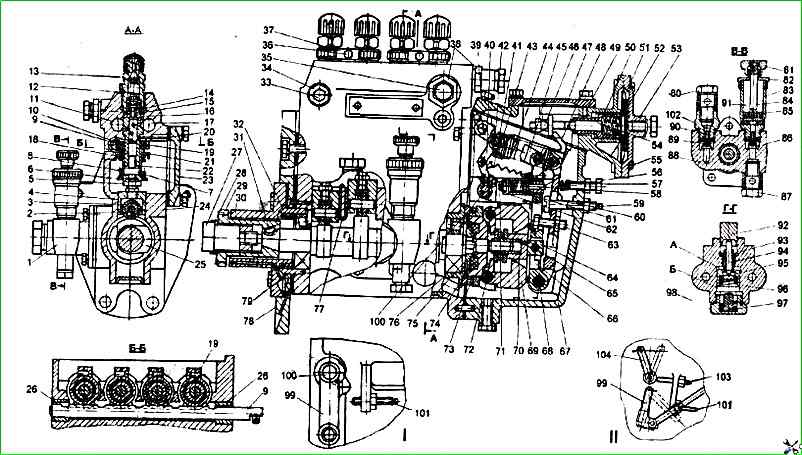
Топливный насос высокого давления: I – вариант однорычажного ТНВД; II – вариант двухрычажного ТНВД; 1 – топливоподкачивающий насос; 2 – втулка ролика-толкателя; 3 – ролик толкателя; 4 – толкатель плунжера; 5 – регулировочный болт толкателя с контргайкой; 6 – нижняя тарелка; 7 – хвостовик плунжера; 8 – пружина плунжера; 9 – рейка; 10 – зубчатый венец; 11 – канал отвода топлива; 12 – пружина; 13 – штуцер; 14 – нагнетательный клапан; 15 – прокладка; 16 – седло нагнетательного клапана; 17 – канал подвода топлива; 18 – втулка плунжера; 19 – стяжной винт; 20 – штифт; 21 – верхняя тарелка; 22 – поворотная гильза плунжера; 23 – крышка; 24 – корпус ТНВД; 25 – кулачковый вал; 26 – гайка рейки; 27 – гайка; 28 – шайба; 29 – шлицевая втулка; 30  - фланец установочный; 31 – шпонка; 32 – пружина; 33 – пробка выпуска воздуха; 34 – футорка; 35 – перепускной клапан; 36 – болт; 37 – зажим; 38, 102 – футорки; 39 – корпус корректора по наддуву; 40 – рычаг пружины; 41 – пружина пускового обогатителя; 42 – палец; 43 – серьга; 44 – пружина регулятора; 45 – тяга рейки; 46 – упор; 47 – крышка корректора по наддуву; 48 – основной рычаг регулятора; 49 – штифт; 50 – втулка; 51 – диафрагма; 52 – тарелка; 53 – крышка корректора по наддуву; 54 – шток; 55 – винт; 56 – болт; 57 – пружина холостого хода; 58 – шток корректора; 59 – регулировочные прокладки; 60 – жесткий упор; 61 – корпус корректора; 62 – скоба; 63 – болт; 64 – пята; 65 – ось промежуточного рычага; 66 – промежуточный рычаг; 67 – корпус регулятора частоты вращения; 68 – ось рычагов; 69 – груз; 70 – муфта регулятора; 71 – регулирующий винт; 72 – ось грузов; 73 – ступица; 74 – упругий привод с резиновыми элементами; 75 – шайба упорная; 76 – стакан подшипника; 77 – пластинчатый фиксатор; 78 – плита крепления насоса; 79 – подшипник; 80 – болт угольника; 81 – рукоятка-гайка; 82 – крышка; 83 – вертикальный цилиндр; 84 – шток; 85 – поршень топливоподкачивающего насоса; 86 – впускной капроновый клапан; 87 – поворотный угольник; 88 – корпус; 89, 96 – пружины; 90 – нагнетательный клапан; 91 – топливопрокачивающий насос; 92 – толкатель; 93 – направляющая втулка; 94 – стержень; 95 – поршень топливопрокачивающего насоса; 97 – упор; 98 – пробка; 99 – рычаг управления подачей топлива; 100 – валик рычага управления; 101 – винт регулировки максимальной частоты вращения; 103 – винт регулировки рычага останова двигателя; 104 – рычаг останова двигателя

Довести частоту вращения кулачкового вала насоса выше номинальной на 200 мин -1 и убедиться в отсутствии стуков в насосе и регуляторе.

Отрегулировать начало действия регулятора, для чего необходимо поставить рычаг управления в положение максимальной подачи и закрепить его.

Частота вращения, соответствующая началу действия регулятора, определяется путем сравнения цикловых подач, измеренных при последовательном увеличении на 5 оборотов частоты вращения, начиная с номинальной.

За частоту вращения начала действия регулятора следует принимать частоту вращения кулачкового вала, после увеличения которой на 5 оборотов цикловая подача снижается более чем на 2,5 мм 3 цикл. Частота вращения начала действия регулятора - 1210+5  мин -1.

Начало действия регулятора регулируется винтом максимальных оборотов, ввернутым в прилив корпуса регулятора.

Винт ограничивает перемещение рычага управления подачей топлива. Регулировочный винт фиксируется контргайкой и пломбируется.

Ввертывание регулировочного винта максимальных оборотов уменьшает частоту вращения начала, вывертывание увеличивает частоту вращения.

В случае затруднения регулировки начала действия регулятора описанным способом можно пользоваться изменением положения жесткого упора или изменением длины пружины регулятора – изменением числа рабочих витков при помощи серьги.

При этом конечные витки пружины должны быть продеты не менее чем через два отверстия.

После регулировки момента начала действия регулятора тщательно законтрить регулировочный винт максимальных оборотов и жесткий упор гайками. Максимальная частота вращения холостого хода - 1250±5 мин -1.

Полное выключение подачи топлива через форсунки - не более 1350 мин -1.

Регулировка максимального холостого хода производится ввертыванием или вывертыванием пружины регулятора из серьги, при этом необходимо заново отрегулировать начало действия регулятора.

Проверить полное выключение подачи топлива через форсунки, которое должно быть при частоте вращения кулачкового вала насоса не более 1350 мин -1.

Допускается истечение топлива через форсунки в количестве не более 1/4 подачи холостого хода при максимально допустимой частоте вращения для автоматического выключения регулятором подачи топлива.