На автомобилях ЗИЛ-5301 установлен комбинированный пневмогидравлический тормоз­ной привод с двумя независи­мыми гидравлическими  пневматическими контурами, разде­ленными по двум контурам до июля 2001 г вариант 1 (рис. 1а), а в настоящее время - ва­риант 2 (рис. 1б)

На автобусах АМО ЗИЛ ус­тановлен комбинированный пневмогидравлический тормоз­ной привод с двумя независимыми гидравлическим и пнев­матическим контурами и системой АБС.

По заказу покупате­лей АБС устанавливается и на автомобили ЗИЛ-5301.

Схема тормозного привода автобуса показана рис. 2.

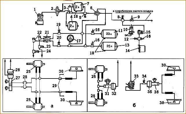
Схема тормозного привода автомобиля ЗИЛ-5301:  а - вариант для автомобилей выпуска до июля 2001г.; б - вариант с контурами, разделенными по мостам (с июля 2001г.)

Схема тормозного привода автомобиля ЗИЛ-5301:  а - вариант для автомобилей выпуска до июля 2001г.; б - вариант с контурами, разделенными по мостам (с июля 2001г.); 1 - компрессор; 2 - регулятор давления пневмопривода; 3 - влагомаслоотделитель; 4 - регенерационный баллон; 5,8, 12, 23, 24, 33 и 34 - клапаны контрольного вывода; 6 - тройной защитный клапан; 7 компенсационный баллон; 9 - одинарный защитный клапан; 10 - кран стояночной тормозной системы; 11 и 13 - воздушные баллоны; 14 – пружинный энергоаккумулятор привода стояночной тормозной системы; 15 - клапан быстрого оттормаживания; 16 - пневмоэлектрические датчики падения давления; 17 - двухстрелочныи манометр рабочей тормозной системы; 18 - краны слива конденсата из воздушных баллонов; 21 - двухсекционный кран рабочей тормозной системы; 22 - выключатели сигнала торможения; 25 - скоба с гидроцилиндрами тормоза переднего моста; 26 - двухполостная тормозная камера; 27 -двухсекционный главный тормозной цилиндр; 28 - сигнальное устройство; 29 - регулятор давления гидропривода; 30 -рабочие гидроцилиндры тормоза заднего, моста; 31 - главный тормозной цилиндр передней оси; 32- пневмокамера передней оси; 33 - регулятор тормозных сил пневмопривода; 35 - пневмокамера колес заднего моста; 36 – главный тормозной цилиндр колес заднего моста.

Схема тормозного привода автобуса и автомобилей ЗИЛ-5301 с АБС

Схема тормозного привода автобуса и автомобилей ЗИЛ-5301 с АБС: 1-компрессор;2 -регулятор давления пневмопривода; 3 - влагомаслоотделитель; 4 - регенерационный баллон; 5, 15, 32, 33, 34, , 35, 36, 37, 38, 39 и 40 - клапаны контрольного вывода; 6 - компенсационный баллон; 7 - краны слива конденсата; 8 - тройной защитный клапан; 9 - одинарный защитный клапан; 10 - кран стояночной тормозной системы; 11 и 13 - воздушные баллоны; 12 - пневмоэлектрические датчики падения давления; 14 - пружинный энергоаккумулятор привода стояночной тормозной системы; 16 - двухстрелочный манометр рабочей тормозной системы; 17 - двухсекци­онный кран рабочей тормозной системы; 18 - выключатели сигнала торможения; 19 - скоба с гидроцилиндрами тормоза переднего моста; 20 - главный тормозной цилиндр передней оси; 21 - пневмокамера передней оси; 22 - модулятор передней оси; 23 - регулятор тормозных сил; 24 - модулятор правого колеса заднего моста; 25 - модулятор левого колеса заднего моста; 26 - пневмокамера правого колеса заднего моста; 27 - пневмокамера правого колеса заднего моста; 28 - главный тормозной цилиндр правого колеса заднего моста; 29 - главный тормозной цилиндр левого колеса заднего моста; 30 - рабочие гидроцилиндры тормоза заднего моста; 31 - клапан быстрого оттормаживания