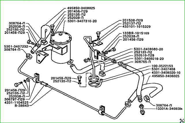
В статье показан рисунок деталей трубопроводов и шлангов низкого и высокого давления гидроусилителя руля.

Каждая деталь под номером каталога запасных частей

Смотрим по рисунку и в таблице указана расшифровка детали.

рис. 1. Детали сборки трубопроводов гидроусилителя руля ЗИЛ-5301 по каталогу запасных частей

Детали сборки трубопроводов гидроусилителя руля ЗИЛ-5301 по каталогу

№ детали Наименование детали

  • 100-3522153 Кольцо уплотнительное
  • 13301А-3408084 Трубка шланга высокого давления гидроусилителя
  • 133ВЯ-1015169 Кронштейн соединительной трубы
  • 201456-П29 Болт
  • 201458-П29 Болт
  • 201538-П29 Болт
  • 250510-П29 Гайка
  • 252038-П Шайба
  • 252135-П2 Шайба пружинная
  • 252137-П2 Шайба пружинная
  • 306797-П29 Хомут
  • 308764-П Хомут в сборе
  • 308765-П Хомут
  • 4331-1104525 Втулка защитная хомута крепления топливопровода
  • 4331-3408020-10 Шланг высокого давления насоса
  • 433101-1015329 Кронштейн крепления хомута
  • 495850-3408025 Шланг низкого давления
  • 5301-3407232 Стойка бачка
  • 5301-3407310-20 Бачок насоса гидроусилителя руля в сборе
  • 5301-3407468 Фланец всасывающего отверстия трубкой в сборе
  • 5301-3408016-20 Шланг всасывающий насоса
  • 5301-3408080-20 Трубка шланга высокого давления насоса
  • В-38643 Трубка шланга низкого давления