Регулятор давления гидро­привода на автомобилях с раз­делением привода по бортам

Регулятор тормозных сил гидропривода предназначен для корректиро­вания давления тормозной жид­кости при торможении автомо­биля, с целью предотвращения блокировки задних колес при частичной загрузке автомобиля

Регулятор закреп­лен на лонжероне рамы автомо­биля и нагрузочным стержнем реагирует на нагрузку воспринимаемую задним мостом авто­мобиля.

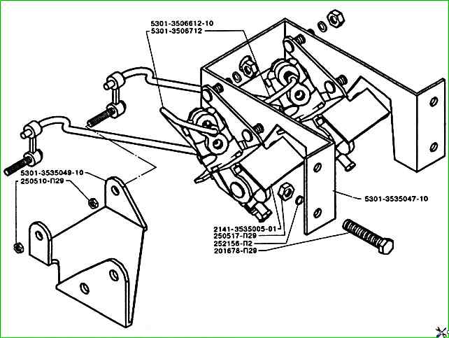
На рисунке представлены места установки деталей и их обозначения по каталогу запасных частей.

Смотрим по рисунку и в таблице указана расшифровка детали.

рис. 1. Установка регулятора тормозных сил 

Детали установки регулятора тормозных сил автомобиля ЗИЛ-5301 по каталогу:

№ детали Наименование детали

  • 201678-П29 Болт
  • 2141-3535005-01 Регулятор давления со стержнем в сборе
  • 250510-П29 Гайка
  • 250517-П29 Гайка
  • 252156-П2 Шайба пружинная
  • 5301-3506612-10 Трубка от регулятора давления к тормозному шлангу в сборе
  • 5301-3506712 Трубка от регулятора давления к тормозному крану в сборе
  • 5301-3535047-10 Кронштейн регулятора давления
  • 5301-3535049-10 Кронштейн тяги регулятора