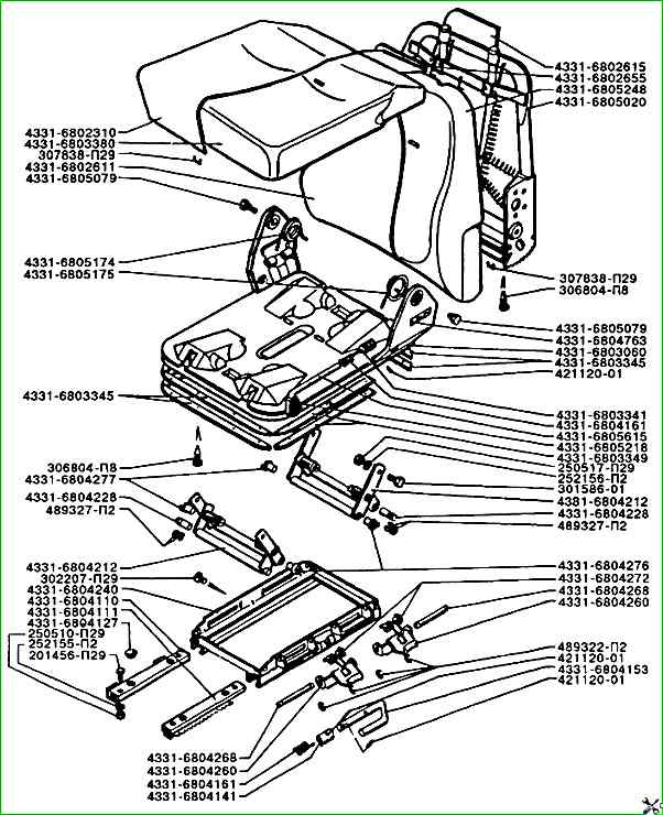
Сиденье водителя автомобиля ЗИЛ-5301

На рисунке представлены места установки деталей и их обозначения по каталогу запасных частей.

Смотрим по рисунку и в таблице указана расшифровка детали.

Рис. 1. Сиденье водителя ЗИЛ-5301 каталог

Детали сиденья водителя автомобиля ЗИЛ-5301 по каталогу

201456-П29 Болт

252156-П2 Шайба пружинная

307838-П29 Скрепка

4331-6802610 Обивка спинки в сборе

4331-6802650 Лента обивки спинки

4331-6803341 Рейка регулировки наклона спинки

4331-6804110 Направляющая продольного перемещения нижняя правая в сборе

4331-6804153 Привод стопора

4331-6804228  Вкладыш-фиксатор передний правый

4331-6804272  Пружина гребенки стопора

4331-6804763  Эмблема

4331-6805174  Пружина спинки правая

4331-6805615 Рычаг регулировки наклона спинки

250510-П29 Гайка

301586-01 Ось

421120-01  Штифт

4331-6802611 Обивка спинки передняя

4331-6802655 Прошва

4331-6803345  Кардель основания подушки передняя

 4331-6804111 Направляющая продольного перемещения нижняя левая в сборе

4331-6804161 Пружина стопора

4331-6804240 Основание механизма регулировки в сборе 

4331-6804276 Втулка-фиксатор правая

4331-6805010 Спинка сиденья водителя в сборе

4331-6805175 Пружина спинки левая  

489322-П2   Кольцо стопорное

250517-П29 Гайка

302207-П29  Винт

4331-6800012 Сиденье водителя в сборе

4331-6802615 Обивка спинки задняя

4331-6803012 Каркас основания подушки в сборе

4331-6803349 Кардель основания подушки

4331-6804127 Вкладыш механизма продольного перемещения

4331-6804210 Механизм регулировки в сборе

4331-6804260 Гребенка стопора

4331-6804277 Втулка-фиксатор левая

4331-6805020 Основание спинки в сборе

4331-6805218 Ручка регулировки наклона

489327-П2 Кольцо упорное

252155-П2 Шайба пружинная   

306804-П8 Гвоздь специальный

4331-6802310 Обивка подушки сиденья

4331-6802631 Обивка спинки боковая   

4331-6803060 Каркас основания подушки

4331-6803380 Матрац формовой подушки

4331-6804141 Стопор механизма продольного перемещения

4331-6804212 Механизм направляющих рычагов в сборе

4331-6804268  Ось гребенки стопора

4331-6804278 Проставка 

4331-6805079 Ось наклона спинки

4331-6805248 Подушка спинки