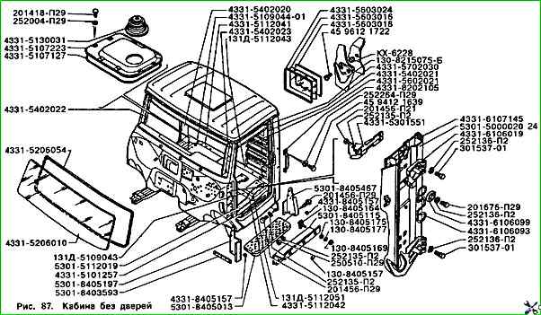
Кабина без дверей ЗИЛ-5301 (каталог)

На рисунке представлены места установки деталей и их обозначения по каталогу запасных частей.

Смотрим по рисунку и в таблице указана расшифровка детали.

Кабина без дверей

Детали кабины ЗИЛ-5301 по каталогу

Номер по каталогу. Наименование детали

130-8215075-Б Крючок

130-8405157 Буфер

130-8405164 Прижим щитка подножки в сборе

130-8405169 Гайка

130-8405175 Прокладка щитка подножки

130-8405177 Кольцо прижимное

131Д-5109043 Ковер пола задний левый

131Д-5112043 Шумоизоляция пола под сиденьями задняя левая

131Д-5112051 Шумоизоляция пола под сиденьями передняя

13301А-5312026 Термошумоизоляция панели передка

201418-П29 Болт

201420-П29 Болт

201456-П29 Болт

201676-П29 Болт

250508-П29 Гайка

250510-П29 Гайка

252004-П29 Шайба

252135-П2 Шайба пружинная

252136-П2 Шайба пружинная

252154-П2 Шайба пружинная

252264-П29 Шайба

301537-01 Болт

4331-5101257 Облицовка порога двери

4331-5107127 Прокладка крышки люка

4331-5107208 Крышка люка в сборе