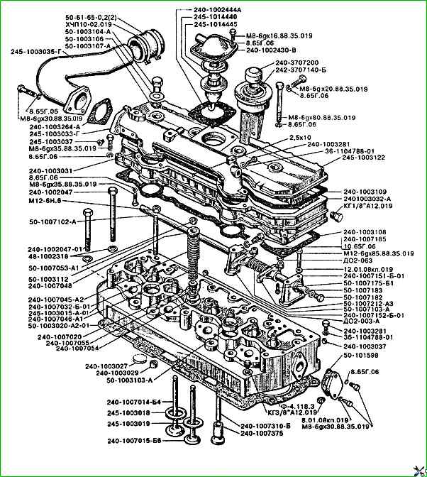
На рисунке представлены места установки деталей и их обозначения по каталогу запасных частей.

Смотрим по рисунку и в таблице указана расшифровка детали.

рис. 1. Детали головки блока цилиндров двигателя Д-245 по каталогу

Детали головки блока цилиндров ЗИЛ-5301 по каталогу

№ детали Название детали

  • 10.65Г.06 Шайба
  • 12.01.08кп.019 Шайба
  • 2,5х10 Штифт
  • 240-1002047 Болт
  • 240-1002047-01 Болт
  • 240-1002430-В Корпус сапуна
  • 240-1002444-А Прокладка
  • 240-1003027 Заглушка
  • 240-1003029 Втулка
  • 240-1003031 Прокладка
  • 240-1003032-А Крышка головки цилиндров
  • 240-1003037 Заглушка
  • 240-1003108 Прокладка
  • 240-1003109 Прокладка
  • 240-1003264-А Прокладка
  • 240-1003281 Пробка
  • 240-1007014-Б4 Клапан впускной
  • 240-1007015-Б6 Клапан выпускной
  • 240-1007020 Манжета уплотнительная
  • 240-1007032-Б-01 Втулка
  • 240-1007045-А2 Пружина клапана наружная
  • 240-1007046-А1 Пружина клапана внутренняя
  • 240-1007048 Тарелка пружин клапана
  • 240-1007054 Шайба пружины клапана нижняя
  • 240-1007055 Шайба пружины клапана верхняя
  • 240-1007151-Б-01 Стойка оси коромысел крайняя
  • 240-1007152-Б-01 Стойка оси коромысел средняя
  • 240-1007185 Фиксатор
  • 240-1007310-Б Штанга
  • 240-1007375 Толкатель
  • 240-3707200 Пробка
  • 242-3707140-Б Бачок
  • 245-1003011-01 Головка цилиндров в сборе
  • 245-1003015-А-01 Головка цилиндров
  • 245-1003018 Седло клапана впускного
  • 245-1003019 Седло клапана выпускного
  • 245-1003030-Г Крышка головки цилиндров в сборе
  • 245-1003033-Г Коллектор
  • 245-1003035-Г Патрубок
  • 245-1003037 Футорка
  • 245-1003122 Колпак
  • 245-1014440 Стакан
  • 245-1014445 Маслоотражатель
  • 245-3707220-А-01 Бачок с пробкой в сборе
  • 36-1104788-01 Прокладка
  • 48-1002318 Шайба
  • 50-1003020-А2-01 Прокладка головки
  • 50-1003103-А Стакан
  • 50-1003104-А Гайка колпака
  • 50-1003106 Шайба
  • 50-1003107-А Кольцо
  • 50-1003112 Шпилька стойки
  • 50-1007053-А1 Сухарь клапана
  • 50-1007102-А Ось
  • 50-1007103-А Пружина оси коромысел
  • 50-1007170-Б Винт регулировочный с гайкой в сборе
  • 50-1007175-Б1 Винт регулировочный
  • 50-1007182 Пробка оси коромысел
  • 50-1007183 Шайба пробки
  • 50-1007212-А3 Коромысло
  • 50-1015598 Прокладка
  • 50-61-65-0,2(2) Рукав-деталь
  • 8.01.08кп.019 Шайба
  • 8.65Г.06 Шайба
  • ДО2-003-А Заглушка
  • ДО2-063 Гайка
  • КГ1/8"А12.019 Пробка
  • КГ3/8"А12.019 Пробка
  • М12-6gх85.88.35.019 Болт
  • М12-6Н.6 Гайка
  • М8-6gх16.88.35.019 Болт
  • М8-6gх20.88.35.019 Болт
  • М8-6gх30.88.35.019 Болт
  • М8-6gх35.88.35.019 Болт
  • М8-6gх80.88.35.019 Болт
  • Ф-4.118.3 Кольцо
  • ХЧП10-02.019 Хомут