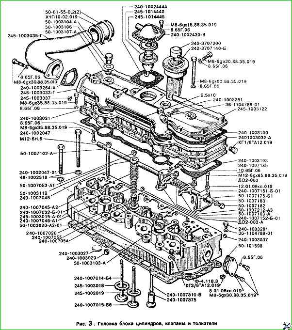
Головка цилиндров представляет собой чугунную отливку, во внутренних полостях которой имеются впускные и выпускные каналы, закрываемые клапанами

Впускные каналы - с винтовым профилем.

Для обеспечения отвода тепла головка цилиндров имеет внутренние полости, в которых циркулирует охлаждающая жидкость

Головка цилиндров имеет вставные седла клапанов, изготовленные из жаропрочного и износостойкого сплава.

На головке цилиндров сверху устанавливаются стойки, ось коромысел с коромыслами, крышка головки, впускной коллектор и колпак крышки,  закрывающий клапанный механизм.

С левой стороны (со стороны топливного насоса)  в головке установлены четыре форсунки, а с правой стороны к головке крепится выпускной коллектор.

Для уплотнения разъема между головкой и блоком цилиндров установлена прокладка из безасбестового полотна, армированного перфорированным стальным листом.

Отверстия в прокладке для гильз цилиндров окантованы листовой сталью.

При сборке дизеля на заводе цилиндровые отверстия прокладки дополнительно окантовываются фторопластовыми разрезными кольцами.

Рис. 1. Головка блока цилиндров, клапаны и толкатели

Наименование деталей на картинке:

  • - 10.65Г.06 Шайба 
  • - 12.01.08кп.019 Шайба 
  • - 2,5х10 Штифт
  • - 240-1002047 Болт
  • - 240-1002047-01 Болт
  • - 240-1002430-В Корпус сапуна
  • - 240-1002444-А Прокладка
  • - 240-1003027 Заглушка
  • - 240-1003029 Втулка
  • - 240-1003031 Прокладка
  • - 240-1003032-А Крышка головки цилиндров
  • - 240-1003037  Заглушка
  • - 240-1003108 Прокладка
  • - 240-1003109 Прокладка 
  • - 240-1003264-А Прокладка
  • - 240-1003281 Пробка
  • - 240-1007014-Б4 Клапан впускной
  • - 240-1007015-Б6 Клапан выпускной
  • - 240-1007020 Манжета уплотнительная
  • - 240-1007032-Б-01 Втулка
  • - 240-1007045-А2 Пружина клапана наружная
  • - 240-1007046-А1 Пружина клапана внутренняя
  • - 240-1007048 Тарелка пружин клапана
  • - 240-1007054 Шайба пружины клапана нижняя
  • - 240-1007055 Шайба пружины клапана верхняя
  • - 240-1007151-Б-01 Стойка оси коромысел крайняя
  • - 240-1007152-Б-01 Стойка оси коромысел средняя
  • - 240-1007185 Фиксатор
  • - 240-1007310-Б Штанга 
  • - 240-1007375 Толкатель
  • - 240-3707200 Пробка
  • - 242-3707140-Б Бачок
  • - 245-1003011-01 Головка цилиндров в сборе
  • - 245-1003015-А-01 Головка цилиндров
  • - 245-1003018 Седло клапана впускного
  • - 245-1003019 Седло клапана выпускного
  • - 245-1003030-Г Крышка головки цилиндров в сборе
  • - 245-1003033-Г Коллектор
  • - 245-1003035-Г Патрубок
  • - 245-1003037 Футорка
  • - 245-1003122 Колпак 
  • - КГ3/8"А12.019 Пробка
  • - М12-6gх85.88.35.019 Болт
  • - М12-6Н.6 Гайка
  • - М8-6gх16.88.35.019 Болт
  • - М8-6gх20.88.35.019 Болт
  • - М8-6gх30.88.35.019 Болт
  • - М8-6gх35.88.35.019 Болт
  • - М8-6gх80.88.35.019 Болт
  • - Ф-4.118.3 Кольцо
  • - ХЧП10-02.019 Хомут 
  • - 245-1014440 Стакан
  • - 245-1014445 Маслоотражатель
  • - 245-3707220-А-01 Бачок с пробкой в сборе
  • - 36-1104788-01 Прокладка
  • - 48-1002318 Шайба
  • - 50-1003020-А2-01 Прокладка головки
  • - 50-1003103-А Стакан
  • - 50-1003104-А Гайка колпака
  • - 50-1003106 Шайба
  • - 50-1003107-А  Кольцо
  • - 50-1003112 Шпилька стойки
  • - 50-1007053-А1 Сухарь клапана
  • - 50-1007102-А Ось
  • - 50-1007103-А Пружина оси коромысел 
  • - 50-1007170-Б  Винт регулировочный с гайкой в сборе
  • - 50-1007175-Б1 Винт регулировочный
  • - 50-1007182 Пробка оси коромысел
  • - 50-1007183  Шайба пробки
  • - 50-1007212-А3 Коромысло
  • - 50-1015598 Прокладка
  • - 50-61-65-0,2(2) Рукав-деталь
  • - 8.01.08кп.019 Шайба
  • - 8.65Г.06 Шайба
  • - ДО2-003-А Заглушка
  • - ДО2-063 Гайка
  • - КГ1/8"А12.019 Пробка

Коромысла клапанов - стальные, качаются на оси, установленной на четырех стойках.

Крайние стойки - повышенной жесткости.

Ось коромысел полая, имеет восемь радиальных отверстий для подвода масла к коромыслам.

Перемещение коромысел вдоль оси ограничивается распорными пружинами.

Впускные и выпускные клапаны изготовлены из жаропрочной стали.

Они перемещаются в направляющих втулках,  запрессованных в головку цилиндров.

Каждый клапан закрывается под действием двух пружин: наружной и внутренней, которые воздействуют на клапан через тарелку и сухарики.