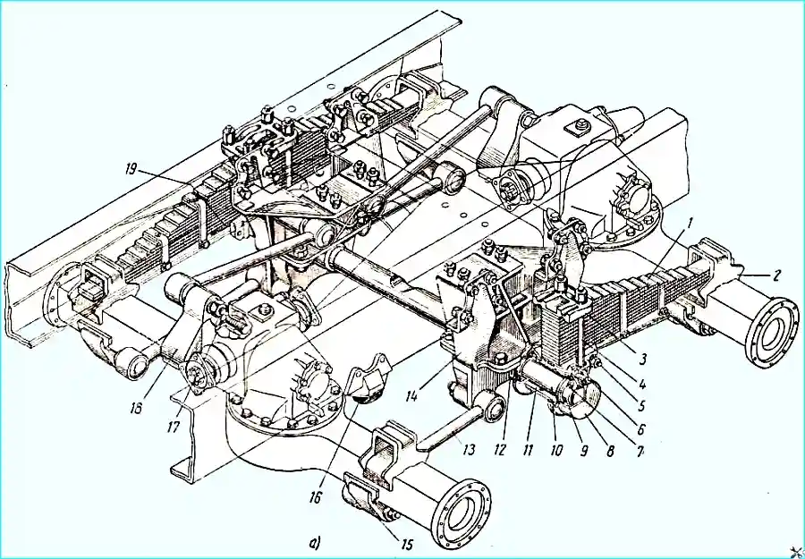
Передняя подвеска состоит из двух продольных полуэллиптических рессор и двух телескопических амортизаторов

Рессоры 2 автомобилей, оборудованных лебедкой, имеют 17 листов, а рессоры автомобилей без лебедки — 15 листов.

Передние концы рессор с помощью отъемных ушков 32 и пальцев 28 закреплены к кронштейнам 1 рамы.

Ушко прикреплено к рессоре через подкладку 30 двумя болтами, стремянкой; от смещений рессора удерживается специальными вы ступами на коренном листе и подкладке.

В ушко запрессована втулка 29 из термообработанного ковкого чугуна.

Передняя подвеска: 1 - передний кронштейн рессоры; 2 - рессора; 3 - накладка рессоры; 4 - буфер рессоры; 5 - проставка накладки; 6 - амортизатор; 7 - верхний кронштейн амортизатора; 8 - прокладка дополнительного буфера; 9 - обойма дополнительного буфера; 10 - дополнительный буфер; 11 - задний кронштейн рессоры; 12 - накладка коренного листа рессоры; 13 - сухарь заднего кронштейна; 14 - палец сухаря; 15 - вкладыш заднего кронштейна; 16 - стяжкой болт; 17 - распорная втулка; 18 - резиновая втулка; 19 - палец амортизатора; 20 - шайба; 21 - нижний кронштейн амортизатора; 22 - фиксатор накладки; 23 - подкладка стремянок; 24 - подкладка рессоры; 25 - гайка стремянки; 26 - стремянка; 27 - масленка; 28 - палец рессоры; 29 - втулка ушка рессоры; 30 - подкладка ушка рессоры; 32 - стремянка ушка; 32 - ушко рессоры; 33 - стяжной болт кронштейна рессоры

Задние концы передних рессор опираются на сухари 13, напрессованные на кронштейны 11.

На пальцы 14 сухарей установлены вкладыши 15, предохраняющие стенки кронштейна от износа.

Вкладыши закрепляют стяжными болтами 16. На стяжные болты установлены втулки 17.

На скользящем конце коренного листа приклепана накладка 12, предохраняющая его от износов.

Трущиеся детали термически обработаны для повышения срока их службы.

Каждая рессора средней частью прикреплена стремянками 26 к переднему мосту.

Резиновые буфера 4 смягчают удары рессор о раму; буфера 10 уменьшают поворот моста вперед при торможении.

Амортизатор  передней подвески: 1 - кожух; 2 - резервуар; 3 - рабочий цилиндр; 4 - шток; 5 - направляющая штока; 6 - сальник направляющей штока; 7 - обойма сальников; 8 - проушина; 9 - верхний сальник; 10 - гайка резервуара; 11 - войлочный сальник штока; 12 - сальник резиновый штока; 13 - сальник гайки резервуара; 14 - тарелка перепускного клапана; 15 - отверстие клапана сжатия; 16 - корпус клапана сжатия; 17 - диск клапана отдачи; 18 - гайка клапана отдачи; 19 - ограничительная тарелка впускного клапана; 20 - стержень клапана сжатия; 21 - гайка клапана отдачи; 22 поршень; 23 - диск клапана отдачи; 24 - пружина перепускного клапана; 25 - ограничительная тарелка перепускного клапана

Амортизатор (рис. 2) верхней проушиной 8 прикреплен к кронштейну рамы, а нижней — к передней оси.

Амортизаторы предназначены для гашения колебаний, возникающих при движении автомобиля по неровностям дороги.

Это повышает плавность движения автомобиля и улучшает его управляемость, а также увеличивает срок службы рессор.

Принцип действия гидравлических амортизаторов состоят в том, что в результате относительных перемещений подрессоренных и неподрессоренных частей автомобиля жидкость перетекает из одной полости амортизатора в другую через небольшие отверстия, вследствие чего амортизатор оказывает сопротивление, гасящее колебания рессор.

Наибольшее сопротивление, создаваемое амортизатором, происходит при его растяжении (отдаче), когда подрессоренная часть автомобиля удаляется от неподрессоренной его части (колес с мостами).

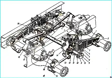
Задняя подвеска: 1 - рессора; 2 - опора задней рессоры; 3 - накладка рессоры; 4 - стремянка; 5 - стяжная шпилька; 6 - пробка отверстия для заливки смазки; 7 - стяжной болт; 8 крышка ступицы; 9 - разрезная гайка; 10 - ось балансирной подвески; 11 - ступица; 12 - кронштейн оси балансирной подвески; 13 - реактивная штанга; 14 - кронштейн крепления задней подвески к раме; 15 - нижний реактивный рычаг; 16 - резиновый буфер; 17 - болт для выпрессовки пальцев реактивных штанг; 18 - верхний реактивный рычаг; 19 - отбойный лист; 20 и 21 - уплотнительные кольца; 22 - самоподжимной сальник; 23 - накладка башмака; 24 - упорные шайбы; 25 - пробка отверстия для слива масла; 26 - втулка ступицы (подшипник); 27 - упорное кольцо; 28 - обойма вкладыша; 29 - вкладыш шарового пальца; 30 - шаровой палец

Задняя подвеска среднего и заднего мостов балансирного типа, на двух продольных полуэллиптических рессорах.

Каждая рессора средней частью прикреплена с помощью стремянок 4 (рис 3, а) к ступице 11 оси балансирного устройства.

Концы рессор входят в отверстия опор 2, приваренных к мостам. При прогибе рессор концы их скользят в отверстиях опор.

Для ограничения хода мостов вверх и смягчения их ударов о раму на лонжеронах установлены резиновые буфера 16.

Толкающие усилия и реактивные моменты передаются на раму шестью реактивными штангами 13 (по три у каждого моста).

Боковые усилия передаются от мостов на раму через рессоры.

Шарниры реактивных штанг неразборные, состоят из шаровых пальцев 30, обоймы 28 и вкладыша 29, изготовленного из тканой ленты, пропитанной специальным составом.

Обоймы шарниров запрессованы в головки реактивных штанг.

Балансирное устройство подвески

Балансирное устройство состоит из оси 10, запрессованной в кронштейны 12, и ступиц 11.

Концы оси закалены, а в ступицы  запрессованы втулки 26 (рис. 3, б) из антифрикционного материала.

Для предотвращения втекания смазки и защиты от грязи в ступицах установлены самоподжимные сальники 22 и уплотнительные кольца 20 и 21.

Ступицы закреплены на оси разрезными гайками 9, стянутыми болтами 7. Гайки стяжных болтов самоконтрящиеся.

В крышке 8 ступицы имеется пробка 6 для заливки масла, а в ступице - пробка 25 для его слива.

Вся задняя подвеска крепится к раме с помощью кронштейнов 14.

Уход за подвеской заключается в смазке рессорных пальцев, рессор и периодической смене смазки в ступицах балансирной подвески, в проверке крепления рессор, амортизаторов и реактивных штанг, в проверке и регулировке осевых зазоров ступиц балансирной подвески.

Смазка является необходимым условием надежной и длительной работы рессор. Коррозия (ржавление) листов может снизить срок службы рессор.

При ремонтных работах следует производить переборку и смазку всех рессор автомобиля.

При переборке рессор необходимо удалить старую смазку и грязь, а также следы коррозии, после чего смазать трущиеся поверхности рессор специальной графитной смазкой.

Одновременно следует промывать и смазывать ушки и пальцы передних рессор.

При износе концов коренных листов задних рессор рекомендуется первый и третий листы поменять местами.

Смазку пальцев передних рессор производят через масленки 27 до появления свежей смазки в зазорах между ушками и кронштейнами.

Для слива смазки из ступицы балансирной подвески необходимо снять крышку 8 (рис. 3) и отвернуть пробку 25.

3аливать масло в ступицы следует до уровня наливных отверстий, закрытых пробками 6.

Периодичность смазки и сорта смазок указаны в карте смазки.

Периодически следует также проверять затяжку следующих соединений: гаек стремянок передних и задних рессор; стяжных болтов 33 (см. рис. 1) пальцев передних рессор; гаек стремянок 31 ушков передних рессор; гаек пальцев 19 амортизаторов; стяжных шпилек 5 (рис. 3) щек ступиц задних рессор; болтов крепления кронштейнов 14 задней подвески к раме; болтов крепления кронштейнов 12 оси балансирной подвески к кронштейнам 14; гаек пальцев реактивных штанг.

Моменты затяжки резьбовых соединений подвески в кГм

Гайки стремянок передних и задних рессор 25—30

Стяжные болты пальцев передних рессор 5,5—6

Гайки стремянок ушков передних рессор - до сжатия пружинных шайб, не более

Пальцев амортизаторов со стороны конуса 12—14

Гайки пальцев амортизаторов со стороны амортизатора 5,5—6

Гайки стяжных шпилек щек ступиц задних рессор - до устранения зазоров между щеками и рессорой

Болты крепления кронштейнов задней подвески к раме 8—9

Болты крепления кронштейнов оси балансирной подвески к кронштейнам рамы 30, не менее

Гайки пальцев реактивных штанг 35—40

Стяжные болты разрезных гаек ступиц балансирной подвески - 8—10

При втором ТО-2 одновременно со сменой смазки надо снять ступицы балансирной подвески с оси, промыть их и концы оси, проверить состояние сальника 22 (рис. 3), войлочного кольца 20 и упорного кольца 27.

Изношенные детали следует заменить.

Эксплуатация автомобиля с изношенным уплотнением ступиц ведет к течи смазки и к преждевременному износу оси и втулок из-за попадания грязи внутрь ступицы.

При установке ступиц на ось необходимо затянуть стяжные болты 7 разрезных гаек 9.

После сборки ступицы должны свободно вращаться на оси и не иметь ощутимого осевого зазора.

Для снятия верхних реактивных штанг в боковых крышках редукторов мостов имеются специальные болты 17, при вывинчивании которых пальцы выпрессовываются из своих гнезд.

Изнашиваемые детали задних кронштейнов передних рессор [вкладыши 15 (рис. 1) и сухари 13] сделаны сменными и при ремонтных работах при необходимости могут быть заменены новыми.

Ремонт изношенных шеек и втулок оси балансирной подвески следует производить заменой втулок ремонтными.

Инструкция по ремонту оси и втулок прилагается к комплекту ремонтных втулок.

Во время эксплуатации не требуется специальной регулировки амортизаторов.

Периодически следует проверять надежность крепления амортизаторов на автомобиле и правильность их работы.

При появлении на амортизаторе следов подтекания масла следует подтянуть гайку 10 (см. рис. 2) резервуара, для чего необходимо снять амортизатор с автомобиля.

В случае появления течи жидкости, которая не устраняется подтягиванием гайки резервуара, нужно заменить сальник штока.

При замене сальников штока следует иметь в виду, что на сальнике 12 имеется метка «Низ», указывающая правильное положение сальника при его установке.

При этом положении обеспечивается правильная работа маслоотражательных канавок сальника.

В амортизаторы надо заливать только амортизаторную жидкость в соответствии с картой смазки.

Смена жидкости производится при снятом с автомобиля амортизаторе.

Перед заливкой надо поставить амортизатор вертикально, закрепить нижнюю проушину, поднять шток в верхнее положение, отвернуть гайку резервуара и вынуть шток с поршнем; подготовить 0,45 л жидкости и заполнить рабочий цилиндр 3 доверху, оставшуюся жидкость слить в резервуар 2 амортизатора; затем нужно собрать амортизатор и установить на автомобиль.

При заливке жидкости необходимо следить за тем, чтобы в амортизаторы не попали грязь, песок и т. д., которые приводят к быстрому износу деталей и выходу из строя амортизаторов.

Разбирать и собирать амортизатор нужно в мастерских, в условиях, полностью обеспечивающих чистоту; без крайней необходимости разбирать амортизатор не следует.