Система питания двигателя принудительная, с подачей топлива топливным насосом диафрагменного типа

Топливом для двигателя служит автомобильный бензин с октановым числом не ниже 76 (ГОСТ 2084— 67).

Применение автомобильного бензина более низкого качества может оказаться причиной ненормальной работы двигателя (детонация, повышенное образование нагара, увеличенный расход топлива, прогар прокладок и головок блока цилиндров и т. д.).

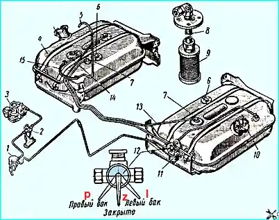
Схема системы питания: 1 - топливный насос; 2 - фильтр тонкой очистки топлива; 3 - карбюратор; 4 - топливный бак (дополнительный); 5 - воздухоподводящая трубка; 6 - датчики указателей уровня топлива в баках; 7 - угольники; 8 - приемная трубка; 9 - сетчатый фильтр; 10 - пробка; 11 - фильтр-отстойник; 12 - кран; 13 - соединительная трубка баков; 14 - клапанная коробка бака: 15 - резиновый шланг; (P) - правый бак; (L) - левый бак; (Z) - закрыто

Топливные баки основной и дополнительный, емкостью по 170 л каждый, расположены по обе стороны рамы под грузовой платформой.

Наливные горловины баков закрыты герметичными откидными крышками с быстродействующими зажимами (рис. 2).

Пробка бака: 1 - облицовка пробки; 2 - резиновая прокладка; 3 - корпус; 4 - рычаг пробки бака; 5 - отверстие для запирания пробки на горловине

Правый топливный бак снабжен клапанной коробкой (рис. 3) с автоматически действующими клапанами (впускным и выпускным), соединяющим полость топливного бака с атмосферой в случае повышения или понижения внутреннего давления в баке.

Левый топливный бак соединен с правым топливным баком воздушной трубкой.

При разрежении в баке 0,016—0,034 кГ/см 2 открывается впускной клапан 3 клапанной коробки и баки сообщаются с окружающим воздухом.

При повышении давления в баках на 0,11—0,18 кГ/см 2 открывается выпускной клапан 4

Такое устройство клапанной коробки обеспечивает выравнивание давления в баках и уменьшает потери топлива от испарения.

Клапан соединен с воздушной трубкой, выведенной выше уровня заданного брода и закрепленной на задней стенке кабины.

Клапанная коробка топливного бака: (а) - впускной клапан в открытом положении при разряжении в баке; (б) - выпускной клапан в открытом положении при избыточном давлении в баке; 1 - корпус клапанов; 2 пружина выпускного клапана; 3 - впускной клапан; 4 - выпускной клапан; 5 - пружина впускного клапана; 6 - дно клапанов

В случае, если после заправки топливных баков предполагается длительная стоянка, рекомендуется не заливать правый бак полностью во избежание вытекания топлива через клапан при повышении внешней температуры.

В рычаге быстродействующего зажима пробки имеется отверстие 5 (см. рис. 3), совпадающее при закрытом положении пробки с отверстием в скобе горловины.

При движении по бездорожью, для устранения случаев самопроизвольного открывания пробок в результате зацепов в отверстия пробок и скоб горловины, необходимо вешать замок или вставлять болт с гайкой.

При эксплуатации необходимо периодически проверять и подтягивать крепление топливных баков и кронштейнов, спускать отстой через спускные пробки и промывать баки, очищать и промывать клапаны на дополнительном баке и продувать трубки, соединяющие основной и дополнительный баки.

Если оба бака полностью наполнены, расходовать топливо следует сначала из основного (левого) бака.

Расходовать топливо из дополнительного (правого) бака нужно только в том случае, если невозможно заправить топливом основной бак.

Переключают баки краном, установленным на кронштейне фильтра-отстойника основного бака.

Кран имеет три положения: включен основной бак, включен дополнительный бак (правый) и кран закрыт (см. рис. 1).

Уровень топлива в баках контролируется указателем уровня, установленным на щитке приборов.

Указатель уровня топлива может быть подключен к любому баку, независимо от того, из какого бака расходуется топливо.

Переключатель указателя уровня топлива установлен на переднем щите кабины. Правое положение соответствует подключению правого бака, левое положение левого бака.