Соединительная головка служит для соединения воздухопроводов автомобиля с прицепом

Крышка 5 предохраняет систему от попадания в нее пыли и грязи.

Соединительная головка: 1 - корпус; 2 - пружина; 3 - обратный клапан; 4 - уплотнительная прокладка; 5 - крышка; 6 - кольцевая гайка-прокладка

Если соединительная головка автомобили не соединена с головкой прицепа, то крышка 5 всегда должна быть закрыта.

При этом должен быть закрыт и находящийся перед головкой разобщительный кран.

Перед соединением головок тягача и прицепа следует открыть крышку 5, нажать на клапан 3 и, повернув рукоятку разобщительного крана.

Продуть головку.

Затем надо соединить головки и открыть разобщительные краны на автомобиле и прицепе.

Перед каждой поездкой необходимо проверить, открыт ли разобщительный кран.

При разъединении соединительных головок тягача и прицепа нужно сначала закрыть разобщительный кран, затем разъединить головки и после этого обязательно закрыть крышки 5 головок, предохраняющих головки от грязи.

Если воздух выходит между соединительными головками, то нужно проверить исправность резиновых прокладок 4 и при необходимости заменить их.

Разобщительный кран с резиновым клапаном и уплотнительной диафрагмой: 1 - пробка; 2 - корпус; 3 - пружина клапана; 4 - клапан разобщительного крана; 5 - возвратная пружина; 6 - шток с диафрагмой; 7 - крышка; 8 - толкатель; 9 - рукоятка крана

Разобщительный кран с резиновыми клапаном и уплотнительной диафрагмой установлен в магистрали, соединяющей тягач и прицеп перед соединительной головкой, и служит для отключения магистрали.

Кран открыт, когда его рукоятка направлена вдоль корпуса крана, и закрыт, когда рукоятка расположена поперек корпуса.

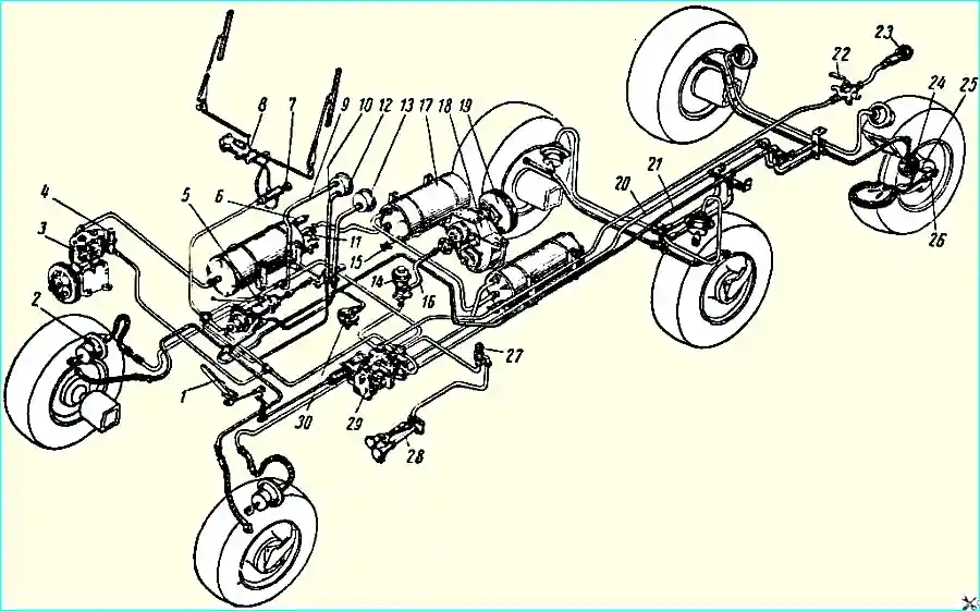
Схема пневматического привода тормозов, системы регулирования давления воздуха в шинах и других элементов пневмосистемы: 1 - педаль тормоза; 2 - тормозная камера; 3 - компрессор; 4 - регулятор давления; 5 - комбинированный кран управления давлением; 6 - предохранительный клапан; 7 - включатель стеклоочистителя; 8 - стеклоочиститель; 9 - шланг к манометру давления в тормозных камерах; 10 - шланг к манометру давления в пневматической системе; 11 - кран отбора воздуха; 12 - манометр контроля давления в тормозных камерах; 13 - манометр давления воздуха в шинах; 14 - электровоздушный клапан включения переднего моста; 15 - сливной кран; 16 - шланг управления включением переднего моста; 17 - воздушный баллон; 18 - раздаточная коробка; 19 - ручной тормоз; 20 - трубопроводы тормозной системы; 21 - трубопроводы системы регулирования давления воздуха в шинах; 22 - разобщительный кран; 23 - соединительная головка; 24 - головка подвода воздуха к шине через полуось; 25 - канал подвода воздуха; 26 - шинный кран; 27 - кнопка воздушного звукового сигнала

Кран отбора воздуха 11 (см. рис. 3) предназначен для отбора воздуха из воздушных баллонов и находится на правом переднем воздушном баллоне.

Тормозная камера с регулировочным рычагом: 1 - корпус камеры; 2 - диафрагма; 3 - шток; 4 - крышка корпуса; 5 - гибкий шланг; 6, 7 - пружины; 8 - уплотнительная шайба; 9 - болт крепления камеры; 10 - вилка штока; 11 - корпус регулировочного рычага; 12 - червяк; 13 - фиксатор; 14 - ось червяка; 15 - шестерня; 16 - вал разжимного кулака; 17 - крышка

Тормозные камеры предназначены для приведения в действие колесных тормозов - автомобиля.

Шток 3 тормозной камеры при помощи вилки 10 и пальца соединен с регулировочным рычагом 11 разжимного кулака тормоза.

Герметичность тормозных камер следует проверять при ТО-2. для этого, нажимая на педаль тормоза, наполняют камеры сжатым воздухом, затем смачивают мыльной эмульсией кромки фланца тормозной камеры, места прохода болтов, стягивающих фланец, место прохода штока через корпус камеры, отверстия в корпусе и место присоединения трубопровода к камере.

Утечку воздуха обнаруживают по образованию мыльных пузырей.

Чтобы устранить утечку, необходимо равномерно подтянуть все болты крепления крышки камеры.

Если утечка воздуха продолжается, то надо сменить диафрагму камеры.

В случае деформации корпуса или крышки их нужно выправить.

Срок службы диафрагмы тормозных камер 2 года. По окончании этого срока диафрагмы рекомендуется заменить.