Снятие и установка генератора VW Passat
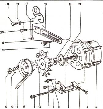
Турбодизельный двигатель
1 - Гайка, 50 Нм
2 - Шайба
3 - Шкив
4 - Клиновидный ремень
5 - Дистанционная шайба
6 - Шайба

7 - Крыльчатка. Направление вращения указано стрелкой
8 - Генератор переменного тока
9 - Болт, 20 НмМ8 х 65 мм.
10 - Болт, 35 Нм, М8 х 35 мм
11 - Натяжная планка
12 - Натяжная гайка
13 - Гайка, М8
14 - Шайба
15 - Распорная втулка
16 - Кронштейн. Перед снятием кронштейна слить охлаждающую жидкость
17 - Болт, 20 Нм, М8 х 130 мм
18 - Болт , 20 Нм, М8 х 70 мм
19 - Болт с шайбой, 20 Нм, М8 х 52 мм
20 - Болт, 20 Нм, М8 х 20 мм
21 - Болт, 35 Нм, М10 х 95 мм
22 - Уголок. Между консолью насоса впрыска и кронштейном генератора.
Карбюраторный двигатель или двигатель с впрыском, 8-ми клапанный

1 - Клиновидный ремень
2 - Болт, 35 Нм. Внутренний шестигранник, М8 х 90 мм
3 - Втулка
4 - Кронштейн
5 - Прокладочная шайба
6 - Болт
7 - Болт
8 - Шпилька
9 - Генератор переменного тока
10 - Крыльчатка. Направление вращение указано стрелкой
11 - Шкив. Диаметр, 70 мм.
12 - Гайка, 50 Нм
13 - Прокладочная шайба
14 - Болт, 35 Нм, М8х35
15 - Натяжная гайка
16 - Натяжная планка
17 - Проушина
18 - Болт, 20 Нм, М8 х 25 мм
19 - Прокладочная шайба
20 - Дистанционная шайба
21 - Прокладочная шайба
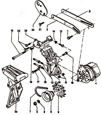
Двигатель с впрыском, 16-ти клапанный

1 - Болт, 30 Нм, М8 х 30 мм
2 - Натяжная планка. Автомобили с кондиционером
3 - Натяжная планка. Автомобили без кондиционера
4 - Генератор переменного тока
5 - Гайка, 50 Нм
6 - Прокладочная шайба
7 - Клиновидный ремень
8 - Шкив. Диаметр 70 мм
9 - Крыльчатка. Направление вращения указано стрелкой
10 - Кронштейн генератора. Автомобили без кондиционера
11 - Гайка, 20 Нм,
12 - Шпилька, М8 х 80 мм
13 - Болт, 30 Нм, М10 х 35 мм
14 - Прокладочная шайба
15 - Болт, М8х90 мм
16 - Втулка
17 - Болт, 45 Нм, М10 х 38 мм
18 - Прокладочная шайба
19 - Болт, 45 Нм, М10 х 42 мм
20 - Кронштейн
21 - Болт, 30 Нм, М10 х 35 мм
22 - Болт, 30 Нм, М10 х 35 мм
Генератор VALEO

Снятие
Отключить массу от аккумулятора.
Ослабить натяжение клиновидного ремня и снять ремень, вывернуть болт.
Генератор BOSCH

- Отсоединить черный провод В+ и синий провод D+. Стрелка указывает на провод В+ у конденсатора подавления помех.
- Отвернуть оттяжку жгута проводов и отвести электрические провода в сторону.
- Отвернуть болт крепления генератора. Для этого в некоторых моделях снять крышку в кожухе зубчатого ремня и через верхнее отверстие отвернуть болт ключом с внутренним шестигранником 6 мм.
- Вывернуть болт с кронштейна генератора, снять генератор.
Установка
- Ввернуть стяжной болт.
- Вставить генератор к кронштейну и закрепить его на кронштейне.
- Проверить износ клиновидного ремня и при необходимости заменить.
- Наложить и натянуть клиновидный ремень.
- Подключить электрические провода к генератору.
- Привернуть оттяжку жгута проводов.
- Подключить массу к аккумулятору.