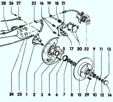
1 - Цапфа оси.
Рихтовочные работы недопустимы. Применять цапфы только с шестью крепежными отверстиями
2 - Тормозной щиток
3 - Тарельчатая пружина. Большая поверхность прилегания (вогнутая сторона) направлена к тормозному щитку.
4 - Болт, 60 Нм
5 - Кольцо-крышка. Заменять обязательно, запрессовать подходящей трубкой.
6 - Ротор датчика оборотов. Только у автомобилей с ABS
7 - Сальник. Заполнить смазкой между уплотняющими губками
8 - Внутренний колесный подшипник. Наружное кольцо выбивать медной выколоткой.
9 - Наружный колесный подшипник. Наружное кольцо выбивать медной выколоткой.
10 - Нажимная шайба
11 - Шестигранная муфта. Для регулировки люфта подшипников
12 - Корончатая контргайка
13 - Шплинт. Заменять всегда
14 - Колпак
15 - Тормозной диск. Перед установкой обод заполнить смазкой для подшипников.
16 - Болт, 65 Нм
17 - Тормозной кронштейн
18 - Защитный чехол
19 - Направляющий болт
20 - Тормозные колодки
21 - Винт, 35 Нм. Самоконтрящийся заменять всегда
22 - Суппорт тормоза
23 - Кронштейн тормозного шланга
24 - Пружинная скоба
25 - Трос ручного тормоза
26 - Винт с внутренним шестигранником
