Особенности конструкции сцепления VW Passat

Сцепление в автомобиле имеет 2 функции: при переключении передач прерывает силовое соеди­нение между двигателем и коробкой передач и при трогании с места обеспечивает плавное силовое соединение

Сцепление состоит из нажимного диска, ведомого диска и выжимного подшипника.

Нажимной диск сцепления жестко свинчен с маховиком, свя­занным с коленвалом двигателя.

Между нажимным диском сцепления и маховика, расположен ведомый диск сцепления, который нажимным диском прижат к маховику.

Ведомый диск отцентрирован с находя­щимся с ним в зацеплении ведущим валом коробки передач.

При нажатии на педаль сцепления (выключение сцепления), усилие гидравлическим или механичес­ким путем, передается рычагу выключения и, свя­занный с ним подшипник выключения, через диафрагменные пружины, воздействует на нажимной диск сцепления.

Благодаря этому, нажимной диск ослаб­ляется, освобождая ведомый диск, который больше не прижимается к маховику. Таким образом, силовое соединение между двигателем и коробкой передач прерывается.

Внимание: в некоторых автомобилях с двигате­лем 1.6 л сцепление приводится в действие тросом.

Во всех других моделях, сцепление имеет гидрав­лический привод: к рычагу выключения прилегает поршень рабочего цилиндра гидравлической системы; при нажатии на педаль сцепления, создается давление, которое от главного цилиндра, находяще­гося под ногами водителя через гидравлический трубопровод, передается к расположенному на ко­робке передач рабочему цилиндру сцепления.

Пор­шень рабочего цилиндра нажимает на рычаг выклю­чения.

Подшипник выключения нажимает на диафрагменные пружины нажимного диска и освобождает его.

Гидравлическая система работает при помощи тормозной жидкости, получаемой из общего расши­рительного бачка, служащего и для тормозной сис­темы.

Если педаль сцепления возвращается в исходное положение (сцепление включается), нажимной диск прижимает ведомый диск к маховику и силовая связь вновь восстанавливается, так как ведомый диск сидит на шлицах ведущего вала коробки передач и жестко связан с ним.

При каждом нажиме и отпускании сцепления, в результате силы трения, происходит истирание нак­ладок ведомого диска.

Ведомый диск является самой изнашиваемой частью сцепления, но несмотря на это средняя продолжительность работы составляет 100000 км.

Износ существенно зависит от нагрузки (вождение с прицепом) и манеры вождения. Сцепле­ние ухода не требует, так как оно саморегулируется.

сцепление

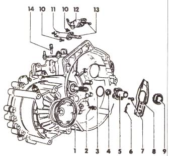
1 - Коробка передач
2 - Шаровая цапфа. Смазать смазкой M0S2
3 - Кольцо. Заменять всегда
4 - Сальник ведущего вала. Вставлять до упора
5 - Направляющая гильза. Поверхности, прилегающие к подшипнику, смазать.
6 - Стопорная пружина
7 - Винт, 15 Нм
8 - Рычаг выключения сцепления
9 - Выжимной подшипник. Не промывать, только вытирать
10 - Винт, 25 Нм
11 - Рабочий цилиндр. Перед разборкой снять рычаг переключения с коробки, тросик выключения не ослаблять
12 - Механический привод сцепления. Только у некоторых двигателей 1.6 л, во всех остальных -гидравлический привод
13 - Толкатель. Конец толкателя смазать
14 - Монтажный штифт