Свежий воздух для отопителя поступает в салон через систему вентиляции отопителя. При этом воздух обтекает корпус отопителя и через различные заслонки выходит на отдельные сопла выхода воздуха.
Если отопитель установлен на "тепло", то холодный воздух нагревается радиатором отопителя.
Радиатор отопителя находится в корпусе отопителя и разогревается горячей охлаждающей жидкостью.
Протекающий свежий воздух разогревается горячими секциями радиатора и затем выходит в салон.
Отопление регулируется воздухом, т. е. температура устанавливается соотношением холодного и теплого воздуха с помощью температурной заслонки.
Для увеличения комфорта отопителя используется четырехступенчатая регулировка вентилятора отопителя.
Для задания различной скорости вращения вентилятора подключаются сопротивления.
Эти сопротивления находятся на плате подключения вентилятора. При дефекте плата подключения заменяется в комплекте.
Особое исполнение Thermotronic
Как дополнительное оборудование может быть заказана система электронного управления отопителем, Thermotronic.
В ней может задаваться температура в салоне с помощью центрального поворотного переключателя, которая быстро достигается благодаря автоматическому управлению заслонкой температурного регулятора и затем точно выдерживается.
Два температурных датчика в салоне (на потолке между противосолнечными козырьками и в подножном пространстве водителя), а также датчик температуры наружного воздуха (в воздухозаборнике) передают информацию о температуре в блок управления (за органами управления отопителя).
При наличии разницы между заданной и имеющейся температурой в салоне блок управления автоматически включает мотор для изменения положения заслонки температурного регулятора в корпусе отопителя.

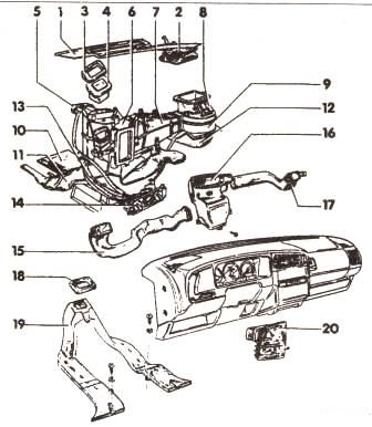
1 - Щиток водоотбойника
2 - Патрубок воздухозаборника
3 - Уплотнение. Между панелью управления и переходником
4 - Переходник. При замене снимается панель управления и отопитель
5 - Радиатор отопителя
6 - Корпус распределителя воздуха
7 - Воздухопровод, главная заслонка
8 - Сопротивление. Для замены снять "бардачок" и полку
9 - Вентилятор холодного воздуха. Для замены снять нижнюю полку
10 - Защитный кожух
11 - Окно обогрева
12 - Кожух воздухопровода
13 - Тяги отопителя
14 - Управление отопителем
15 - Воздухопровод левый
16 - Распределитель воздуха. Для замены снять центральную консоль, кронштейн панели управления, облицовку приборной доски, управление отопителя и кожухи
17 - Воздухопровод правый
18 - Уплотнение нижнего воздуховода
19 - Нижний воздуховод
20 - Окно обогрева