Снятие обивки двери
Обивку двери снимаем для доступа к механизмам замка и стеклоподъемника.

Поддеваем отверткой защелку ручки стеклоподъемника (отвертку вставляем между защелкой и шайбой).

Вынимаем защелку.

Снимаем ручку и шайбу.

Поддев шлицевой отверткой, вынимаем заглушку ручки двери.


Крестообразной отверткой отворачиваем два винта нижнего крепления ручки к двери и один винт – верхнего крепления.

Снимаем ручку

Шлицевой отверткой поддеваем накладку внутренней ручки двери и снимаем накладку


Поддеваем отверткой восемь пистонов (два – на передней кромке, два – на задней и четыре – на нижней)

Выводим верхнюю кромку обивки из-под отбортовки и снимаем обивку двери.
Под обивкой находится пароизоляционная пленка.

Для замены пистона поворачиваем его на 90° и вынимаем из паза
Снятие замка двери
Снимаем обивку двери.

Крестообразной отверткой отворачиваем два винта крепления внутренней ручки двери.

Подведя ручку к окну внутренней панели двери, отсоединяем тягу от внутренней ручки двери.

Выворачиваем кнопку блокировки замка.

Пассатижами отсоединяем тягу кнопки блокировки от замка и снимаем тягу.

Для облегчения доступа к замку необходимо отвести направляющую стекла.

Для этого крестообразной отверткой отворачиваем верхний и нижний винты крепления направляющей стекла.

Отводим направляющую стекла к передней части двери.

Поддев отверткой, снимаем тягу, идущую от валика выключения замка к поводку выключателя замка.

Крестообразной отверткой отворачиваем три винта крепления замка к торцу двери.

Выводим замок из окна внутренней панели двери.

Фломастером обводим контур фиксатора на стойке двери.

Головкой «на 10» отворачиваем три болта крепления фиксатора к кузову (при регулировке – ослабляем)

Снимаем фиксатор двери вместе с регулировочными прокладками.
При установке нового фиксатора набор прокладок сохраняем.
Смазываем новый замок любой пластичной смазкой, подсоединяем к нему тягу с ручкой и устанавливаем на машину в порядке, обратном снятию
Устанавливаем фиксатор и проверяем работу замка.
Регулировка замков дверей
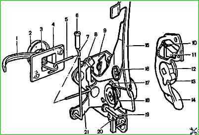
Замок левой передней двери: 1 - внутренняя ручка привода замка; 2 - облицовка внутренней ручки; 3 - ось; 4 - кронштейн внутренней ручки; 5 - тяга внутренней ручки; 6 - кнопка блокировки замка; 7 - тяга кнопки блокировки; 8 - рычаг внутреннего привода замка; 9 - корпус замка; 10 - пружина сухаря; 11 - сухарь фиксатора замка; 12 - ротор; 13 - опора центрального валика; 14 - корпус фиксатора; 15 - рычаг наружного привода; 16 - пружина рычага наружного привода; 17 - храповик; 18 - пружина храповика; 19 - валик выключения замка; 20 - тяга выключения замка; 21 - рычаг блокировки замка
Для нормальной работы замка двери отрегулируйте положение корпуса 14 (см. рис. 14) фиксатора замка, предварительно ослабив болты крепления.
Перед регулировкой замка рекомендуется очертить контуры фиксатора на стойке кузова.
Если дверь закрывается слишком туго, сместите фиксатор наружу и затяните болты.
Если дверь закрывается слабо, сместите фиксатор внутрь.
Если дверь при закрывании опускается, сместите фиксатор вверх, а если приподнимается (провисание в открытом положении), фиксатор сместите вниз.
При плохом отпирании двери внутренней ручкой 1 отрегулируйте положение ручки.
Для этого ослабьте винты крепления и ручку вместе с кронштейном передвиньте в нужное положение.
По окончании регулировки заверните винты крепления.