Коробка отбора мощности (КОМ) — одноступенчатая, крепится к картеру коробки передач с правой стороны и предназначена для привода вспомогательных агрегатов

Коробка изготавливается в двух вариантах: с насосом (рис. 1) и фланцем (рис. 2).

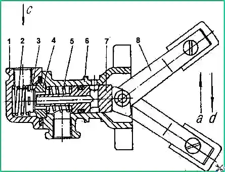
Коробка отбора мощности с насосом: 1 - ось ведущей шестерни; 2 - картер; 3 - шестерня ведущая; 4 - крышка картера; 5 - шестерня ведомого вала; 6 - диафрагма камеры включения; 7 - крышка камеры включения; 8 - крышка; 9 - вилка; 10 - шток вилки включения; 11 - пружина; 12 - насос; 13 - шарикоподшипники; 14 - вал ведомый; 15 - кольцо распорное подшипников

Включайте коробку отбора мощности при давлении воздуха в пневмосистеме автомобиля не менее 500 кПа (5 кгс/см 2) и выключенном сцеплении.

Между фланцами картеров коробки передач и отбора мощности установлены регулировочные прокладки, с помощью которых отрегулирован боковой зазор в зацеплении шестерен (по шуму).

При необходимости замены прокладок на новые их толщина должна быть сохранена.

Коробка отбора мощности с фланцем: 1 - ось ведущей шестерни; 2 - картер; 3 - шестерня ведущая; 4 - крышка картера; 5 - шестерня ведомого вала; 6 - диафрагма камеры включения; 7 - крышка камеры включения; 8 - крышка; 9 - вилка; 10 - шток вилки включения; 11 - пружина; 12 - вал ведомый; 13 - крышка; 14 - фланец; 15 - гайка; 16 - манжета; 17 - шарикоподшипники; 18 – кольцо распорное подшипников; 19 - роликоподшипники

Управление коробкой отбора мощности, пневматическое, состоит из крана управления, механизма включения и воздухопроводов.

Для обеспечения дистанционного включения коробки отбора мощности в кабине справа от водителя, на нижней кромке панели приборов, на кронштейне установлен кран управления.

Кран пневматический: 1 - крышка, 2 - пружина клапана, 3 - клапан, 4 - седло клапана, 5 - пружина, 6 - корпус, 7 - шток клапана, 8 - рычаг, а - выключатель, d - включено, c - подвод воздуха

При выключенной коробке отбора мощности рычаг 8 (рис. 3) находится в верхнем положении, шток 7 в правом положении.

Клапан 3 под действием пружины 2 поджат к селу 4 и воздух через кран не поступает.

При включении коробки отбора мощности рычаг крана 8 переводится в нижнее положение.

Шток 7 перемещается в крайнее левое положение, давит на клапан 3 и отодвигает его от седла 4.

Сжатый воздух по воздухопроводам поступает в диафрагменную камеру механизма включения.

Диафрагма 6 (см. рис. 1) через шток 10 с вилкой 9 вводит шестерню 5 ведомого вала в зацепление с ведущей шестерней 3.

При выключении коробки отбора мощности рычаг крана 8 (см. рис. 3) переводится в верхнее положение.

Шток 7 под действием пружины 5 перемещается в крайнее правое положение, отрываясь при этом от клапана 3.

Через отверстие в штоке 10 (см. рис. 1) камера механизма включения коробки сообщается с атмосферой, воздух из камеры выпускается и под действием пружины шток с вилкой 9 выводит шестерню ведомого вала 14 из зацепления с ведущей шестерней 3.

Одновременно с выпуском воздуха в атмосферу клапан 3 (см. рис. 3) под действием пружины 2 прижимается к седлу 4 и разобщает входное и выходное отверстия крана.

Коробка дополнительного отбора мощности

Отбор мощности производится от первичного вала раздаточной коробки через подвижную муфту 2 (рис. 4) и предназначен для привода лебедки.

Работа коробки дополнительного отбора мощности возможна при нейтральном положении муфты переключения передач раздаточной коробки.

Для смазки подшипников шестерен и валов в коробке дополнительного отбора мощности установлен плунжерный насос.

Коробка дополнительного отбора мощности: 1 - корпус; 2 - муфта; 3 - вал; 4 - втулка вала; 5 - корпус камеры включения; 6 - шток включения; 7 - вилка; 8 - пружина; 9 крышка; 10 - диафрагма; 11 -.прокладка; 12 - фланец; 13 - манжета; 14 - крышка; 15, 23 - шарикоподшипники; 16 - шатун насоса; 17 - поршень; 18, 21 - клапаны насоса; 19 - заглушка; 20 - клапан предохранительный; 22 - корпус клапана

Насос состоит из поршня 17 с нагнетательным клапаном 18, предохранительного клапана 20 и корпуса 22.

Поршень с шатуном установлен на эксцентрике вала 3 и при его вращении поступательно перемещается.

Для предот­вращения чрезмерного давления с увеличением частоты вращения всасывающий клапан выполнен дифференциального типа с цилиндрической пружиной.

Масло забирается через трубку,1 соединенную с масляной ванной раздаточной коробки, и из насоса поступает к подшипникам шестерен через каналы, выполненные в валу 3 и в первичном валу раздаточной коробки.

Часть масла проникает через зазоры и смазывает подшипники валов.

Для обеспечения дистанционного включения коробки дополнительного отбора мощности в кабине, справа от водителя на нижней кромке панели приборов, на кронштейне установлен кран управления.

При выключенной коробке дополнительного отбора мощности рычаг 8 (см. рис. 3) находится в верхнем положении, шток 7 — в правом положении.

Клапан под действием своей пружины поджат к седлу 4 и воздух через кран не поступает.

При перемещении рукоятки в нижнее положение шток 7 перемещается в крайнее левое положение, давит на клапан и отодвигает его от седла.

Сжатый воздух поступает в камеру включения и включает коробку дополнительного отбора мощности, сжимая пружину 8 (см. рис. 4).

Коробка дополнительного отбора мощности (от раздаточной коробки)

При выключении коробки дополнительного отбора мощности рычаг крана переводится в верхнее положение.

Шток под действием пружины перемещается в крайнее переднее положение, отрываясь при этом от клапана.

Через отверстие в штоке камера включения коробки сообщается с атмосферой, воздух из камеры выпускается, и пружина выключает коробку.

Одновременно с выпуском воздуха в атмосферу клапан под действием пружины прижимается к седлу и разобщает входное и выходное отверстия крана.

Рычаг крана управления фиксируется в выключенном положении винтом, установленным на кронштейне крана.

При длительной работе коробки дополнительного отбора мощности не должно наблюдаться повышенного нагрева подшипников первичного вала раздаточной коробки и вала отбора мощности.

Повышенный нагрев свидетельствует о неисправности в масляном насосе.

Исправность насоса проверяйте вдвоем.

Для проверки работы насоса:

  • - затяните до отказа рычаг стояночного тормоза;
  • - установите в нейтральное положение рычаг включения передач раздаточной коробки;
  • - отключите лебедку, для чего рычаг на правом лонжероне рамы опустите вниз;
  • - выверните заглушку 19 в корпусе насоса;
  • - пустите двигатель, включите коробку дополнительного отбора мощности и одну из передач в коробке передач;
  • - определите исправность насоса, закрыв отверстие под заглушку пальцем.

При исправном насосе ощущается пульсация масла в отверстии под заглушку.

Работать при неисправном насосе запрещается.