Снятие замков передней двери кузова автомобиля ГАЗ-24 "Волга" для замены или ремонта вы­полняют в такой последовательности:

замок двери Волга

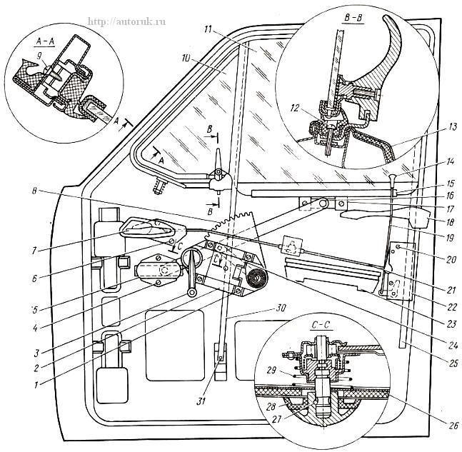
- поднимают стекло двери вверх;снимают подлокотник, розетку внут­ренней ручки, ручку стеклоподъемника, обивку двери и хлорвиниловую заклейку;

- вывертывают кнопку 1 вы­ключателя замка;

- вывертывают винт 9 крепления на­ружного выключателя 10 замка и вынима­ют выключатель;

- отсоединяют тягу 13 привода внутрен­ней ручки 14 от замка;отсоединяют фиксатор 3 толкателя замка наружной ручки 5;

дверь автомобиля Волга

- вывертывают четыре винта 20 крепления замка и снимают замок.

Установку замка передней двери авто­мобиля ГАЗ-24 "Волга" производят в по­рядке, обратном снятию.

Снятие и установку замков задних дверей выполняют в той же последова­тельности, что и замков передних дверей, за исключением работ по снятию и уста­новке наружного выключателя, который на задних дверях отсутствует.

Для снятия замка передней двери ку­зова автомобилей ВАЗ-2101, -2103, -2107 выполняют следующие операции:

снима­ют кнопку блокировки замка  с помощью отвертки; отсоединяют тягу от замка, используя плоскую отвертку и торцовый ключ на 8 мм, и снимают наруж­ную ручку с тягой;

отсоединяют тягу от замка и снимают скобу и выключатель замка с тягой, используя плоскую отверт­ку;

отсоединяют крестообразной отверт­кой внутреннюю ручку двери от внутрен­ней панели и снимают замок в сборе с тягой блокировки, внутренней ручкой и тягой привода замка.

При снятии замка задней двери отсое­диняют крестообразной отверткой внутрен­нюю ручку двери от внутренней панели.

Отсоединяют с помощью ключа 12Х13 мм и крестообразной отвертки привод выклю­чателя замка от панели двери и тягу при­вода от замка и снимают замок с внутрен­ней ручкой двери и приводом замка в сбо­ре.

С помощью торцового ключа на 8 мм снимают наружную ручку двери; торцо­вым ключом на 10 мм, плоскогубцами, бо­родком и молотком снимают ограничитель открывания двери.

Устанавливают замки передних и за­дних дверей кузовов автомобилей ВАЗ в очередности, обратной снятию.

Ремонт замка двери кузова автомоби­ля ЗАЗ-969М "Запорожец" выполняют при появлении неисправностей в запира­нии двери из-за износа полки защелки, ослабления крепления защелки замка и его привода.

Для снятия замка двери демонтируют обивку, а затем отверткой, приподнимая вверх пружинную пластину тяги привода замка, отсоединяют тягу от рычага замка двери и, отвернув четыре винта, снимают через монтажное окно двери замок.

Установку замка осуществляют в по­следовательности, обратной снятию.

При замене защелки замка двери но­вой или ослаблении крепления ее положе­ние на кузове регулируют.

Если внутренней ручкой привода зам­ка дверь не запирается, то отпускают вин­ты крепления привода замка и, перемещая его по овальным отверстиям на панели двери, находят такое положение, при ко­тором дверь будет запираться.

Для снятия замков дверей кузова ав­томобиля ЛуАЗ-969М

отворачивают вин­ты крепления подлокотника к двери и сни­мают подлокотник;

вытягивают вверх кнопку запирающего механизма и вывер­тывают ее;

снимают крышку замка, отвер­нув винты ее крепления к каркасу двери; снимают обивку двери, отвернув винты крепления ручки и отсоединив тягу от замка; отворачивают винты крепления замка к каркасу двери и снимают замок.

Установку замка двери кузова автомо­биля ЛуАЗ-969М производят в последова­тельности, обратной снятию