Система электрооборудования автобуса однопроводная, отрицательные клеммы источников тока соединены с корпусом (“массой”) автобуса
Номинальное напряжение 12В.
К источникам электроэнергии на автобусе относятся аккумуляторная батарея и генератор переменного тока с встроенным выпрямителем
Генератор включен параллельно с аккумуляторной батареей.
Установка обеспечивает питание потребителей при любых режимах работы двигателя, а также подзарядку аккумуляторных батарей.
Схемы электрооборудования автобуса ПАЗ-32053
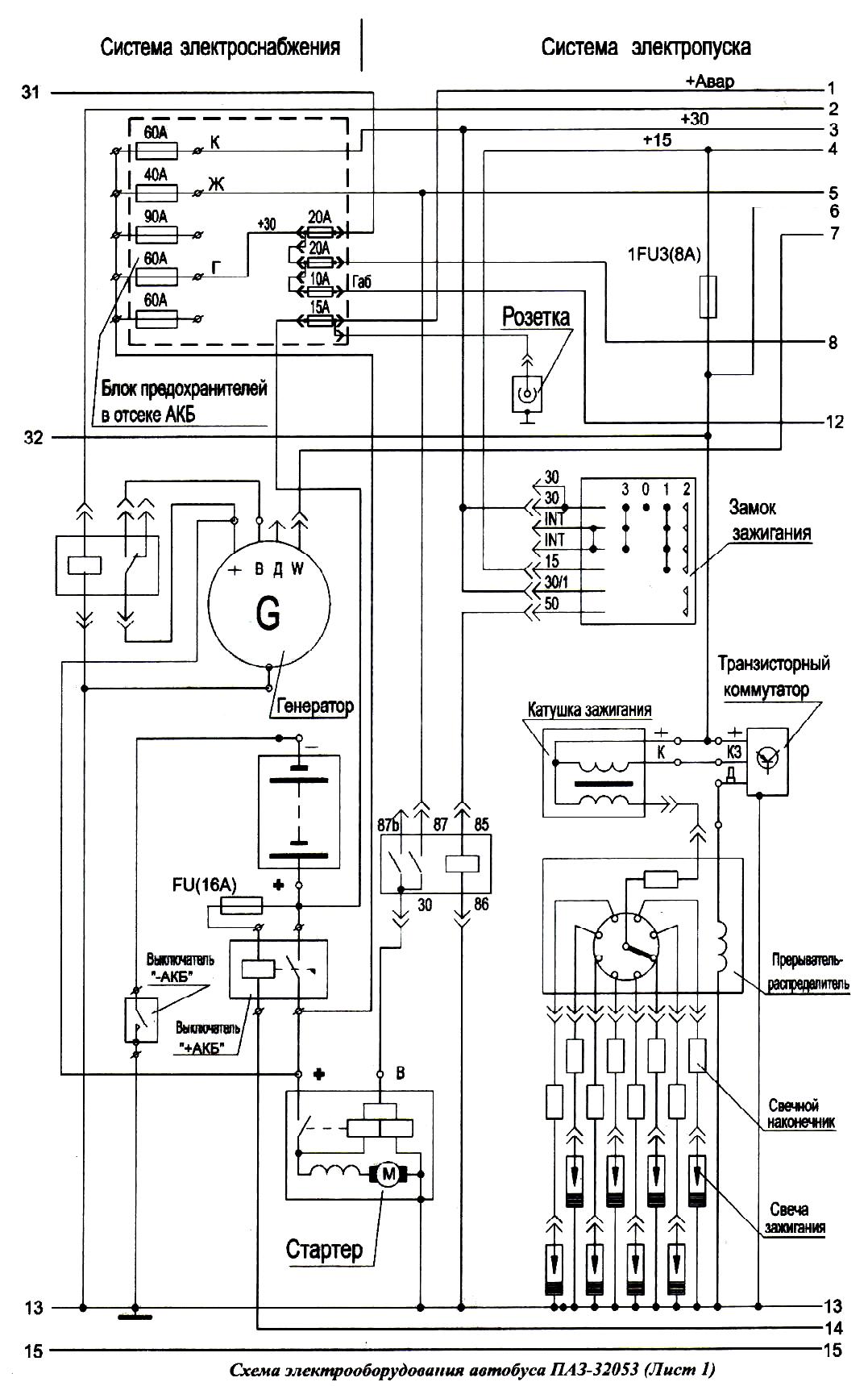
Схема системы электроснабжения и система электропуска
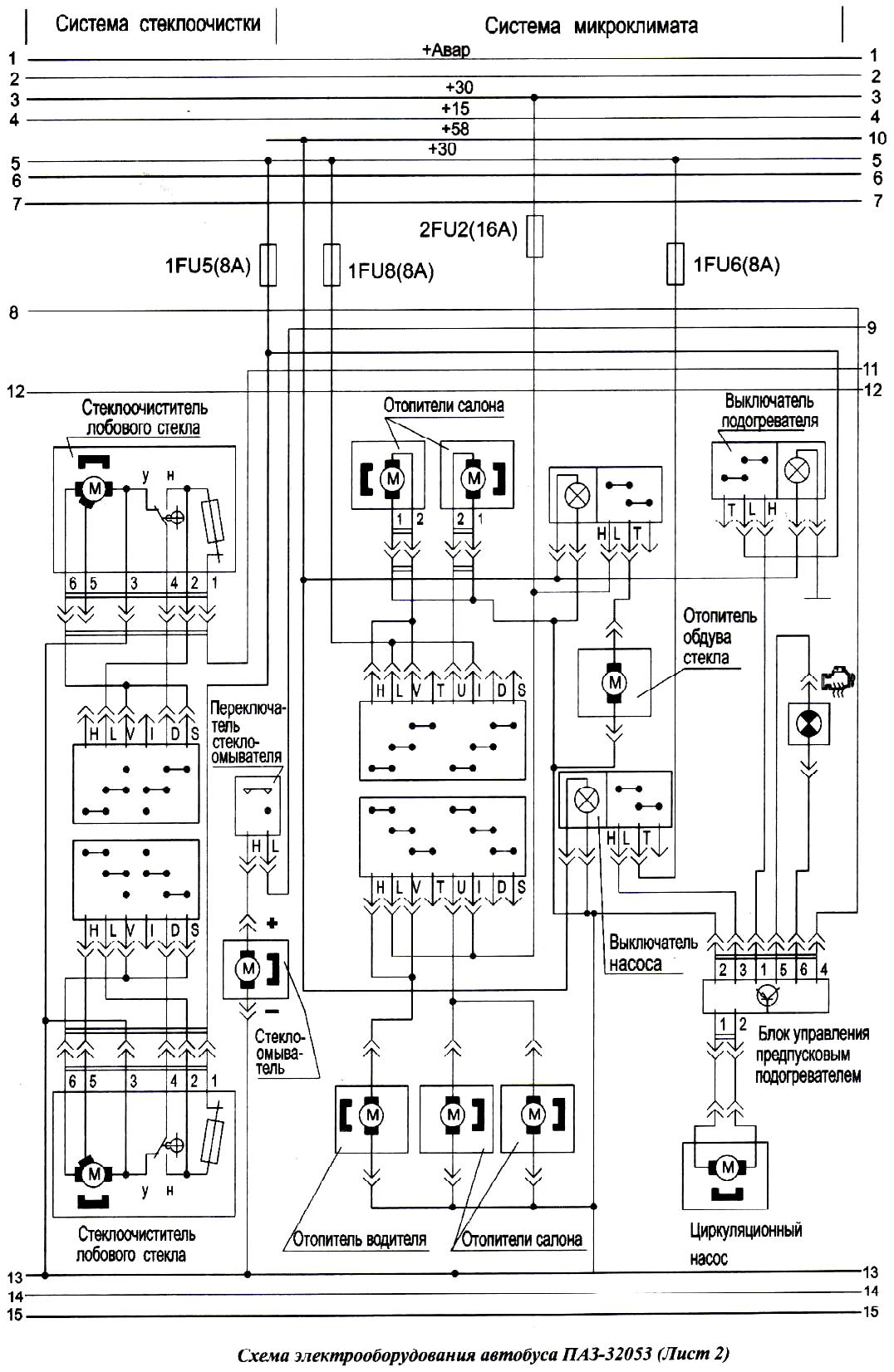
Схема системы стеклоочистки и системы микроклимата
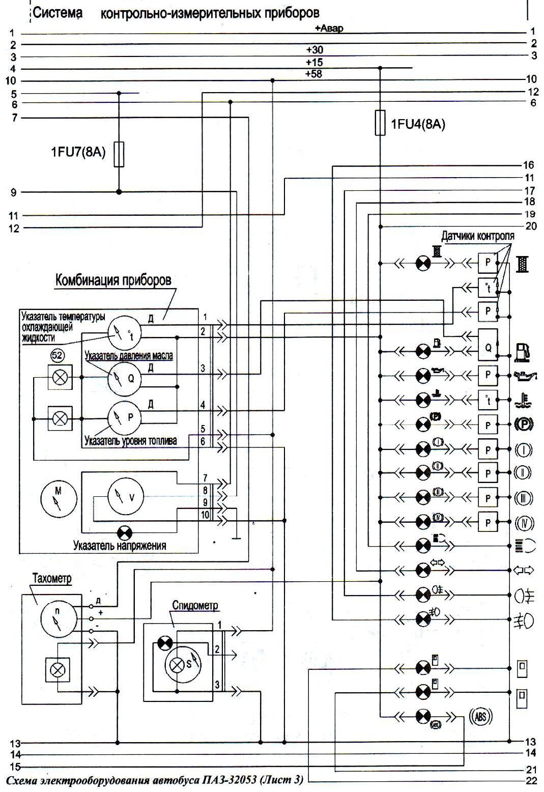
Схема контрольно-измерительных приборов
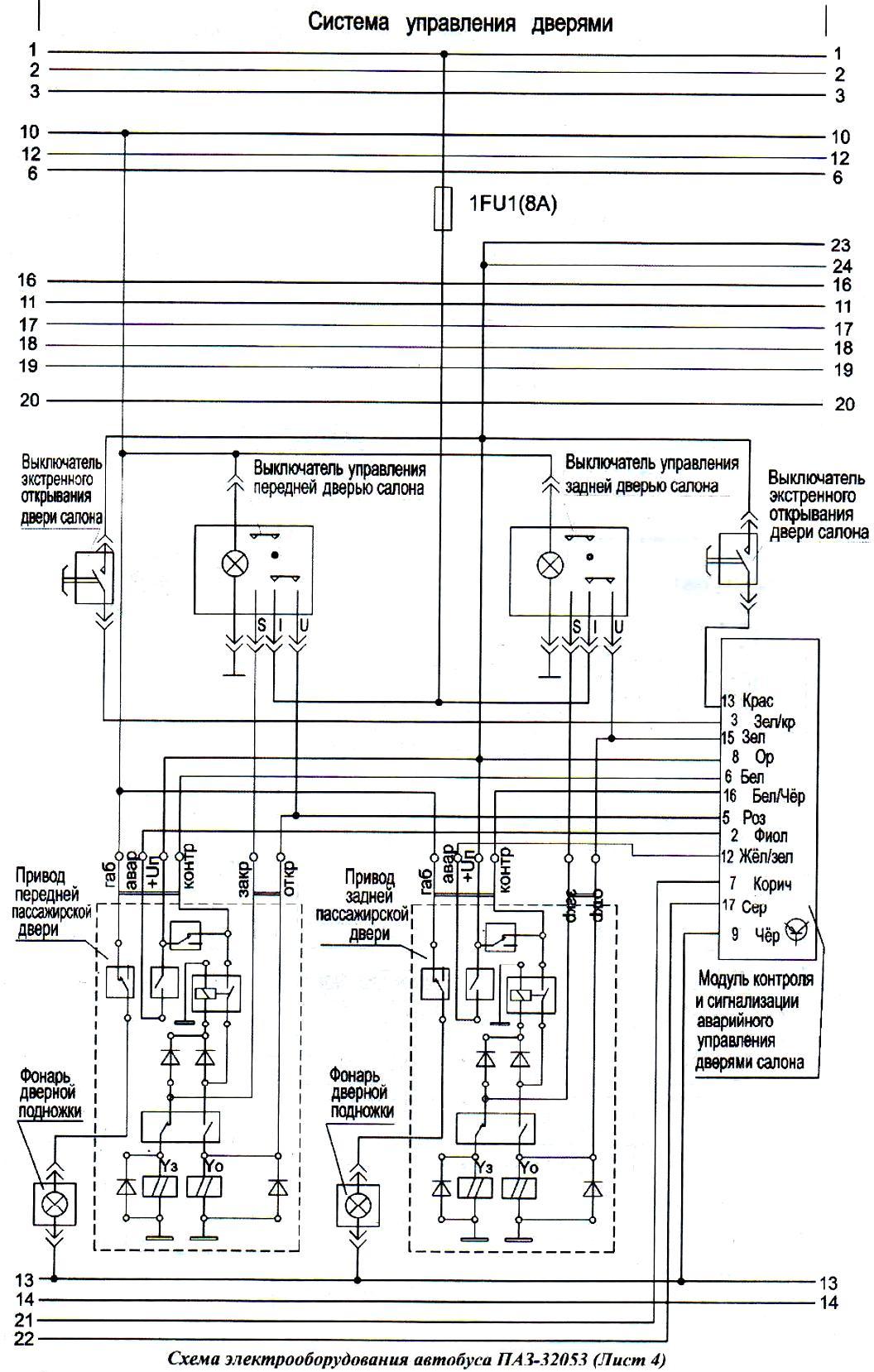
Схема системы управления дверями
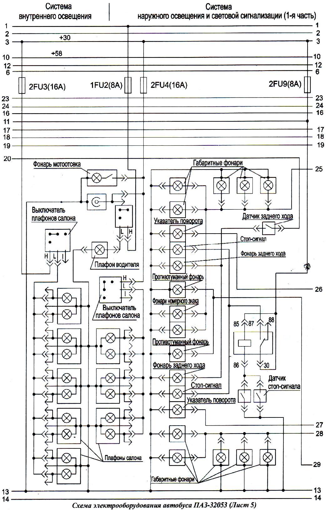
Схема внутреннего освещения
Схема наружного освещения и световой сигнализации (1-я часть)
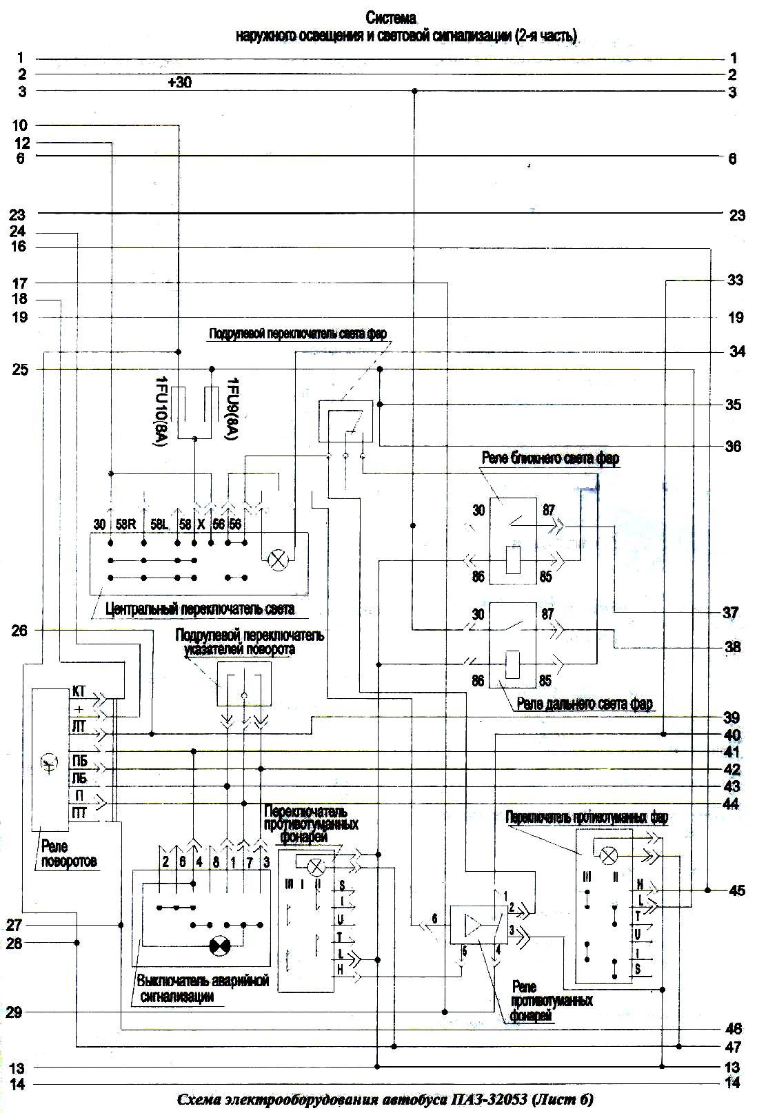
Схема наружного освещения и световой сигнализации (2-я часть)
Схема наружного освещения и световой сигнализации (3-я часть).
Схема системы аварийного отключения.
Схема системы звуковой сигнализации
Схема привода двери







