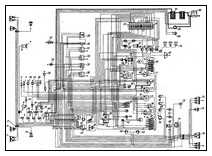
Схема электропроводки автомобиля Урал