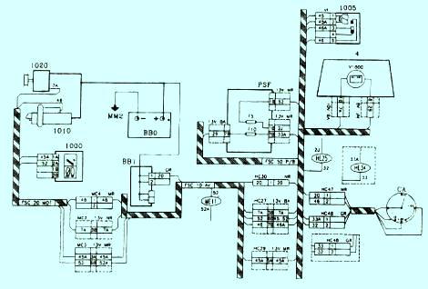
Схемы подключения стартера, генератора, кпп Peugeot 307

 Схемы подключения стартера, генератора, кпп Peugeot 307

Схемы подключения стартера, генератора, кпп Peugeot 307