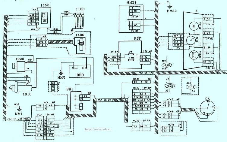
Схема Peugeot 307 Стартер, генератор,устройство предварительного разогрева, измеритель числа оборотов

 эл.схема стартер, генератор, устройство предварительного разогрева, измеритель числа оборотов

Схема Peugeot 307 Стартер, генератор,устройство предварительного разогрева, измеритель числа оборотов