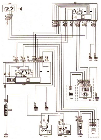
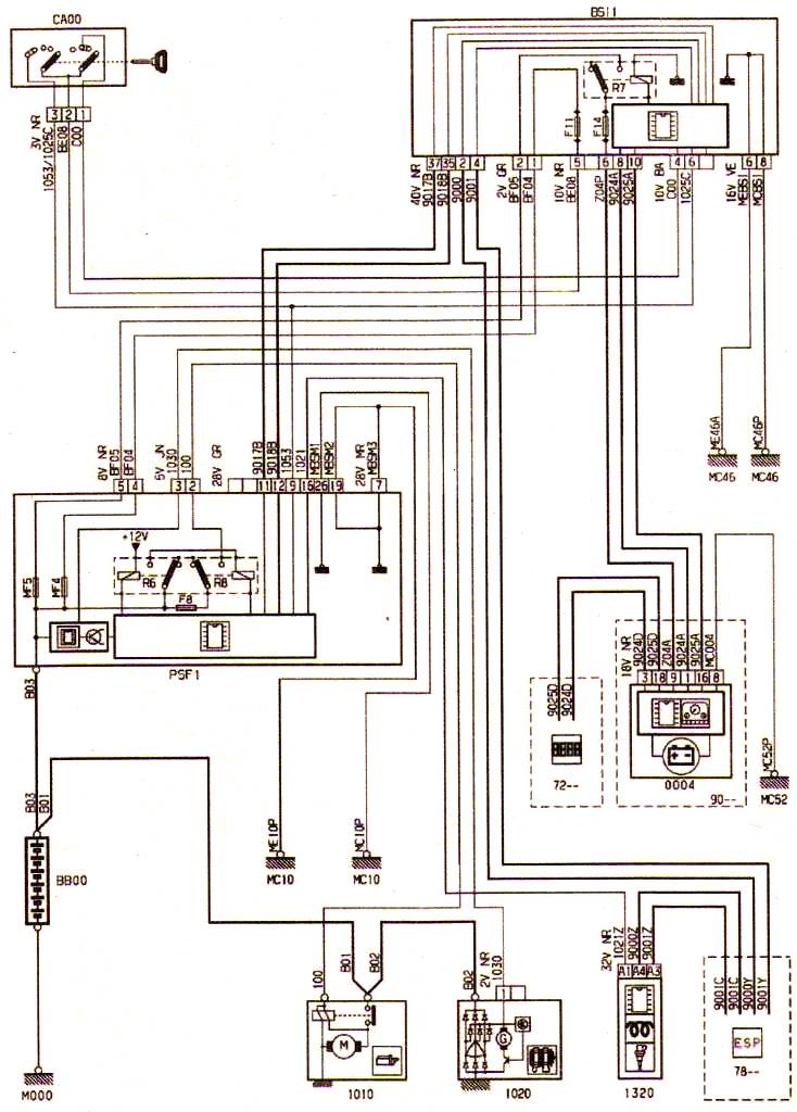
Схема запуска двигателя Peugeot 307 (дизельный двигатель RHR), компьютер DELPHI