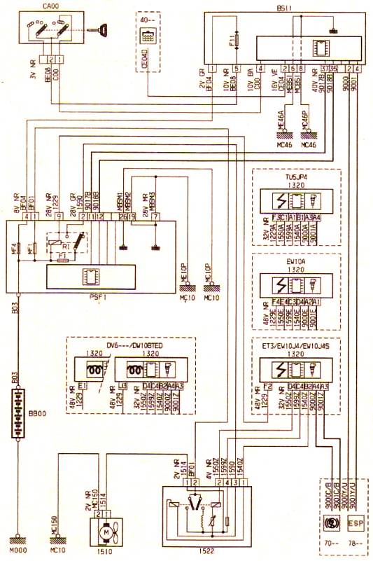
Схема охлаждения Peugeot 307 (дизельный двигатель RHR), компьютер DELPHI (климатическая установка с ручным управлением)
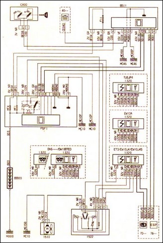
Охлаждение двигателя(дизельный двигатель RHR),компьютер DELPHI (автоматический кондиционер)
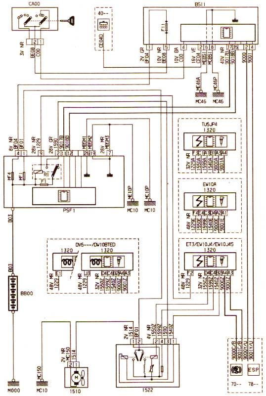
Схема охлаждения Peugeot 307 (дизельный двигатель RHR), компьютер DELPHI (климатическая установка с ручным управлением)
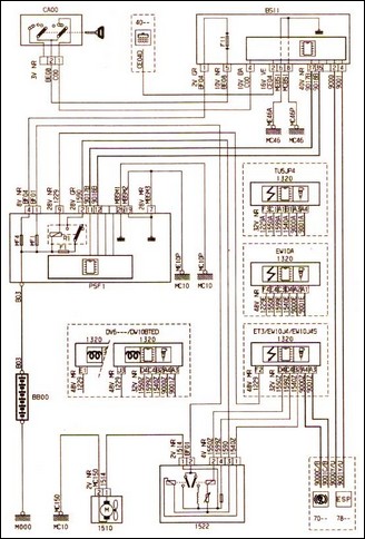
Охлаждение двигателя(дизельный двигатель RHR),компьютер DELPHI (автоматический кондиционер)