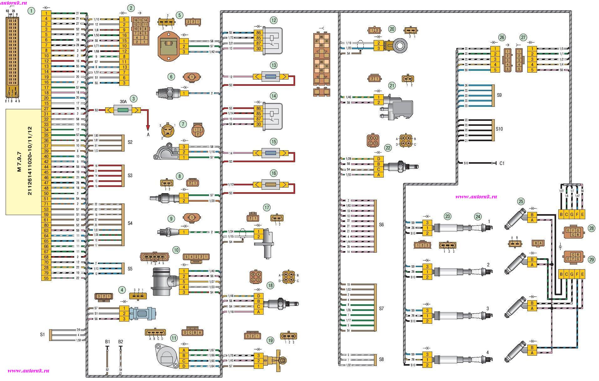
Соединения электронной системы управления двигателем Лада Приора
ВАЗ-2170 Lada Priora.Соединения жгута электронной системы управления двигателем (ЭСУД)
1 – ЭБУ;2 – колодка жгута ЭСУД к жгуту панели приборов; 3 – основной блок предохранителей; 4 – датчик скорости;
5 – датчик неровной дороги;6 – датчик сигнальной лампы аварийного падения давления масла; 7 – датчик положения дроссельной заслонки; 8 – датчик температуры охлаждающей жидкости; 9 – датчик указателя температуры охлаждающей жидкости; 10 – датчик массового расхода воздуха; 11 – регулятор холостого хода;12 – реле электробензонасоса; 13 – предохранитель цепи питания электробензонасоса (15 A); 14 – реле зажигания;15 – предохранитель реле зажигания (15 A); 16 – предохранитель цепи питания ЭБУ (7,5 A); 17 – датчик положения коленчатого вала;18 – управляющий датчик концентрации кислорода; 19 – датчик фаз; 20 – датчик детонации;21 – электромагнитный клапан продувки адсорбера; 22 – диагностический датчик концентрации кислорода; 23 – катушки зажигания; 24 – свечи зажигания; 25 – форсунки; 26 – колодка жгута проводов катушек зажигания к жгуту ЭСУД; 27 – колодка жгута ЭСУД к жгуту проводов катушек зажигания; 28 – колодка жгута ЭСУД к жгуту форсунок; 29 – колодка жгута форсунок к жгуту ЭСУД; А – к клемме «плюс» аккумуляторной батареи; В1, В2 – точки заземления жгута системы зажигания; C1 – точка заземления жгута проводов катушек зажигания
