Схема электропитания автомобиля Лада Приора
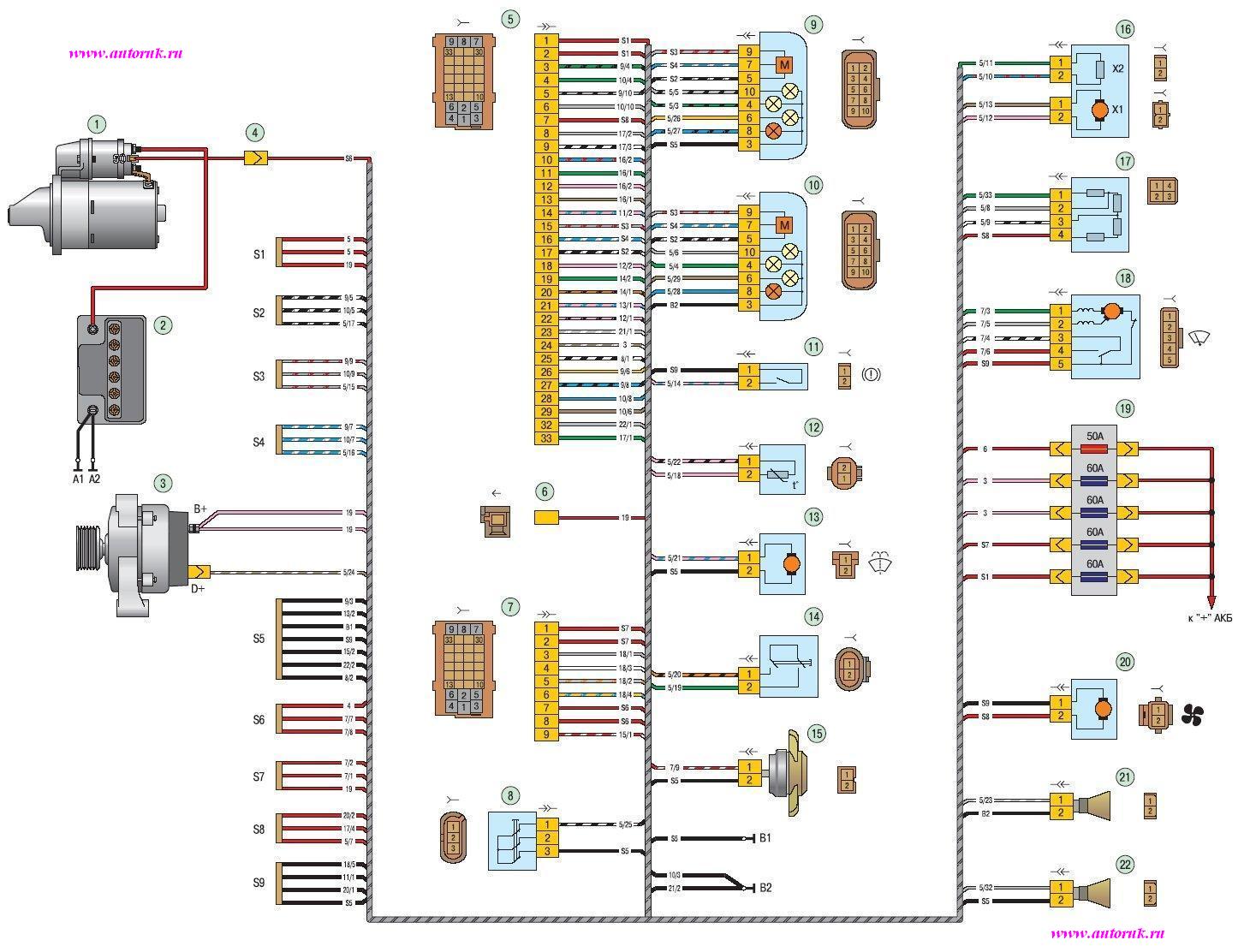
ВАЗ-2170 Lada Priora.Соединения переднего жгута проводов автомобиля.
1 – стартер; 2 – аккумуляторная батарея; 3 – генератор; 4 – колодки жгута аккумуляторной батареи, стартера и жгута переднего; 5, 6, 7 – колодки жгута переднего к жгуту панели приборов; 8 – выключатель подкапотной лампы; 9 – левая фара; 10 – правая фара; 11 – датчик уровня тормозной жидкости; 12 – датчик температуры воздуха; 13 – электродвигатель омывателей; 14 – выключатель лампы света заднего хода; 15 – электровентилятор двигателя; 16 – моторедуктор заслонки отопителя; 17 – добавочный резистор; 18 – электродвигатель стеклоочистителя;19 – основной блок предохранителей; 20 – электродвигатель отопителя; 21– тревожный сигнал; 22 – звуковой сигнал;А1, А2, В1, В2 – точки заземления жгута переднего
