Схема Daewoo Lanos соединения приборов освещения
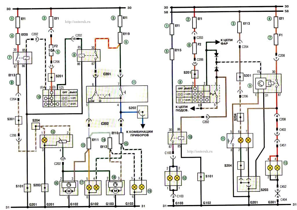
Схема 3б. Соединения приборов освещения (продолжение): 1,2,3 - плавкие вставки (80 А); 4, 15 - плавкая вставка (20 А); 5, 9,13,14 - предохранители (10 А); 6 - плавкая вставка (25 А); 7 - реле; 8 - реле фар; 10 - переключатель наружного освещения; 11 - переключатель указателей поворота; 12 - переключатель корректора фар; 16 - корректор левой фары; 17 - фара левая; 18 - корректор правой фары; 19 - фара правая
Схема 3в. Соединения приборов освещения (продолжение): 1, 2, 4 - плавкие вставки (80 А); 3 - плавкая вставка (10 А); 5 - плавкая вставка (15 А); 6 - предохранитель F2 (10 А); 7 - предохранитель F1 (10 А); 8 - переключатель наружного освещения; 9 - реле задних противотуманных фонарей; 10 - реле передних противотуманных фар; 11 - выключатель задних противотуманных фонарей; 12 - передние противотуманные фары; 13 - задние противотуманные фонари
