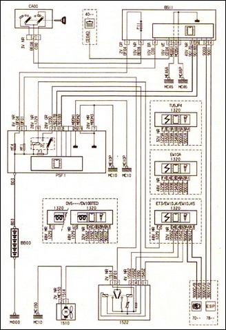
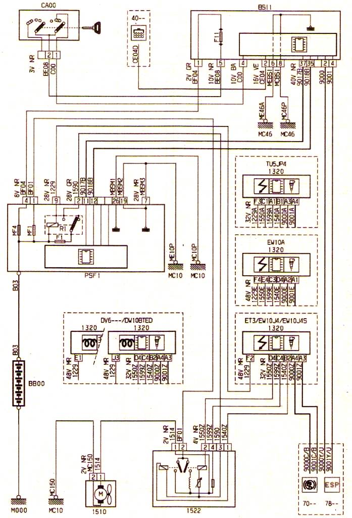
Схема - Охлаждение двигателя Peugeot 307 (климатическая установка с ручным управлением)

Обозначения на схемах